Magna Concursos

Foram encontradas 40 questões.

3666341 Ano: 2025
Disciplina: Engenharia Civil
Banca: FAU-UNICENTRO
Orgão: Pref. Porto Barreiro-PR
Provas:
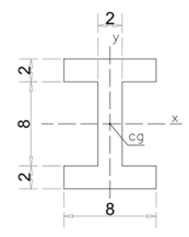
No âmbito de cálculo estrutural e dimensionamento de estruturas, uma das propriedades geométricas mais importantes dos elementos utilizados é a inércia. Qual o valor da inércia X em cm4 da seção transversal ilustrada abaixo?

Enunciado 4422667-1
 

Provas

Questão presente nas seguintes provas
3666340 Ano: 2025
Disciplina: Engenharia Civil
Banca: FAU-UNICENTRO
Orgão: Pref. Porto Barreiro-PR
Provas:
A Lei nº 5.194/1966 dispõe sobre a regulamentação do exercício das profissões de engenheiro, arquiteto e engenheiro-agrônomo. Considerando o disposto nessa legislação, quanto ao exercício das atividades para o ENGENHEIRO CIVIL, assinale a alternativa correta:
 

Provas

Questão presente nas seguintes provas
3666339 Ano: 2025
Disciplina: Direito Administrativo
Banca: FAU-UNICENTRO
Orgão: Pref. Porto Barreiro-PR
Provas:
A administração pública deve, em regra, realizar licitação para contratar obras, serviços, compras e alienações. No entanto, a Lei nº 14.133/2021 prevê hipóteses em que a licitação pode ser dispensada, considerando a economicidade, a urgência e outras situações excepcionais. Com base nessa legislação, assinale a alternativa correta sobre a dispensa de licitação:
 

Provas

Questão presente nas seguintes provas
3666338 Ano: 2025
Disciplina: Direito Administrativo
Banca: FAU-UNICENTRO
Orgão: Pref. Porto Barreiro-PR
Provas:
No âmbito da administração pública, o processo de compras deve seguir uma série de princípios e normas estabelecidas pela legislação, como a Lei nº 14.133/2021 (Nova Lei de Licitações e Contratos Administrativos). Sobre as diretrizes que regem as compras públicas, assinale a alternativa correta:
 

Provas

Questão presente nas seguintes provas
3666337 Ano: 2025
Disciplina: Engenharia Civil
Banca: FAU-UNICENTRO
Orgão: Pref. Porto Barreiro-PR
Provas:
Durante a execução de uma obra, foi elaborado um cronograma físico-financeiro no qual a etapa de fundação tem custo estimado de R$ 180.000,00 e duração prevista de 3 meses. Ao final do segundo mês, foi verificado que 70% da etapa já foi executada, com um custo acumulado de R$ 150.000,00. Com base nessas informações, assinale a alternativa que apresenta a situação correta da obra até o momento:
 

Provas

Questão presente nas seguintes provas
3666336 Ano: 2025
Disciplina: Engenharia Civil
Banca: FAU-UNICENTRO
Orgão: Pref. Porto Barreiro-PR
Provas:
Durante a execução de uma obra, o controle orçamentário é essencial para garantir a viabilidade financeira do projeto. Um dos principais instrumentos para esse controle é o cronograma físico-financeiro. Considerando as práticas de orçamento e controle de obras, assinale a alternativa correta:
 

Provas

Questão presente nas seguintes provas
3666335 Ano: 2025
Disciplina: Engenharia Civil
Banca: FAU-UNICENTRO
Orgão: Pref. Porto Barreiro-PR
Provas:
Com relação à atuação do perito engenheiro e aos procedimentos de uma perícia técnica, assinale a alternativa correta:
 

Provas

Questão presente nas seguintes provas
3666334 Ano: 2025
Disciplina: Engenharia Civil
Banca: FAU-UNICENTRO
Orgão: Pref. Porto Barreiro-PR
Provas:
A perícia de engenharia é uma atividade técnica que visa esclarecer fatos por meio de análise especializada. Sobre esse tema, assinale a alternativa correta:
 

Provas

Questão presente nas seguintes provas
3666333 Ano: 2025
Disciplina: Direito Urbanístico
Banca: FAU-UNICENTRO
Orgão: Pref. Porto Barreiro-PR
Provas:
De acordo com os artigos 182 e 183 da Constituição Federal de 1988, que tratam da política urbana, assinale a alternativa incorreta:
 

Provas

Questão presente nas seguintes provas
3666332 Ano: 2025
Disciplina: Direito Urbanístico
Banca: FAU-UNICENTRO
Orgão: Pref. Porto Barreiro-PR
Provas:
A Constituição Federal de 1988, nos artigos 182 e 183, estabelece as diretrizes da política urbana brasileira. Com base nesses dispositivos constitucionais, assinale a alternativa correta:
 

Provas

Questão presente nas seguintes provas