Foram encontradas 689 questões.
Recomenda-se para indivíduos em prevenção primária para as doenças cardiovasculares o consumo de alimentos de baixo índice glicêmico para prevenir a resistência à insulina. Faria parte de sua prescrição:
Provas
Questão presente nas seguintes provas
A dose de cálcio para crianças de 1 a 3 anos, referente à ingestão diária recomendada segundo a RDA é de:
Provas
Questão presente nas seguintes provas
No processo de auditoria, o referencial utilizado pelo auditor para realizar os julgamentos em relação à situação analisada ou condição existente é denominado de “critério”, que pode ser encontrado nas leis, normas e nos padrões esperados para o objeto auditado. Quando o auditor encontra uma discrepância entre a situação existente e o critério aplicado, tem-se uma:
Provas
Questão presente nas seguintes provas
A avaliação dos valores da pressão arterial deve ser feita com muita acurácia, pois uma pressão elevada pode trazer riscos para a saúde humana e comprometer a qualidade de vida das pessoas. A técnica da verificação da pressão arterial deve ser bem aplicada e aspectos específicos sobre a faixa etária do paciente devem ser considerados ao realizar a técnica. Na verificação da pressão em idosos, pode ocorrer um hiato auscultatório e levar a erro na avaliação do valor da pressão sistólica. Para evitar esse erro, o profissional deve:
Provas
Questão presente nas seguintes provas
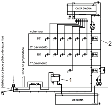
A figura a seguir apresenta o diagrama vertical da instalação de água fria de um pequeno edifício. Sobre essa instalação, responda a questão.

A alternativa que apresenta a seção transversal da válvula a ser utilizada na extremidade da tubulação 2 no interior da cisterna é:
Provas
Questão presente nas seguintes provas
Na digitação de um texto no Writer do pacote LibreOffice 5.1, versão em português, um técnico de apoio especializado em informática executou os procedimentos listados a seguir.
• selecionou a citação “prefeitura de são gonçalo”.
• pressionou uma primeira vez um atalho de teclado, que converteu a seleção em “Prefeitura De São Gonçalo”.
• pressionou uma segunda vez o mesmo atalho de teclado, que converteu a seleção em “PREFEITURA DE SÃO GONÇALO”.
Esse atalho de teclado corresponde ao acionamento, em sequência, das teclas Shift e:
Provas
Questão presente nas seguintes provas
- Lei de Responsabilidade FiscalDespesa Pública (arts. 15 ao 24)Despesas com Pessoal e Seguridade Social (arts. 18 ao 24)
A despesa pública que no âmbito da esfera municipal não pode superar a 60% da Receita Corrente Líquida é a despesa com:
Provas
Questão presente nas seguintes provas
1514926
Ano: 2016
Disciplina: Direito Administrativo
Banca: BIO-RIO
Orgão: Pref. São Gonçalo-RJ
Disciplina: Direito Administrativo
Banca: BIO-RIO
Orgão: Pref. São Gonçalo-RJ
Provas:
A administração pública, ao editar atos gerais para complementar leis para permitir a sua efetiva aplicação, está exercendo o Poder Administrativo denominado:
Provas
Questão presente nas seguintes provas
- Ministério da SaúdeCNS: Conselho Nacional de SaúdeResolução CNS 218/1997: Profissionais de Saúde de Nível Superior
São reconhecidas como profissionais de saúde de nível superior as seguintes categorias:
I – médicos veterinários.
II – biólogos.
III – nutricionistas.
As afirmativas I, II e III são respectivamente:
Provas
Questão presente nas seguintes provas
1512423
Ano: 2016
Disciplina: Engenharia de Alimentos
Banca: BIO-RIO
Orgão: Pref. São Gonçalo-RJ
Disciplina: Engenharia de Alimentos
Banca: BIO-RIO
Orgão: Pref. São Gonçalo-RJ
Provas:
Embora os alimentos frescos devam ser armazenados nas temperaturas mais baixas, há algumas exceções como as bananas que devem ser conservadas, durante seu amadurecimento e depois nas seguintes temperaturas:
Provas
Questão presente nas seguintes provas
Cadernos
Caderno Container