Foram encontradas 70 questões.
Considere as afirmativas abaixo a respeito do Building Information Modeling – BIM:
I. Um projeto em 3D corresponde ao primeiro nível da modelagem BIM.
II. O Revit é uma plataforma para criação e documentação dos projetos para a modelagem BIM.
III. Objetos paramétricos são aqueles utilizados no projeto com informações técnicas, quantidades, informações sobre as fases de execução e manutenção.
É correto somente o que se apresenta em:
Provas
O esquema de aterramento para os circuitos terminais em instalações elétricas de baixa tensão residencial é o:
Provas
Considere as afirmativas abaixo a respeito da qualidade do serviço de distribuição de energia elétrica:
I. A duração da Interrupção Individual ocorrida em Dia Crítico deve ser considerada na análise da continuidade de serviço.
II. A duração e frequência das interrupções são indicadores da continuidade de serviço.
III. Os indicadores da continuidade de serviço devem ser verificados semestralmente.
É correto somente o que se apresenta em:
Provas
Um motor com 4 polos alimentado por uma fonte de 50Hz possui rotação de 1488rpm.
O seu escorregamento é:
Provas
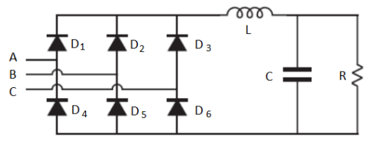
A figura abaixo apresenta um retificador trifásico não controlado:

Considere as afirmativas a respeito desse retificador:
I. A tensão sobre o resistor possui 6 pulsos no período de 2!$ \pi !$ das tensões de fase.
II. O período da função da tensão sobre a carga é de !$ \pi !$/6 s.
III. As correntes de fase possuem período de !$ \pi !$ s.
É correto somente o que se apresenta em:
Provas
O paquímetro é um instrumento de medição muito utilizado para medidas pequenas que requeiram precisão, como, por exemplo, a secção de cabos elétricos. As figuras abaixo apresentam um paquímetro medindo o diâmetro de uma esfera. A escala principal do paquímetro é dada em centímetro dividida em milímetros e o nónio (ou vernier) possui dez divisões.
MEDIÇÃO DO PAQUÍMETRO

DETALHE DA MEDIÇÃO

A respeito dessa medida pode-se constatar que:
Provas
Considere as afirmativas abaixo a respeito de um sistema trifásico estrela-estrela, composto por uma fonte simétrica e uma carga desequilibrada, conectados a quatro fios:
I. A potência em cada fase é igual a 1/3 da potência trifásica.
II. Os módulos das tensões nas fases da carga trifásica são diferentes.
III. A retirada do fio que conecta os neutros da fonte e da carga, implicará em um somatório das correntes de linha igual a zero.
Está correto somente o que se apresenta em:
Provas
Um circuito é composto por uma fonte de tensão CC e diversos resistores associados entre si. Entre esses resistores existe um com valor de 10!$ \Omega !$. Este resistor é retirado do circuito e a ddp entre esses pontos em que estava conectado é de 200V. Substitui-se a fonte de tensão por um condutor que liga os terminais onde a fonte estava conectada. Nesta situação ao realizar a medição da resistência entre os terminais onde estava conectado o resistor de 10!$ \Omega !$, constatou-se um valor de 40!$ \Omega !$.
O valor da potência dissipada no resistor de 10!$ \Omega !$ antes de sua retirada do circuito é:
Provas
Um circuito monofásico é composto por uma fonte monofásica alternada de 50!$ \angle !$10!$ o !$ !$ V !$ e uma carga elétrica. A corrente elétrica que fluí neste circuito é de 4!$ \angle !$30!$ o !$!$ A !$.
A potência aparente solicitada pela carga e seu fator de potência são iguais a:
Provas
Um circuito elétrico é composto por uma fonte senoidal monofásica com valor médio de tensão igual a 200V em série com um resistor de 10!$ \Omega !$.
O valor da corrente eficaz do circuito é:
Provas
Caderno Container