Foram encontradas 60 questões.
1325633
Ano: 2012
Disciplina: Engenharia Elétrica
Banca: VUNESP
Orgão: Pref. São José dos Campos-SP
Disciplina: Engenharia Elétrica
Banca: VUNESP
Orgão: Pref. São José dos Campos-SP
Provas:
A figura ilustra a curva de demanda de um consumidor industrial que optou pela tarifação convencional binômia.

Nesse contexto, a tarifa para a demanda é de 0,5625 [R$/kW] e a tarifa para o consumo é de 0,25 [R$/kWh].
Sendo assim, assinale a alternativa que apresenta, corretamente, o valor que o consumidor deve pagar em um dia, sem considerar os impostos que incidem sobre o valor.
Provas
Questão presente nas seguintes provas
1325536
Ano: 2012
Disciplina: Engenharia Elétrica
Banca: VUNESP
Orgão: Pref. São José dos Campos-SP
Disciplina: Engenharia Elétrica
Banca: VUNESP
Orgão: Pref. São José dos Campos-SP
Provas:
Acerca da medição da energia elétrica, são feitas as seguintes afirmativas:
I. Fica a critério da concessionária escolher os medidores e demais equipamentos de medição que julgar necessários, bem como sua substituição ou reprogramação, quando considerada conveniente ou necessária.
II. A substituição de equipamentos de medição deverá ser comunicada, por meio de correspondência específica, ao consumidor, por ocasião da execução desse serviço.
III. Os lacres instalados nos medidores, caixas e cubículos, somente poderão ser rompidos por representante legal da concessionária.
Está correto o contido em
Provas
Questão presente nas seguintes provas
A tabela mostra o desempenho dos dez melhores clubes no último campeonato brasileiro de futebol da série A. Os elementos computados para cada clube são: P – pontos ganhos; J – jogos realizados; V – vitórias conquistadas; E – empates obtidos; D – derrotas; GP – gols a favor; GC – gols tomados; SG – saldo de gols; % – índice de aproveitamento dos pontos, em porcentagem.

O gráfico que mostra o desempenho de um desses dez clubes em relação aos mesmos elementos computados na tabela é:
Provas
Questão presente nas seguintes provas
1324175
Ano: 2012
Disciplina: Engenharia Elétrica
Banca: VUNESP
Orgão: Pref. São José dos Campos-SP
Disciplina: Engenharia Elétrica
Banca: VUNESP
Orgão: Pref. São José dos Campos-SP
Provas:
Os relés eletromecânicos, que são empregados na proteção de sistemas elétricos de potência, têm sido substituídos pelos relés digitais, devido a uma série de inconvenientes inerentes à sua tecnologia.
Assinale a alternativa que apresenta, corretamente, um desses inconvenientes.
Provas
Questão presente nas seguintes provas
1320252
Ano: 2012
Disciplina: Engenharia Elétrica
Banca: VUNESP
Orgão: Pref. São José dos Campos-SP
Disciplina: Engenharia Elétrica
Banca: VUNESP
Orgão: Pref. São José dos Campos-SP
Provas:
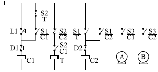
No circuito apresentado, as cargas A e B são acionadas pelos contatores e pelo temporizador.
Considerando a operação desse circuito, assinale a alternativa correta.

Provas
Questão presente nas seguintes provas
1320180
Ano: 2012
Disciplina: Atualidades e Conhecimentos Gerais
Banca: VUNESP
Orgão: Pref. São José dos Campos-SP
Disciplina: Atualidades e Conhecimentos Gerais
Banca: VUNESP
Orgão: Pref. São José dos Campos-SP
Provas:
O plenário do Supremo Tribunal Federal (STF) concluiu [em 08.02.2012] o julgamento da ação de inconstitucionalidade da Associação dos Magistrados Brasileiros (AMB) que pretendia limitar os poderes do Conselho Nacional de Justiça – CNJ.
(www.jb.com.br/pais/noticias, 08.02.2012. Adaptado)
Dentre os poderes do CNJ mantidos pelo STF, é correto indicar o de
Provas
Questão presente nas seguintes provas
1319614
Ano: 2012
Disciplina: Engenharia Elétrica
Banca: VUNESP
Orgão: Pref. São José dos Campos-SP
Disciplina: Engenharia Elétrica
Banca: VUNESP
Orgão: Pref. São José dos Campos-SP
Provas:
Acerca dos disjuntores, são feitas as seguintes afirmativas:
I. O princípio de extinção do arco nos disjuntores a óleo baseia-se na pulverização de óleo sobre os seus contatos, por ocasião da sua abertura. Essa pulverização tem por objetivo extinguir o arco elétrico resultante da manobra.
II. Nos disjuntores a ar comprimido, a extinção do arco ocorre devido à presença de ar em altas pressões na câmara que contém os contatos do disjuntor.
III. O princípio de extinção do arco nos disjuntores a vácuo baseia-se na injeção de ar comprimido em alta velocidade sobre os contatos, que se encontram em uma câmara a vácuo.
Pode-se afirmar que
Provas
Questão presente nas seguintes provas
1319575
Ano: 2012
Disciplina: Engenharia Elétrica
Banca: VUNESP
Orgão: Pref. São José dos Campos-SP
Disciplina: Engenharia Elétrica
Banca: VUNESP
Orgão: Pref. São José dos Campos-SP
Provas:
O circuito elétrico mostrado na figura é alimentado por uma fonte de tensão !$ V_{fonte}=14[V] !$.
Assinale a alternativa que apresenta, corretamente, o valor da corrente na carga, em [A].

Provas
Questão presente nas seguintes provas
1319475
Ano: 2012
Disciplina: Engenharia Elétrica
Banca: VUNESP
Orgão: Pref. São José dos Campos-SP
Disciplina: Engenharia Elétrica
Banca: VUNESP
Orgão: Pref. São José dos Campos-SP
Provas:
Acerca do cálculo de luminotécnica, são feitas as seguintes afirmativas:
I. O “método dos lúmens” e o “método ponto a ponto” utilizam níveis de iluminamento determinados por norma.
II. Utiliza-se o “método dos lúmens”, em detrimento do “método ponto a ponto”, quando se pretende elaborar o projeto de luminotécnica de recintos fechados.
III. As lâmpadas de vapor metálico podem ser consideradas como uma alternativa adequada, quando a atividade a ser desenvolvida no local exige um bom índice de reprodução de cores.
Está correto o contido em
Provas
Questão presente nas seguintes provas
1494069
Ano: 2012
Disciplina: Matemática Financeira
Banca: VUNESP
Orgão: Pref. São José dos Campos-SP
Disciplina: Matemática Financeira
Banca: VUNESP
Orgão: Pref. São José dos Campos-SP
Provas:
Uma pessoa aplicou uma quantia de R$ 500,00 a uma taxa de 16 % a.a. O menor número de trimestres necessários para que essa aplicação supere os rendimentos de uma outra aplicação, de R$ 5.000,00 a uma taxa de 5 % a.s. durante 2 anos, é
Provas
Questão presente nas seguintes provas
Cadernos
Caderno Container