Foram encontradas 50 questões.
2292241
Ano: 2015
Disciplina: Raciocínio Lógico
Banca: VUNESP
Orgão: Pref. São José dos Campos-SP
Disciplina: Raciocínio Lógico
Banca: VUNESP
Orgão: Pref. São José dos Campos-SP
Provas:
Leia o texto para responder à questão.
Na lendária ilha de Myjsf, todos os habitantes praticam ou surfe ou canoagem. Os homens que praticam surfe sempre dizem a verdade e os homens que praticam canoagem sempre mentem. Com as mulheres, acontece o contrário, ou seja, as mulheres que praticam surfe sempre mentem e as mulheres que praticam canoagem sempre dizem a verdade.
Ao chegar à ilha de Myjsf, um turista foi recebido por um de seus habitantes, que disse: “Eu falo a verdade”.
Essa frase pode ter sido dita
Provas
Questão presente nas seguintes provas
2292232
Ano: 2015
Disciplina: Engenharia Eletrônica
Banca: VUNESP
Orgão: Pref. São José dos Campos-SP
Disciplina: Engenharia Eletrônica
Banca: VUNESP
Orgão: Pref. São José dos Campos-SP
Provas:
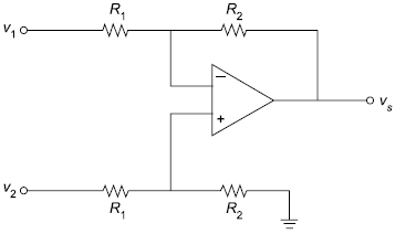
O amplificador de diferenças é um bloco bastante utilizado em instrumentação. Na figura a seguir, é mostrado o circuito simplificado de tal bloco, sendo que o amplificador operacional indicado é ideal.

Sendo assim, vs vale
Provas
Questão presente nas seguintes provas
2292231
Ano: 2015
Disciplina: Engenharia Eletrônica
Banca: VUNESP
Orgão: Pref. São José dos Campos-SP
Disciplina: Engenharia Eletrônica
Banca: VUNESP
Orgão: Pref. São José dos Campos-SP
Provas:
Na figura a seguir, é mostrado um gráfico de uma tensão senoidal v(t ), dada em volts, em função do tempo t, dado em segundos.

O valor eficaz de v (t) e sua frequência são, respectivamente,
Provas
Questão presente nas seguintes provas
2292230
Ano: 2015
Disciplina: Engenharia Eletrônica
Banca: VUNESP
Orgão: Pref. São José dos Campos-SP
Disciplina: Engenharia Eletrônica
Banca: VUNESP
Orgão: Pref. São José dos Campos-SP
Provas:
Considere o circuito da figura seguinte, em que v (t) = 100 cos (!$ \omega !$ t) V com !$ \omega !$ = 107 rad/s.

A corrente i(t) que circula pelo circuito pode ser expressa, em amperes, como
Provas
Questão presente nas seguintes provas
2292228
Ano: 2015
Disciplina: Engenharia Eletrônica
Banca: VUNESP
Orgão: Pref. São José dos Campos-SP
Disciplina: Engenharia Eletrônica
Banca: VUNESP
Orgão: Pref. São José dos Campos-SP
Provas:
Considere o circuito ilustrado a seguir, em que todos os diodos são ideais e as resistências são dadas em quiloohms.

O valor, em miliamperes, da corrente I indicada é
Provas
Questão presente nas seguintes provas
No MS-PowerPoint 2010, na sua configuração padrão, na guia Inserir, o ícone que permite inserir “Número do Slide” é:
Provas
Questão presente nas seguintes provas
Leia o texto para responder à questão.
Ideologia e saúde
A ideologia é um troço esquisito. Ela não se limita a turvar a visão das pessoas em relação aos assuntos de sempre, como papel do Estado, aborto, legalização das drogas, mas também está sempre em busca de novos temas sobre os quais possa lançar seus feitiços.
Um caso bem documentado desse fenômeno é a atitude dos norte-americanos em relação ao aquecimento global. Mais ou menos até os anos 80, a proteção ambiental em geral e o efeito estufa em particular não constituíam questões ideológicas. A probabilidade de um político norte-americano defender uma plataforma ambientalista era muito baixa, fosse ele democrata ou republicano.
Do final dos anos 90 para cá, porém, o panorama mudou bastante.
Agora, assistimos praticamente ao vivo a um movimento semelhante em relação a um tema improvável: as vacinas. Os EUA vivem hoje um surto de sarampo que pode ser diretamente ligado à queda nas taxas de vacinação. E há dois tipos de pais que deixam deliberadamente de vacinar seus filhos.
Pela direita, temos ultraconservadores religiosos que desconfiam de tudo o que venha de cientistas ou do governo e, pela esquerda, há, principalmente na Califórnia, bolsões de liberais desmiolados que acreditam sem base fática que a vacina tríplice viral está associada a casos de autismo.
Em comum, ambos colocam suas convicções, que têm muito mais de emocional que de racional, à frente de sólidas evidências científicas. Pior, sua obstinação faz com que ponham em risco não só seus próprios filhos como também terceiros. Nunca foi tão verdadeira a máxima segundo a qual a ideologia faz mal à saúde.
(Hélio Schwartsman. Folha de S.Paulo. 08.02.2015. Adaptado)
Assinale a alternativa cujo termo destacado está empregado, no contexto, em sentido figurado.
Provas
Questão presente nas seguintes provas
Leia o texto para responder à questão.
Ideologia e saúde
A ideologia é um troço esquisito. Ela não se limita a turvar a visão das pessoas em relação aos assuntos de sempre, como papel do Estado, aborto, legalização das drogas, mas também está sempre em busca de novos temas sobre os quais possa lançar seus feitiços.
Um caso bem documentado desse fenômeno é a atitude dos norte-americanos em relação ao aquecimento global. Mais ou menos até os anos 80, a proteção ambiental em geral e o efeito estufa em particular não constituíam questões ideológicas. A probabilidade de um político norte-americano defender uma plataforma ambientalista era muito baixa, fosse ele democrata ou republicano.
Do final dos anos 90 para cá, porém, o panorama mudou bastante.
Agora, assistimos praticamente ao vivo a um movimento semelhante em relação a um tema improvável: as vacinas. Os EUA vivem hoje um surto de sarampo que pode ser diretamente ligado à queda nas taxas de vacinação. E há dois tipos de pais que deixam deliberadamente de vacinar seus filhos.
Pela direita, temos ultraconservadores religiosos que desconfiam de tudo o que venha de cientistas ou do governo e, pela esquerda, há, principalmente na Califórnia, bolsões de liberais desmiolados que acreditam sem base fática que a vacina tríplice viral está associada a casos de autismo.
Em comum, ambos colocam suas convicções, que têm muito mais de emocional que de racional, à frente de sólidas evidências científicas. Pior, sua obstinação faz com que ponham em risco não só seus próprios filhos como também terceiros. Nunca foi tão verdadeira a máxima segundo a qual a ideologia faz mal à saúde.
(Hélio Schwartsman. Folha de S.Paulo. 08.02.2015. Adaptado)
No trecho do último parágrafo – … sua obstinação faz com que ponham em risco não só seus próprios filhos como também terceiros. –, o termo em destaque tem sentido equivalente ao de
Provas
Questão presente nas seguintes provas
2291999
Ano: 2015
Disciplina: Engenharia Eletrônica
Banca: VUNESP
Orgão: Pref. São José dos Campos-SP
Disciplina: Engenharia Eletrônica
Banca: VUNESP
Orgão: Pref. São José dos Campos-SP
Provas:
Uma porta lógica com três entradas, A, B e C, e saída Y foi implementada utilizando-se transistores CMOS. Seu esquema é mostrado na figura a seguir. Admite-se que as tensões de entrada só assumem valores 0 ou 5 V e que os transistores operam apenas em corte ou saturação.

Essa porta implementa a função lógica
Provas
Questão presente nas seguintes provas
2291910
Ano: 2015
Disciplina: Engenharia Elétrica
Banca: VUNESP
Orgão: Pref. São José dos Campos-SP
Disciplina: Engenharia Elétrica
Banca: VUNESP
Orgão: Pref. São José dos Campos-SP
Provas:
Na figura a seguir, mostra-se um recorte de uma planta de instalações elétricas predial, feita seguindo as normas brasileiras.

O eletroduto que vai do ponto de luz no teto ao interruptor do dormitório contém
Provas
Questão presente nas seguintes provas
Cadernos
Caderno Container