Foram encontradas 80 questões.
Disciplina: Engenharia Civil
Banca: Legalle
Orgão: Pref. São José Inhacorá-RS
No projeto e na execução de telhados, é importante conhecer a nomenclatura das suas partes, para garantir uma comunicação eficiente e uma correta interpretação dos desenhos técnicos. Diante disso, assinale a alternativa que relaciona CORRETAMENTE as partes do telhado com suas funções:
Provas
Disciplina: Engenharia Civil
Banca: Legalle
Orgão: Pref. São José Inhacorá-RS
O sistema construtivo Steel Frame vem ganhando popularidade na construção civil. Sobre ele, é CORRETO afirmar:
Provas
Disciplina: Engenharia Civil
Banca: Legalle
Orgão: Pref. São José Inhacorá-RS
As vergas e contravergas são elementos fundamentais na construção de alvenarias, para garantir a distribuição de cargas e evitar patologias estruturais. Sobre a função e a aplicação desses elementos, é CORRETO afirmar:
Provas
Disciplina: Engenharia Civil
Banca: Legalle
Orgão: Pref. São José Inhacorá-RS
No processo de pintura, a preparação da superfície é fundamental para garantir a aderência, a uniformidade e a durabilidade do acabamento. O uso do fundo selador desempenha um papel importante em algumas etapas desse processo. Sobre a aplicação do fundo selador, considere as assertivas:
l. O fundo selador é utilizado para uniformizar a absorção da superfície e melhorar a aderência da tinta.
ll. Ele é essencial em superfícies porosas ou novas, como alvenaria, gesso ou concreto, mas pode ser dispensado em superfícies previamente pintadas em bom estado.
lll. A aplicação do fundo selador pode ser substituída por camadas adicionais de tinta em qualquer caso.
lV. O fundo selador também contribui para a economia de tinta, reduzindo a quantidade necessária para cobrir a superfície.
Qual das alternativas abaixo está CORRETA sobre a necessidade de uso do fundo selador?
Provas
Disciplina: Engenharia Civil
Banca: Legalle
Orgão: Pref. São José Inhacorá-RS
Os métodos para análise de estruturas apresentam diferentes abordagens para resolver problemas de equilíbrio e deformações. Considerando os métodos do deslocamento, da flexibilidade, do processo de Cross e da rigidez direta, qual das alternativas destaca CORRETAMENTE as diferenças entre esses métodos?
Provas
Disciplina: Engenharia Civil
Banca: Legalle
Orgão: Pref. São José Inhacorá-RS
A finura do cimento é uma característica importante, que influencia diretamente suas propriedades e o desempenho no concreto. A maior finura é benéfica para diversas aplicações, EXCETO:
Provas
Disciplina: Engenharia Civil
Banca: Legalle
Orgão: Pref. São José Inhacorá-RS
O Cimento de Alta Resistência lnicial (ARl) se destaca pela sua capacidade de atingir altas resistências em menos tempo, o que o diferencia de outros tipos de cimento. Considerando os valores típicos de resistência em relação ao tempo, qual alternativa melhor descreve a diferença no desempenho do cimento ARl em comparação ao Cimento Portland Comum (CPC)?
Provas
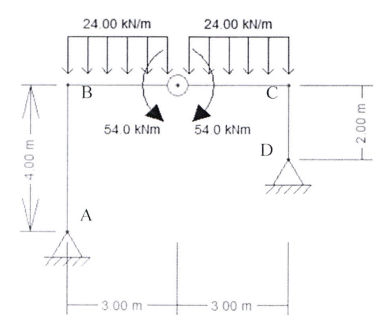
Disciplina: Engenharia Civil
Banca: Legalle
Orgão: Pref. São José Inhacorá-RS
Considere o quadro triarticulado mostrado na figura e determine o valor do esforço normal no ponto B.

Provas
Disciplina: Engenharia Ambiental e Sanitária
Banca: Legalle
Orgão: Pref. São José Inhacorá-RS
A tubulação de ventilação é um componente essencial em sistemas de esgoto e drenagem de edificações. Qual das alternativas abaixo descreve CORRETAMENTE a função da tubulação de ventilação em um sistema predial de esgoto?
Provas
Uma docente deseja conduzir um projeto em que as aprendizagens dos estudantes da Educação Infantil sejam valorizadas e utilizadas na construção dos novos conhecimentos com os quais ela irá trabalhar. Ela deseja fazer com que os estudantes criem conjecturas e que essas sejam verificadas, confrontadas, explicadas e discutidas frente ao grupo. Traduzindo esses elementos para o nível de ensino ao qual ela trabalha, é CORRETO dizer que ela trabalhará uma:
Provas
Caderno Container