Foram encontradas 50 questões.
Disciplina: Engenharia Elétrica
Banca: VUNESP
Orgão: Pref. São José Rio Preto-SP
Em uma usina hidrelétrica, um gerador síncrono trifásico de 4 polos é acionado por uma turbina hidráulica que gira a 1800 rotações por minuto (rpm).
Assinale a alternativa que apresenta corretamente a frequência da tensão elétrica gerada, considerando o regime normal de operação.
Provas
Disciplina: Eletroeletrônica
Banca: VUNESP
Orgão: Pref. São José Rio Preto-SP
Em uma instalação trifásica equilibrada, o técnico mede a potência de uma carga indutiva utilizando dois wattímetros ligados pelo método das duas leituras. As indicações obtidas foram:
W1 = 6 kW
W2 = 2 kW
Com base nesses dados, assinale a alternativa que apresenta aproximadamente as potências ativa e reativa consumidas pela carga.
Provas
Disciplina: Engenharia Elétrica
Banca: VUNESP
Orgão: Pref. São José Rio Preto-SP
Nas linhas de transmissão de energia elétrica, as tensões são elevadas por transformadores antes de serem transportadas a longas distâncias. A principal razão técnica para essa prática é que o uso de tensões elevadas
Provas
Disciplina: Engenharia Elétrica
Banca: VUNESP
Orgão: Pref. São José Rio Preto-SP
Um registrador digital trifásico de energia é configurado para realizar 256 amostragens por ciclo da forma de onda da rede elétrica. Sabendo que a frequência da rede é de 60 Hz, o tempo entre duas amostras consecutivas é de, aproximadamente,
Provas
Disciplina: Eletroeletrônica
Banca: VUNESP
Orgão: Pref. São José Rio Preto-SP
- EletrotécnicaCircuitos Elétricos em Eletricidade
- EletrotécnicaCircuitos de Corrente Contínua e de Corrente Alternada
Pesquisas mostraram que um material em estudo apresenta alta rigidez dielétrica e baixa condutividade elétrica. Sobre as propriedades e possíveis aplicações desse material, é correto afirmar que ele
Provas
Disciplina: Eletroeletrônica
Banca: VUNESP
Orgão: Pref. São José Rio Preto-SP
- EletrotécnicaCircuitos Elétricos em Eletricidade
- EletrotécnicaCircuitos de Corrente Contínua e de Corrente Alternada
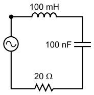
Considere o circuito da figura a seguir, em que a fonte de tensão senoidal fornece uma tensão v(t) = 112 cos ωt V.

(Arquivo pessoal; figura usada com autorização)
Assinale a alternativa que apresenta corretamente o valor de ω para o qual o módulo da impedância do circuito é mínimo.
Provas
Disciplina: Eletroeletrônica
Banca: VUNESP
Orgão: Pref. São José Rio Preto-SP
- EletrotécnicaCircuitos Elétricos em Eletricidade
- EletrotécnicaCircuitos de Corrente Contínua e de Corrente Alternada
Considere o circuito da figura a seguir, em que todas as impedâncias complexas são dadas em ohms.

(Arquivo pessoal; figura usada com autorização)
A fonte de tensão alternada fornece uma tensão eficaz de 20 V. Assim, a corrente eficaz lida pelo amperímetro é
Provas
Disciplina: Engenharia Eletrônica
Banca: VUNESP
Orgão: Pref. São José Rio Preto-SP
Em um circuito com transistor NPN funcionando como chave, o dispositivo entra na região de saturação quando
Provas
Disciplina: Eletroeletrônica
Banca: VUNESP
Orgão: Pref. São José Rio Preto-SP
Um técnico montou o seguinte circuito elétrico, constituído de resistores e baterias ideais.

(Arquivo pessoal; figura usada com autorização)
Assinale a alternativa que apresenta o valor mais próximo da potência dissipada no resistor de 30 Ω.
Provas
Dois resistores idênticos são ligados em paralelo e conectados a uma fonte ideal de corrente constante. Durante o funcionamento, um dos resistores é desconectado do circuito, permanecendo apenas o outro em funcionamento. Nessa condição, pode-se afirmar corretamente que a potência total dissipada pelo conjunto em relação à inicial
Provas
Caderno Container