Magna Concursos

Foram encontradas 467 questões.

A NR 33:2022 – Segurança e Saúde nos Trabalhos em Espaços Confinados considera atmosfera perigosa aquela em que estejam presentes as seguintes condições:

I. Deficiência ou enriquecimento de oxigênio. II. Presença de contaminantes que causam a morte do trabalhador ou enfermidades. III. Caracterização como insalubre.

Quais estão corretas?
 

Provas

Questão presente nas seguintes provas
A NR 18:2020 – Segurança e Saúde no Trabalho na Indústria da Construção refere que deve ser elaborado e implementado um plano de demolição, sob responsabilidade de profissional legalmente habilitado. O plano de demolição deve levar em consideração, EXCETO:
 

Provas

Questão presente nas seguintes provas
Segundo a NR 16:2019 – Atividades e Operações Perigosas, em seu Anexo 2 – Atividades e Operações Perigosas com Inflamáveis, no transporte de inflamáveis líquidos e gasosos liquefeitos em caminhão-tanque, terão direito ao adicional de 30% de periculosidade:
 

Provas

Questão presente nas seguintes provas
“Este material é utilizado em Equipamentos de Proteção Individual (EPI) e foi descoberto por uma cientista da Dupont chamada Stephanie Kwolek no ano de 1965 e lançado em 1982. A fibra de tem uma composição química e propriedades únicas que a difere das demais fibras sintéticas e é conhecida por sua alta resistência mecânica e leveza, que consiste em um polímero muito resistente ao calor”.

Assinale a alternativa que preenche corretamente a lacuna do trecho acima.
 

Provas

Questão presente nas seguintes provas
A Lei nº 3.204/2010, que institui a Comissão Interna de Prevenção de Acidentes (CIPA) no âmbito da Administração do Município de Sapucaia do Sul, refere que:

I. A CIPA será composta de tal forma que esteja representada a maior parte dos setores que compõem a Administração, necessariamente incluída a representação dos setores que oferecem maior risco. II. A CIPA será composta por servidores estáveis representando os trabalhadores e a Administração Pública em igual número. III. Estão aptos a votar todos os servidores estáveis ou não, bem como os ocupantes de cargos em comissão e estagiários, mediante identificação.

Quais estão corretas?
 

Provas

Questão presente nas seguintes provas
Conforme a Norma Regulamentadora (NR) 4:2022 – Serviços Especializados em Segurança e em Medicina do Trabalho, relacione a Coluna 1 à Coluna 2, associando as atividades econômicas ao grau de risco.

Coluna 1 1. Fundição de ferro e aço. 2. Bancos comerciais. 3. Comércio varejista de hortifrutigranjeiros.
Coluna 2 ( ) Um. ( ) Dois. ( ) Quatro.

A ordem correta de preenchimento dos parênteses, de cima para baixo, é:
 

Provas

Questão presente nas seguintes provas
3034322 Ano: 2023
Disciplina: Engenharia Elétrica
Banca: FUNDATEC
Orgão: Pref. Sapucaia Sul-RS
Provas:
Em relação ao processo para a geração de força eletromotriz (f.e.m.), relacione a Coluna 1 à Coluna 2, associando o processo ao seu tipo de geração.

Coluna 1 1. Por atrito. 2. Por ação química. 3. Por indução eletromagnética. 4. Por ação térmica. 5. Por compressão.
Coluna 2 ( ) Baterias, pilhas e célula combustível. ( ) Par termelétrico. ( ) Microfones e medidores de grande pressão. ( ) Geradores elétricos. ( ) Gerador de Van de Graff.

A ordem correta de preenchimento dos parênteses, de cima para baixo, é:
 

Provas

Questão presente nas seguintes provas
3034321 Ano: 2023
Disciplina: Engenharia Elétrica
Banca: FUNDATEC
Orgão: Pref. Sapucaia Sul-RS
Provas:

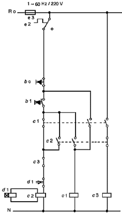
A figura abaixo apresenta um diagrama de controle com acionamento por botão:

Enunciado 3394288-1

No acionamento por botão, a operação de partida do motor é a seguinte:

O botão de comando __ aciona o contactor estrela __ e, ao mesmo tempo, o dispositivo de retardamento __; o contato fechado de __ atua sobre o contato de __, fechando a bobina __ do contactor da rede. Assim o motor parte em estrela.

Assinale a alternativa que preenche, correta e respectivamente, as lacunas do trecho acima.

 

Provas

Questão presente nas seguintes provas
3034320 Ano: 2023
Disciplina: Engenharia Elétrica
Banca: FUNDATEC
Orgão: Pref. Sapucaia Sul-RS
Provas:
Segundo a ABNT 5410:2004, as prescrições da seção sobre capacidades de condução de correntes são destinadas a garantir uma vida satisfatória a condutores e isolações, submetidos aos efeitos térmicos produzidos pela circulação de correntes equivalentes às suas capacidades de condução de corrente, durante períodos prolongados em serviço normal. Outras considerações intervêm na determinação da seção dos condutores, tais como a proteção contra choques elétricos, proteção contra efeitos térmicos, proteção contra sobrecorrentes, queda de tensão, bem como as temperaturas máximas admissíveis pelos terminais dos componentes da instalação aos quais os condutores são ligados. Sobre a associação dos métodos de instalação para os quais a capacidade de condução de corrente foi determinada, analise as assertivas abaixo, assinalando V, se verdadeiras, ou F, se falsas.

( ) A1: condutores isolados em eletroduto de seção circular embutido em parede termicamente isolante. ( ) A2: cabos unipolares ou cabo multipolar sobre parede de madeira. ( ) B2: cabo multipolar em eletroduto de seção circular sobre parede de madeira. ( ) D: cabo multipolar ao ar livre. ( ) F: cabos unipolares justapostos (na horizontal, na vertical ou em trifólio) ao ar livre.

A ordem correta de preenchimento dos parênteses, de cima para baixo, é:
 

Provas

Questão presente nas seguintes provas
3034319 Ano: 2023
Disciplina: Engenharia Elétrica
Banca: FUNDATEC
Orgão: Pref. Sapucaia Sul-RS
Provas:
A introdução da ABNT NBR 5419-1:2015 apresenta a seguinte informação:

“Não há dispositivos ou métodos capazes de modificar os fenômenos climáticos naturais a ponto de se prevenir a ocorrência de descargas atmosféricas. As descargas atmosféricas que atingem estruturas (ou linhas elétricas e tubulações metálicas que adentram nas estruturas) ou que atingem a terra em suas proximidades são perigosas às pessoas, às próprias estruturas, seus conteúdos e instalações. Portanto, medidas de proteção contra descargas atmosféricas devem ser consideradas”.

Todas as medidas de proteção contra descargas atmosféricas formam a proteção completa contra descargas atmosféricas. Por razões práticas, os critérios para gerenciamento de risco, projeto, instalação e manutenção das medidas de proteção são considerados separadamente, conforme o descrito nas Normas a seguir:

I. A ABNT NBR 5419-2:2015 se refere ao método de gerenciamento de risco e apresenta a necessidade de proteção, os benefícios econômicos da instalação de medidas de proteção e a escolha das medidas adequadas de proteção determinadas em termos do gerenciamento de risco. II. A ABNT NBR 5419-3:2015 se refere às medidas de proteção para reduzir falhas de sistemas elétricos e eletrônicos em uma estrutura. III. A ABNT NBR 5419-4:2015 se refere às medidas de proteção para reduzir danos físicos e riscos à vida dentro de uma estrutura.

Quais estão corretas?
 

Provas

Questão presente nas seguintes provas