Foram encontradas 40 questões.
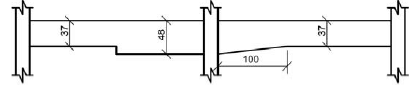
Disciplina: Desenho Técnico e Industrial
Banca: CEPERJ
Orgão: Pref. Saquarema-RJ
A figura abaixo apresenta a viga de concreto armado V1 de uma edificação em elevação.

A opção que apresenta uma vista em planta dessa viga é:
Provas
É PRECISO AVANÇAR NOS ESPAÇOS DE PODER PARA CHEGAR À
EQUIDADE DE GÊNERO
Em meio a muitas adversidades enfrentadas no dia a dia, as mulheres vêm conquistando alguns avanços no mercado de trabalho. A situação ainda está muito longe da ideal, mas um estudo mostra que seguimos em direção a um mercado de trabalho com maior igualdade de gênero.
Desemprego
A taxa de desemprego da mulher é sistematicamente maior que a dos homens, mas, recentemente, a diferença vem diminuindo, o que indica a criação de mais postos de trabalhos para elas. Mesmo assim, as mulheres ainda correspondem a mais da metade do número de desempregados.
Todo o movimento de elevação do número de postos de trabalho com carteira de trabalho assinada, no período recente, beneficiou também as mulheres. Contudo, quando ocupadas, elas encontram maior dificuldade de ascensão profissional, principalmente para chegar a cargos de chefia. E, em termos gerais, ganham menos do que os homens, apesar de possuir maior escolaridade.
Mais cara
Também não é admissível que continue a vigorar o pensamento que diz que a mão de obra feminina é mais cara porque a mulher engravida ou precisa cuidar dos filhos ou dos pais. É preciso intensifi car ainda mais a discussão, já em pauta, sobre a necessidade de se compartilhar as responsabilidades familiares e, para isso, é preciso repensar os papéis socialmente atribuídos ao homem e à mulher. Enquanto o homem ocupado faz cerca de 9,8 horas semanais de serviços domésticos, a mulher ocupada faz 20,6 horas, segundo dados da Pesquisa Nacional por Amostra de Domicílios, do Instituto Brasileiro de Geografi a e Estatística (Pnad/IBGE). Por que a maior parte do trabalho doméstico precisa ser feita pela mulher?
Para promover a igualdade de condições de inserção da mulher no mercado de trabalho, as políticas públicas precisam universalizar o direito de acesso às creches, à educação infantil, básica e média, em tempo integral, assim como assegurar serviços que possam amparar as famílias nos cuidados com os idosos.
Clemente Ganz Lúcio Patrícia Lino Costa (Extraído de: carosamigos.com.br)
A proposta já formulada no título, que será desenvolvida ao longo do texto, consiste em:
Provas
É PRECISO AVANÇAR NOS ESPAÇOS DE PODER PARA CHEGAR À
EQUIDADE DE GÊNERO
Em meio a muitas adversidades enfrentadas no dia a dia, as mulheres vêm conquistando alguns avanços no mercado de trabalho. A situação ainda está muito longe da ideal, mas um estudo mostra que seguimos em direção a um mercado de trabalho com maior igualdade de gênero.
Desemprego
A taxa de desemprego da mulher é sistematicamente maior que a dos homens, mas, recentemente, a diferença vem diminuindo, o que indica a criação de mais postos de trabalhos para elas. Mesmo assim, as mulheres ainda correspondem a mais da metade do número de desempregados.
Todo o movimento de elevação do número de postos de trabalho com carteira de trabalho assinada, no período recente, beneficiou também as mulheres. Contudo, quando ocupadas, elas encontram maior dificuldade de ascensão profissional, principalmente para chegar a cargos de chefia. E, em termos gerais, ganham menos do que os homens, apesar de possuir maior escolaridade.
Mais cara
Também não é admissível que continue a vigorar o pensamento que diz que a mão de obra feminina é mais cara porque a mulher engravida ou precisa cuidar dos filhos ou dos pais. É preciso intensificar ainda mais a discussão, já em pauta, sobre a necessidade de se compartilhar as responsabilidades familiares e, para isso, é preciso repensar os papéis socialmente atribuídos ao homem e à mulher. Enquanto o homem ocupado faz cerca de 9,8 horas semanais de serviços domésticos, a mulher ocupada faz 20,6 horas, segundo dados da Pesquisa Nacional por Amostra de Domicílios, do Instituto Brasileiro de Geografia e Estatística (Pnad/IBGE). Por que a maior parte do trabalho doméstico precisa ser feita pela mulher?
Para promover a igualdade de condições de inserção da mulher no mercado de trabalho, as políticas públicas precisam universalizar o direito de acesso às creches, à educação infantil, básica e média, em tempo integral, assim como assegurar serviços que possam amparar as famílias nos cuidados com os idosos.
Clemente Ganz Lúcio Patrícia Lino Costa (Extraído de: carosamigos.com.br)
Entre as propostas de mudança apontadas pelo texto, a igualdade de condições da mulher depende de:
Provas
Disciplina: Desenho Técnico e Industrial
Banca: CEPERJ
Orgão: Pref. Saquarema-RJ
A figura a seguir apresenta a planta de situação de uma casa linear.

Sobre essa planta, responda à questão.
A taxa de ocupação desse terreno vale, aproximadamente:
Provas
Disciplina: Desenho Técnico e Industrial
Banca: CEPERJ
Orgão: Pref. Saquarema-RJ
Em uma planta, a distância medida entre dois pontos vale 5cm. Sabendo-se que essa planta foi gerada com escala 1:250, a distância real entre os dois pontos medidos vale:
Provas
Disciplina: Desenho Técnico e Industrial
Banca: CEPERJ
Orgão: Pref. Saquarema-RJ
Em um desenho de arquitetura realizado com instrumentos, a menor altura admissível para as letras e números a serem utilizados nesse desenho vale:
Provas
Disciplina: Desenho Técnico e Industrial
Banca: CEPERJ
Orgão: Pref. Saquarema-RJ
Observe atentamente a folha de desenho apresentada na figura a seguir.

Sobre essa folha, responda à questão.
As margens esquerda e superior dessa folha medem, respectivamente:
Provas
É PRECISO AVANÇAR NOS ESPAÇOS DE PODER PARA CHEGAR À
EQUIDADE DE GÊNERO
Em meio a muitas adversidades enfrentadas no dia a dia, as mulheres vêm conquistando alguns avanços no mercado de trabalho. A situação ainda está muito longe da ideal, mas um estudo mostra que seguimos em direção a um mercado de trabalho com maior igualdade de gênero.
Desemprego
A taxa de desemprego da mulher é sistematicamente maior que a dos homens, mas, recentemente, a diferença vem diminuindo, o que indica a criação de mais postos de trabalhos para elas. Mesmo assim, as mulheres ainda correspondem a mais da metade do número de desempregados.
Todo o movimento de elevação do número de postos de trabalho com carteira de trabalho assinada, no período recente, beneficiou também as mulheres. Contudo, quando ocupadas, elas encontram maior dificuldade de ascensão profissional, principalmente para chegar a cargos de chefia. E, em termos gerais, ganham menos do que os homens, apesar de possuir maior escolaridade.
Mais cara
Também não é admissível que continue a vigorar o pensamento que diz que a mão de obra feminina é mais cara porque a mulher engravida ou precisa cuidar dos filhos ou dos pais. É preciso intensificar ainda mais a discussão, já em pauta, sobre a necessidade de se compartilhar as responsabilidades familiares e, para isso, é preciso repensar os papéis socialmente atribuídos ao homem e à mulher. Enquanto o homem ocupado faz cerca de 9,8 horas semanais de serviços domésticos, a mulher ocupada faz 20,6 horas, segundo dados da Pesquisa Nacional por Amostra de Domicílios, do Instituto Brasileiro de Geografia e Estatística (Pnad/IBGE). Por que a maior parte do trabalho doméstico precisa ser feita pela mulher?
Para promover a igualdade de condições de inserção da mulher no mercado de trabalho, as políticas públicas precisam universalizar o direito de acesso às creches, à educação infantil, básica e média, em tempo integral, assim como assegurar serviços que possam amparar as famílias nos cuidados com os idosos.
Clemente Ganz Lúcio Patrícia Lino Costa (Extraído de: carosamigos.com.br)
O par de palavras que melhor caracteriza, na visão dos autores, os patamares atuais da condição feminina no mercado de trabalho é:
Provas
Disciplina: Desenho Técnico e Industrial
Banca: CEPERJ
Orgão: Pref. Saquarema-RJ
Observe a poligonal apresentada abaixo.

Com a aplicação, no programa Autocad, do comando PEDIT seguido da opção FIT, a poligonal se torna:
Provas
É PRECISO AVANÇAR NOS ESPAÇOS DE PODER PARA CHEGAR À
EQUIDADE DE GÊNERO
Em meio a muitas adversidades enfrentadas no dia a dia, as mulheres vêm conquistando alguns avanços no mercado de trabalho. A situação ainda está muito longe da ideal, mas um estudo mostra que seguimos em direção a um mercado de trabalho com maior igualdade de gênero.
Desemprego
A taxa de desemprego da mulher é sistematicamente maior que a dos homens, mas, recentemente, a diferença vem diminuindo, o que indica a criação de mais postos de trabalhos para elas. Mesmo assim, as mulheres ainda correspondem a mais da metade do número de desempregados.
Todo o movimento de elevação do número de postos de trabalho com carteira de trabalho assinada, no período recente, beneficiou também as mulheres. Contudo, quando ocupadas, elas encontram maior dificuldade de ascensão profissional, principalmente para chegar a cargos de chefia. E, em termos gerais, ganham menos do que os homens, apesar de possuir maior escolaridade.
Mais cara
Também não é admissível que continue a vigorar o pensamento que diz que a mão de obra feminina é mais cara porque a mulher engravida ou precisa cuidar dos filhos ou dos pais. É preciso intensificar ainda mais a discussão, já em pauta, sobre a necessidade de se compartilhar as responsabilidades familiares e, para isso, é preciso repensar os papéis socialmente atribuídos ao homem e à mulher. Enquanto o homem ocupado faz cerca de 9,8 horas semanais de serviços domésticos, a mulher ocupada faz 20,6 horas, segundo dados da Pesquisa Nacional por Amostra de Domicílios, do Instituto Brasileiro de Geografia e Estatística (Pnad/IBGE). Por que a maior parte do trabalho doméstico precisa ser feita pela mulher?
Para promover a igualdade de condições de inserção da mulher no mercado de trabalho, as políticas públicas precisam universalizar o direito de acesso às creches, à educação infantil, básica e média, em tempo integral, assim como assegurar serviços que possam amparar as famílias nos cuidados com os idosos.
Clemente Ganz Lúcio Patrícia Lino Costa (Extraído de: carosamigos.com.br)
De acordo com o texto, a situação das mulheres atualmente:
Provas
Caderno Container