Foram encontradas 40 questões.
Observe a figura abaixo, que apresenta parte de uma instalação elétrica de uma edificação.

Sobre essa figura, responda à questão.
Para que a tomada funcione adequadamente, é necessário que no eletroduto Y haja:
Provas
APRENDER A PENSAR
Nosso olhar está impregnado de preconceitos. Uma das miopias que carregamos é considerar criança ignorante. Nós, adultos, sabemos; as crianças não sabem.
O educador e cientista Glenn Doman se colocou a pergunta: em que fase da vida aprendemos as coisas mais importantes que sabemos?
As coisas mais importantes que todos sabemos é falar, andar, movimentar- se, distinguir olfatos, cores, fatores que representam perigo, diferentes sabores etc. Quando aprendemos isso? Ora, 90% de tudo que é importante para fazer de nós seres humanos, aprendemos entre zero e seis anos, período que Doman considera “a idade do gênio”.
Ocorre que a educação não investe nessa idade. Nascemos com 86 bilhões de neurônios em nosso cérebro. As sinapses, as conexões cerebrais, se dão de maneira acelerada nos primeiros anos da vida.
Glenn Doman tratou crianças com deformações esqueléticas incorrigíveis, porém de cérebro sadio. Hoje são adultos que falam diversos idiomas, dominam música, computação etc. São pessoas felizes, com boa autoestima. Ao conhecer no Japão um professor que adotou o método dele, foi recebido por uma orquestra de crianças; todas tocavam violino. A mais velha tinha quatro anos...
Ele ensina em seus livros como se faz uma criança, de três ou quatro anos, aprender um instrumento musical ou se autoalfabetizar sem curso específico de alfabetização. Isso foi testado na minha família e deu certo. Tenho um sobrinho-neto alfabetizado através de fichas. A mãe lia para ele histórias infantis e, em seguida, fazia fichas de palavras e as repetia. De repente, o menino começou a ler antes de ir para a escola.
Se me perguntassem: para o Brasil dar certo, que reformas precisariam ser feitas? Eu diria: uma objetiva, e outra subjetiva. A objetiva é a reforma agrária. Brasil e Argentina são os únicos países das três Américas que nunca passaram por uma reforma agrária. O detalhe é que somos o único país das Américas com área cultivável de 600 milhões de hectares, e com enorme potencial de produção extrativa, como é o caso da Amazônia. No Continente, nenhum outro país se iguala ao nosso em possibilidade produtiva.
A reforma subjetiva seria a da educação. Todo o potencial da nossa vida depende da educação recebida. A educação no Brasil nunca foi suficientemente valorizada. E sofreu um trauma durante a ditadura militar, ao adotar o método usamericano de não qualificação dos conteúdos, e sim de quantificação.
Sobretudo suprimiu do currículo disciplinas que nos ajudam a pensar, como filosofia e sociologia, agora reintroduzidas em algumas escolas de ensino médio. Durante décadas foram proibidas, tanto que em Belo Horizonte um professor, aos sábados, resolveu, por conta própria, dar aula de filosofia para alunos que se interessassem. O êxito foi tamanho, que a escola teve que introduzi-la no currículo.
Frei Betto (domtotal.com/colunas/)
A palavra “décadas” é acentuada pela mesma razão de:
Provas
Em um levantamento topográfico, as linhas que indicam pontos que possuem as mesmas cotas são denominadas de:
Provas
Observe a figura abaixo, que apresenta parte de uma instalação elétrica de uma edificação.

Sobre essa figura, responda à questão.
Para que a lâmpada funcione adequadamente, é necessário que no eletroduto X haja:
Provas
Uma estrutura é dita de concreto armado quando suas peças são constituídas de concreto, com a inclusão de barras de aço no seu interior quando de sua confecção. A principal função do aço nesse tipo de estrutura é suprir a deficiência do concreto em suportar:
Provas
Em uma instalação de esgoto sanitário predial, o prolongamento do tubo de queda acima do ramal mais alto a ele ligado, e com extremidade superior situada acima da cobertura do prédio, aberta à atmosfera, é denominado:
Provas
APRENDER A PENSAR
Nosso olhar está impregnado de preconceitos. Uma das miopias que carregamos é considerar criança ignorante. Nós, adultos, sabemos; as crianças não sabem.
O educador e cientista Glenn Doman se colocou a pergunta: em que fase da vida aprendemos as coisas mais importantes que sabemos?
As coisas mais importantes que todos sabemos é falar, andar, movimentar- se, distinguir olfatos, cores, fatores que representam perigo, diferentes sabores etc. Quando aprendemos isso? Ora, 90% de tudo que é importante para fazer de nós seres humanos, aprendemos entre zero e seis anos, período que Doman considera “a idade do gênio”.
Ocorre que a educação não investe nessa idade. Nascemos com 86 bilhões de neurônios em nosso cérebro. As sinapses, as conexões cerebrais, se dão de maneira acelerada nos primeiros anos da vida.
Glenn Doman tratou crianças com deformações esqueléticas incorrigíveis, porém de cérebro sadio. Hoje são adultos que falam diversos idiomas, dominam música, computação etc. São pessoas felizes, com boa autoestima. Ao conhecer no Japão um professor que adotou o método dele, foi recebido por uma orquestra de crianças; todas tocavam violino. A mais velha tinha quatro anos...
Ele ensina em seus livros como se faz uma criança, de três ou quatro anos, aprender um instrumento musical ou se autoalfabetizar sem curso específico de alfabetização. Isso foi testado na minha família e deu certo. Tenho um sobrinho-neto alfabetizado através de fichas. A mãe lia para ele histórias infantis e, em seguida, fazia fichas de palavras e as repetia. De repente, o menino começou a ler antes de ir para a escola.
Se me perguntassem: para o Brasil dar certo, que reformas precisariam ser feitas? Eu diria: uma objetiva, e outra subjetiva. A objetiva é a reforma agrária. Brasil e Argentina são os únicos países das três Américas que nunca passaram por uma reforma agrária. O detalhe é que somos o único país das Américas com área cultivável de 600 milhões de hectares, e com enorme potencial de produção extrativa, como é o caso da Amazônia. No Continente, nenhum outro país se iguala ao nosso em possibilidade produtiva.
A reforma subjetiva seria a da educação. Todo o potencial da nossa vida depende da educação recebida. A educação no Brasil nunca foi suficientemente valorizada. E sofreu um trauma durante a ditadura militar, ao adotar o método usamericano de não qualificação dos conteúdos, e sim de quantificação.
Sobretudo suprimiu do currículo disciplinas que nos ajudam a pensar, como filosofia e sociologia, agora reintroduzidas em algumas escolas de ensino médio. Durante décadas foram proibidas, tanto que em Belo Horizonte um professor, aos sábados, resolveu, por conta própria, dar aula de filosofia para alunos que se interessassem. O êxito foi tamanho, que a escola teve que introduzi-la no currículo.
Frei Betto (domtotal.com/colunas/)
Em “Ao conhecer no Japão um professor que adotou o método dele”, a palavra destacada possui valor semântico de:
Provas
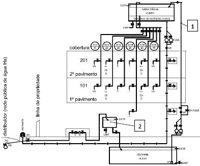
A figura abaixo apresenta o diagrama vertical da instalação de água fria de uma edificação.

Sobre essa instalação, responda à questão
A tubulação indicada pelo número 1 é conhecida como:
Provas
Para a execução da parede de uma construção, pode-se optar por utilizar tijolos maciços ou tijolos furados. Comparando-se essas duas alternativas, pode-se dizer que os tijolos furados apresentam:
Provas
APRENDER A PENSAR
Nosso olhar está impregnado de preconceitos. Uma das miopias que carregamos é considerar criança ignorante. Nós, adultos, sabemos; as crianças não sabem.
O educador e cientista Glenn Doman se colocou a pergunta: em que fase da vida aprendemos as coisas mais importantes que sabemos?
As coisas mais importantes que todos sabemos é falar, andar, movimentar- se, distinguir olfatos, cores, fatores que representam perigo, diferentes sabores etc. Quando aprendemos isso? Ora, 90% de tudo que é importante para fazer de nós seres humanos, aprendemos entre zero e seis anos, período que Doman considera “a idade do gênio”.
Ocorre que a educação não investe nessa idade. Nascemos com 86 bilhões de neurônios em nosso cérebro. As sinapses, as conexões cerebrais, se dão de maneira acelerada nos primeiros anos da vida.
Glenn Doman tratou crianças com deformações esqueléticas incorrigíveis, porém de cérebro sadio. Hoje são adultos que falam diversos idiomas, dominam música, computação etc. São pessoas felizes, com boa autoestima. Ao conhecer no Japão um professor que adotou o método dele, foi recebido por uma orquestra de crianças; todas tocavam violino. A mais velha tinha quatro anos...
Ele ensina em seus livros como se faz uma criança, de três ou quatro anos, aprender um instrumento musical ou se autoalfabetizar sem curso específi co de alfabetização. Isso foi testado na minha família e deu certo. Tenho um sobrinho-neto alfabetizado através de fichas. A mãe lia para ele histórias infantis e, em seguida, fazia fichas de palavras e as repetia. De repente, o menino começou a ler antes de ir para a escola.
Se me perguntassem: para o Brasil dar certo, que reformas precisariam ser feitas? Eu diria: uma objetiva, e outra subjetiva. A objetiva é a reforma agrária. Brasil e Argentina são os únicos países das três Américas que nunca passaram por uma reforma agrária. O detalhe é que somos o único país das Américas com área cultivável de 600 milhões de hectares, e com enorme potencial de produção extrativa, como é o caso da Amazônia. No Continente, nenhum outro país se iguala ao nosso em possibilidade produtiva.
A reforma subjetiva seria a da educação. Todo o potencial da nossa vida depende da educação recebida. A educação no Brasil nunca foi suficientemente valorizada. E sofreu um trauma durante a ditadura militar, ao adotar o método usamericano de não qualificação dos conteúdos, e sim de quantificação.
Sobretudo suprimiu do currículo disciplinas que nos ajudam a pensar, como filosofia e sociologia, agora reintroduzidas em algumas escolas de ensino médio. Durante décadas foram proibidas, tanto que em Belo Horizonte um professor, aos sábados, resolveu, por conta própria, dar aula de filosofia para alunos que se interessassem. O êxito foi tamanho, que a escola teve que introduzi-la no currículo.
Frei Betto (domtotal.com/colunas/)
Ao longo do texto, percebe-se que o título pode ter mais de uma referência. “Aprender a pensar” refere-se a:
Provas
Caderno Container