Foram encontradas 546 questões.
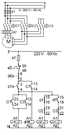
Atente para o diagrama unifilar do projeto de uma instalação elétrica de uma residência representado na figura abaixo.

Considerando o diagrama acima, é correto afirmar que
Provas
As curvas mostradas na figura a seguir representam o comportamento do torque eletromagnético em função da variação da carga dos motores de corrente contínua, supondo que cada tipo de motor teve sua partida devidamente realizada e foi acelerado, de modo que sua armadura esteja ligada diretamente aos terminais de linha.

A curva 1, indicada na figura acima, representa o comportamento do motor CC
Provas

Provas
Assinale a opção que corresponde à representação no espaço de estado do sistema mostrado na figura a seguir, admitindo-se que as variáveis de estado são definidas por: X1 =VC ; X2 =iL ; u=Vi e y=Vo .

Provas
Provas
Provas
Provas
Atente à seguinte afirmação:
“Quando um condutor se move através de um campo magnético, cortando linhas de fluxo desse campo, ocorre a indução de uma tensão elétrica sobre o condutor e, também, quando há uma variação temporal do fluxo magnético, cujas linhas de força incidem cruzando um condutor estacionário, ocorrerá uma tensão induzida”.
A relação entre a tensão induzida e a taxa de variação de fluxo magnético que atravessa o condutor é dada pela Lei de
Provas
Provas
Provas
Caderno Container