Foram encontradas 599 questões.
1279004
Ano: 2019
Disciplina: Agronomia (Engenharia Agronômica)
Banca: UECE
Orgão: Pref. Sobral-CE
Disciplina: Agronomia (Engenharia Agronômica)
Banca: UECE
Orgão: Pref. Sobral-CE
Provas:
São raças bovinas:
Provas
Questão presente nas seguintes provas
1279001
Ano: 2019
Disciplina: Agronomia (Engenharia Agronômica)
Banca: UECE
Orgão: Pref. Sobral-CE
Disciplina: Agronomia (Engenharia Agronômica)
Banca: UECE
Orgão: Pref. Sobral-CE
Provas:
Uma das frequentes causas de mortalidade nos rebanhos de caprinos e ovinos é a ingestão de plantas tóxicas que ocorrem principalmente nos períodos em que há menor disponibilidade de pastagens e os animais estão passando por carência nutricional. Relacione corretamente o nome da planta com o(s) respectivo(s) sintomas da intoxicação, numerando a Coluna II de acordo com a Coluna I.
| Coluna I | Coluna II |
| 1. Algaroba |
( ) queda de pelos nas regiões da cabeça e inserção da cauda
|
| 2. Leucena |
( ) elevação da frequência cardiorrespiratória, colapso e morte
|
|
3. Mandiocas e
maniçobas
|
( ) redução da atividade ruminal, paralisia parcial da língua, salivação excessiva, edema submandibular
|
A sequência correta, de cima para baixo, é:
Provas
Questão presente nas seguintes provas
Numa planilha que utiliza referências relativas e absolutas, como o MS EXCEL, se a fórmula =$B1+C$2-$D$1 localizada na célula A5, for copiada e colada na célula B10, a fórmula na célula de destino é escrita por
Provas
Questão presente nas seguintes provas
1278988
Ano: 2019
Disciplina: Direito da Criança e do Adolescente
Banca: UECE
Orgão: Pref. Sobral-CE
Disciplina: Direito da Criança e do Adolescente
Banca: UECE
Orgão: Pref. Sobral-CE
O adolescente CBM, 17 (dezessete) anos de idade, foi flagrado na prática de ato infracional descrito como dano ao patrimônio público. Conduzido à delegacia, após ser ouvido pela autoridade policial, e não restando dúvida quanto à autoria do fato, esta achou por bem aplicar ao adolescente a medida socioeducativa de reparação de danos. Determinou que o adolescente realizasse a pintura de um dos bancos da Praça da Matriz, que fora por ele danificado. E, finalizada a reparação, o mesmo deveria, mais uma vez, apresentar-se à autoridade policial, a fim de receber os documentos e pertences que ficaram retidos na delegacia.
A situação descrita aponta um caso exemplar de abuso de autoridade. Considerando o que está explicitado no enunciado da questão, assinale a opção que contém uma incontestável afronta ao que prescreve o Estatuto da Criança e do Adolescente.
Provas
Questão presente nas seguintes provas
O desenvolvimento organizacional (DO) faz parte do campo de estudo do comportamento organizacional, tendo início e fim bem definidos. Consiste em um processo de mudança organizacional de forma planejada. Do ponto de vista teórico e metodológico, o processo de DO pode ser efetuado por abordagens diferentes. A abordagem, normalmente, é definida pela escola adotada pelo agente principal de mudança, seja ele um consultor contratado ou empregado da organização.
A abordagem mais desenvolvida ultimamente que tem nas pessoas o seu foco de ação, sendo por elas que se obtém a mudança organizacional – “ mudam-se as pessoas e elas facilitam a mudança” – das demais variáveis organizacionais, sendo o principal fundamento filosófico desta abordagem a equalização de poder dentro das organizações, que deixa de ser centrado no agente de mudança e/ou autoridade hierárquica, sendo compartilhado com aqueles que estão envolvidos no processo de mudança, de modo que possam nele influir. Essa definição corresponde à abordagem
Provas
Questão presente nas seguintes provas
1278948
Ano: 2019
Disciplina: Agronomia (Engenharia Agronômica)
Banca: UECE
Orgão: Pref. Sobral-CE
Disciplina: Agronomia (Engenharia Agronômica)
Banca: UECE
Orgão: Pref. Sobral-CE
Provas:
Assinale a opção que corresponde a animais considerados não ruminantes.
Provas
Questão presente nas seguintes provas
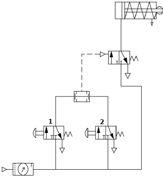
Observe o circuito pneumático representado na figura a seguir.

Considerando o circuito pneumático, acima apresentado, é correto afirmar que
Provas
Questão presente nas seguintes provas
1278928
Ano: 2019
Disciplina: Segurança e Saúde no Trabalho (SST)
Banca: UECE
Orgão: Pref. Sobral-CE
Disciplina: Segurança e Saúde no Trabalho (SST)
Banca: UECE
Orgão: Pref. Sobral-CE
A doença ocupacional decorrente da inalação de poeiras que contêm partículas de amianto é denominada
Provas
Questão presente nas seguintes provas
Um marco topográfico está localizado a 6 cm de outro marco, medidos sobre um mapa de escala 1:400.000. Considerando que não há distorções normais de sua projeção, é correto dizer que a distância real (no terreno) entre estes marcos, em km, é
Provas
Questão presente nas seguintes provas
1265258
Ano: 2019
Disciplina: Direito da Criança e do Adolescente
Banca: UECE
Orgão: Pref. Sobral-CE
Disciplina: Direito da Criança e do Adolescente
Banca: UECE
Orgão: Pref. Sobral-CE
No conjunto de direitos que o Estatuto da Juventude consagra aos jovens, há alguns que se destinam àqueles que são pertencentes a famílias de baixa renda. Para fins de garantia de tais direitos, este estatuto considera família de baixa renda aquela
Provas
Questão presente nas seguintes provas
Cadernos
Caderno Container