Foram encontradas 1.077 questões.
Provas
Admitindo um solo não coesivo, com ângulo de atrito interno igual 30º, a relação entre o coeficiente de empuxo ativo (Ka) e o coeficiente de empuxo passivo (Kp) é
Provas
Analisando as curvas de nível de um levantamento planialtimétrico dadas pela figura, conclui-se que o perfil representado refere-se à linha de corte

Provas
Um rumo pode ter como referência a linha norte-sul verdadeira (geográfica) ou magnética, sendo denominado, respectivamente, rumo verdadeiro e rumo magnético. Sabendo que o segmento AB possui rumo magnético igual a N 85º 40' W e a declinação magnética local de 10º 40' para W na mesma data, tem-se que o rumo verdadeiro de AB é
Provas
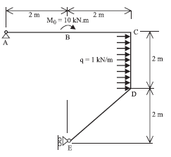
Considere a estrutura plana da figura, em que A é uma articulação fixa e E é uma articulação móvel. As cargas ativas são o momento M0 = 10 kN.m, aplicado em B, e a carga uniformemente distribuída q = 1 kN/m, aplicada no trecho CD. O momento fletor em valor absoluto no ponto D vale 
Provas
Uma barra de aço tem seção transversal retangular de 20 mm por 60 mm e está submetida à ação de dois momentos iguais e de sentidos contrários em suas extremidades, que agem em um plano vertical de simetria da barra, conforme a figura. Se a tensão de escoamento é σe = 250 MPa, então, o valor do momento que provoca escoamento no material da barra, em kN.m, é

Provas
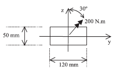
Das condições de carregamento em uma barra de seção transversal retangular 50 mm x 120 mm resulta um momento de 200 N.m, aplicado em um plano que forma um ângulo de 30º com o eixo z, de acordo com a figura. Considerando-se sen 30º = 0,50 e cos 30º = 0,87, a tensão no ponto de coordenadas z = 0 e y = +60 mm, em MPa, é

Provas
O ensaio mais utilizado para determinação da resistência não-drenada do solo mole recebe o nome de ensaio
Provas
Quanto à classificação dos livros contábeis, pode-se dizer que o Razão é um livro
Provas
A situação líquida é positiva quando o ativo total é
Provas
Caderno Container