Foram encontradas 30 questões.
Um eletricista, ao realizar a manutenção em um circuito elétrico de iluminação de 200W/127Volts A/C, precisou utilizar o multímetro da figura abaixo. Para encontrar o defeito, ele utilizou primeiro a escala de medição de tensão alternada e constatou que não havia tensão no circuito. Em seguida, realizou o teste de continuidade e verificou que um dos fios estava rompido. Após realizar o reparo, o eletricista aferiu a corrente elétrica e verificou no display do equipamento uma leitura de 1,5 ampères.
Considerando a ordem de execução do reparo pelo eletricista, assinale a sequência correta de posicionamento das escalas utilizadas no multímetro.
Provas
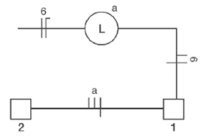
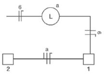
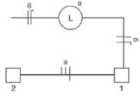
Considerando o circuito da figura abaixo, assinale a afirmativa correta.

Provas
Disciplina: Engenharia Eletrônica
Banca: UFMT
Orgão: Pref. Tangará Serra-MT
A manutenção preventiva é toda a ação sistemática de controle e monitoramento, com o objetivo de reduzir ou impedir falhas no desempenho de equipamentos. NÃO é considerado/a manutenção preventiva:
Provas
A coluna da esquerda apresenta tipos de esquema de aterramento presentes na norma brasileira de instalações elétricas de baixa tensão NBR 5410 e a da direita, a caracterização de cada um. Numere a primeira coluna com a última.
1. Esquema TN
2. Esquema TT
3. Esquema IT
( ) Possui um ponto da alimentação diretamente aterrado, estando as massas da instalação ligadas a eletrodo(s) de aterramento eletricamente distinto(s) do eletrodo de aterramento da alimentação.
( ) Todas as partes vivas são isoladas da terra ou um ponto da alimentação é aterrado através de impedância.
( ) Possui um ponto da alimentação diretamente aterrado, sendo as massas ligadas a esse ponto através de condutores de proteção.
Marque a sequência correta.
Provas
Interruptor three-way (Sw) ou paralelo é usado em escadas ou dependências cujas luzes, pela extensão ou por comodidade, deseja-se apagar ou acender em dois pontos diferentes. Marque o diagrama unifilar que representa esse tipo de ligação.
Provas
Observe a figura abaixo, que apresenta um projeto elétrico residencial.

(Fonte: CREDER, Hélio. Instalações Elétricas, 16ª edição. LTC, 02/2016.)
De acordo com a simbologia presente na figura, é correto afirmar:
Provas
Considere os conceitos de resistores série e paralelo para a figura abaixo.

Qual o valor da resistência entre os pontos A e B?
Provas
Sobre os conceitos básicos de eletricidade, marque V para as afirmativas verdadeiras e F para as falsas.
( ) A diferença entre os potenciais elétricos de dois pontos de uma região de um campo eletrostático é chamada de diferença de potencial, f.e.m. ou tensão elétrica entre esses dois pontos.
( ) A corrente elétrica é o fluxo de cargas que atravessa a seção reta de um condutor, na unidade de tempo.
( ) Chama-se de resistência elétrica a oposição interna do material à circulação das cargas. Por isso, os corpos maus condutores têm resistência baixa, e os bons condutores têm maior resistência.
( ) Os circuitos séries são aqueles em que todos os elementos estão submetidos à mesma diferença de potencial.
( ) Em eletricidade, a potência é o produto da resistência pelo quadrado da corrente.
Assinale a sequência correta.
Provas
Disciplina: Engenharia Eletrônica
Banca: UFMT
Orgão: Pref. Tangará Serra-MT
Os capacitores utilizados para realizar a partida em ventiladores são comercializados na unidade de microfarad (μF), conforme apresentado na figura abaixo.

O prefixo micro significa:
Provas
Considerando o disposto na Lei nº 2.875/2008 do Município de Tangará da Serra/MT sobre provimento de cargos, é INCORRETO afirmar:
Provas
Caderno Container