Foram encontradas 320 questões.
O circuito mostrado na figura a seguir apresenta um transformador ideal com o número de espiras de cada enrolamento indicado no diagrama, e com potência aparente nominal de 10 kVA.

(Arquivo pessoal; imagem usada com autorização)
A corrente nominal de secundário I2 do transformador é igual a
Provas
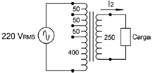
Considere o circuito apresentado na figura a seguir, no qual o transformador é ideal e a relação de espiras é apresentada.

(Arquivo pessoal; imagem usada com autorização)
O valor de V1 que produz uma dissipação de potência de 50 W em RL é de
Provas
A bobina de um contator de grande porte está sem a identificação de valor nominal de tensão, mas apresenta a indicação de que a corrente de operação é de 0,24 A em 60 Hz. Medidas foram realizadas com o fecho magnético na posição de operação, e foram obtidos os valores de resistência da bobina igual a 60 \( \Omega \) e de reatância indutiva da bobina a 60 Hz igual a 80 \( \Omega \). A tensão nominal de operação da bobina desse contator é de
Provas
Uma instalação apresenta uma diminuição de tensão em alguns de seus circuitos. Ao medir as tensões no disjuntor tripolar de entrada da instalação, foram encontrados os seguintes valores:
|
Tensões entre Fases |
A-B |
B-C |
C-A |
|
Entrada do Disjuntor |
221 V |
223 V |
221 V |
|
Saída do Disjuntor |
147 V |
223 V |
165 V |
Sabendo que a tensão nominal de alimentação é de 220 V entre fases, o defeito apresentado na instalação é:
Provas
Um motor de indução trifásico de 12 terminais e 4 tensões, no qual a tensão nominal mais baixa é igual a 220 V, está conectado à linha com o fechamento mostrado na figura a seguir.

(Arquivo pessoal; imagem usada com autorização)
Conforme o diagrama, a tensão de operação desse motor com o fechamento apresentado é de
Provas
Um motor de indução monofásico, com tensões nominais de 110 e 220 V, tem seu diagrama mostrado na figura a seguir.

(Arquivo pessoal; imagem usada com autorização)
Para operação em menor tensão nominal (110 V), os terminais do motor devem ser conectados aos terminais de linha L1 e L2 da seguinte forma:
Provas
Em instalações de redes elétricas prediais de baixa tensão, a proteção dos circuitos terminais contra sobrecorrentes e curtos-circuitos é realizada usualmente por
Provas
Um circuito trifásico de uma rede predial apresenta corrente simétrica e equilibrada nas três fases igual a 171,0 A. Sabendo-se que a tensão entre fases desse circuito é de 220 V, a potência aparente da carga alimentada por esse circuito é, aproximadamente, igual a
Provas
Uma instalação de uma rede elétrica subterrânea apresenta um dos eletrodutos alojando 3 circuitos trifásicos entre o quadro de distribuição geral e o quadro de distribuição local. Para o dimensionamento dos condutores alojados nesse eletroduto, deve-se considerar a depreciação no valor da corrente fictícia de projeto (I’B) considerando
Provas
Os condutores de uma rede aérea de distribuição são instalados
Provas
Caderno Container