Foram encontradas 50 questões.
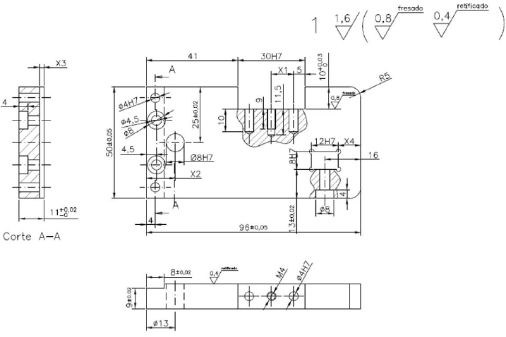
Analise a imagem a seguir.

Os valores das cotas X1, X2, X3 e X4 são, respectivamente,
Provas
Questão presente nas seguintes provas
Leia os textos a seguir para responder à questão.
TEXTO I
‘Stamos em pleno mar... Abrindo as velas
Ao quente arfar das virações marinhas,
Veleiro brigue corre à flor dos mares,
Como roçam na vaga as andorinhas...
Donde vem? onde vai? Das naus errantes
Quem sabe o rumo se é tão grande o espaço?
Neste saara os corcéis o pó levantam,
Galopam, voam, mas não deixam traço.
[...]
Negras mulheres, suspendendo às tetas
Magras crianças, cujas bocas pretas
Rega o sangue das mães:
Outras moças, mas nuas e espantadas,
No turbilhão de espectros arrastadas,
Em ânsia e mágoa vãs!
E ri-se a orquestra irônica, estridente...
E da ronda fantástica a serpente
Faz doudas espirais...
Se o velho arqueja, se no chão resvala,
Ouvem-se gritos... o chicote estala.
E voam mais e mais...
Presa nos elos de uma só cadeia,
A multidão faminta cambaleia,
E chora e dança ali!
Um de raiva delira, outro enlouquece,
Outro, que martírios embrutece,
Cantando, geme e ri!
No entanto o capitão manda a manobra,
E após fitando o céu que se desdobra,
Tão puro sobre o mar,
Diz do fumo entre os densos nevoeiros:
“Vibrai rijo o chicote, marinheiros!
Fazei-os mais dançar!...”
(Navio Negreiro – Castro Alves – 1880).
Disponível em: <http://biblio.com.br/defaultz.asp?link=http://
biblio.com.br/conteudo/CastroAlves/navionegreiro.htm>.
Acesso em: 5 ago. 2019.
TEXTO II
Estamos em pleno mar, embarcações de ferro e aço
Onde pessoas disputam palmo a palmo por um espaço
Nesse imenso rio negro de piche e asfalto
Cristo observa tudo calado de braços abertos lá do alto
Onde a lei do silêncio impede que ecoe o grito do morro
Dos poetas em barracos sem forro, que clamam por
socorro
Homens de pele escura, sem sobrenome importante
Filhos de reis e rainhas de uma terra tão distante
O mar separa o Brasil da África
Um rio separa as periferias das mansões de magnatas
Uniformes diferenciam funcionários de patrões
A cor denuncia vítimas antigas de explorações
Trazidos em porões e navios negreiros
Tratados como animais, vendidos a fazendeiros
Vivendo em cativeiros
Negociados como mercadoria
Enriquecendo a classe nobre, hoje chamada burguesia
Deixou pra trás dialetos e crença
Caçados, mortos e açoitados quem tentou resistência
Tratados como gado, sem direito à educação
Emudeceram seus tambores, amaldiçoaram sua
religião
[...]
(Navio Negreiro – Slim Rimografia – 2011). Disponível em:
<https://www.letras.mus.br/slim-rimografia/navio-negreiro/>.
Acesso em: 5 ago. 2019.
O texto de Slim realiza uma intertextualidade com o texto de Castro Alves.
Sobre esse diálogo, é incorreto afirmar:
Provas
Questão presente nas seguintes provas
Leia os textos a seguir para responder à questão.
TEXTO I
‘Stamos em pleno mar... Abrindo as velas
Ao quente arfar das virações marinhas,
Veleiro brigue corre à flor dos mares,
Como roçam na vaga as andorinhas...
Donde vem? onde vai? Das naus errantes
Quem sabe o rumo se é tão grande o espaço?
Neste saara os corcéis o pó levantam,
Galopam, voam, mas não deixam traço.
[...]
Negras mulheres, suspendendo às tetas
Magras crianças, cujas bocas pretas
Rega o sangue das mães:
Outras moças, mas nuas e espantadas,
No turbilhão de espectros arrastadas,
Em ânsia e mágoa vãs!
E ri-se a orquestra irônica, estridente...
E da ronda fantástica a serpente
Faz doudas espirais...
Se o velho arqueja, se no chão resvala,
Ouvem-se gritos... o chicote estala.
E voam mais e mais...
Presa nos elos de uma só cadeia,
A multidão faminta cambaleia,
E chora e dança ali!
Um de raiva delira, outro enlouquece,
Outro, que martírios embrutece,
Cantando, geme e ri!
No entanto o capitão manda a manobra,
E após fitando o céu que se desdobra,
Tão puro sobre o mar,
Diz do fumo entre os densos nevoeiros:
“Vibrai rijo o chicote, marinheiros!
Fazei-os mais dançar!...”
(Navio Negreiro – Castro Alves – 1880).
Disponível em: <http://biblio.com.br/defaultz.asp?link=http://
biblio.com.br/conteudo/CastroAlves/navionegreiro.htm>.
Acesso em: 5 ago. 2019.
TEXTO II
Estamos em pleno mar, embarcações de ferro e aço
Onde pessoas disputam palmo a palmo por um espaço
Nesse imenso rio negro de piche e asfalto
Cristo observa tudo calado de braços abertos lá do alto
Onde a lei do silêncio impede que ecoe o grito do morro
Dos poetas em barracos sem forro, que clamam por
socorro
Homens de pele escura, sem sobrenome importante
Filhos de reis e rainhas de uma terra tão distante
O mar separa o Brasil da África
Um rio separa as periferias das mansões de magnatas
Uniformes diferenciam funcionários de patrões
A cor denuncia vítimas antigas de explorações
Trazidos em porões e navios negreiros
Tratados como animais, vendidos a fazendeiros
Vivendo em cativeiros
Negociados como mercadoria
Enriquecendo a classe nobre, hoje chamada burguesia
Deixou pra trás dialetos e crença
Caçados, mortos e açoitados quem tentou resistência
Tratados como gado, sem direito à educação
Emudeceram seus tambores, amaldiçoaram sua
religião
[...]
(Navio Negreiro – Slim Rimografia – 2011). Disponível em:
<https://www.letras.mus.br/slim-rimografia/navio-negreiro/>.
Acesso em: 5 ago. 2019.
A respeito da relação que os dois textos estabelecem entre si, analise as afirmativas a seguir.
I. Apesar de se tratar de textos de gêneros textuais distintos (poesia e letra de música), ambos os abordam o processo de escravidão no Brasil.
II. A repetição do primeiro verso e o uso do mesmo título do texto I, feitos pelo texto II, contribuem para a construção do significado do texto II.
III. No texto I, observa-se o uso de aspectos estéticos da linguagem, trabalhada de forma poética por Castro Alvos. Essa característica não está presente no texto II.
Está correto o que se afirma em
Provas
Questão presente nas seguintes provas
Leia o texto a seguir para responder à questão.
O sintomático desprezo pela ciência
Em março de 2018, António Guterres, secretário-geral da ONU, declarou: “As manchetes são naturalmente dominadas pela escalada das tensões, de conflitos ou de eventos políticos de alto nível, mas a verdade é que as mudanças climáticas permanecem a mais sistêmica ameaça à humanidade. Informações divulgadas recentemente pela Organização Meteorológica Mundial, pelo Banco Mundial e pela Agência Internacional de Energia mostram sua evolução implacável”. Meses antes, um discurso proferido em Riad por Christine Lagarde, diretora do Fundo Monetário Internacional, exibia um teor similar: “Se não fizermos nada a respeito das mudanças climáticas, seremos tostados, assados e grelhados num horizonte de tempo de 50 anos”. Ambas as advertências reconhecem a extrema gravidade de nossa situação, a respeito da qual o Painel Intergovernamental sobre as Mudanças Climáticas (IPCC) é categórico: “O aquecimento do sistema climático é inequívoco. A influência humana sobre o sistema climático é clara. Limitar a mudança climática requer reduções substanciais e contínuas de missões de gases de efeito estufa” (2007).
[...]
Malgrado esse acúmulo de saber e essa virtual unanimidade, a ciência do clima pode estar equivocada? Em princípio, sim. Ciência não é dogma, é diminuição da incerteza. Contestar um consenso científico, mesmo o mais sólido, não pode ser objeto de anátema. Mas quem o põe em dúvida deve apresentar argumentos convergentes e convincentes em sentido contrário. Na ausência destes, contestação torna-se simples denegação irracional, enfraquece o poder persuasivo da evidência, milita em favor da perda da autoridade da ciência na formação de uma visão minimamente racional do mundo e turbina a virulência das redes sociais, dos “fatos alternativos”, da pós-verdade, do fanatismo religioso e das crenças mais estapafúrdias e até há pouco inimagináveis. O negacionismo climático é apenas mais uma dessas crenças [...], e seu repertório esgrime as mesmas surradas inverdades, mil vezes refutadas: os cientistas estão divididos sobre a ciência do clima, os modelos climáticos são falhos, maiores concentrações atmosféricas de !$ CO_2 !$ são efeito e não causa do aquecimento global e são benéficas para a fotossíntese, o próximo mínimo solar anulará o aquecimento global, não se deve temer esse aquecimento, mas a recaída numa nova glaciação etc. Esse palavreado resulta de esforços deliberados de denegação das evidências. Diretamente ou através, por exemplo, da Donors Trust e da Donors Capital Fund, as corporações injetam milhões de dólares em lobbies disseminadores de desinformação sobre as mudanças climáticas.
[...]
Malgrado alguma tangência ideológica entre certa esquerda e a extrema-direita, o negacionismo climático e a negação da ciência em geral são fundamentalmente uma bandeira da extrema-direita e é preciso pôr em evidência uma razão maior dessa estreita afinidade. Ela se encontra, a meu ver, numa mutação histórica fundamental do teor do discurso científico. Das revoluções científicas do século XVII a meados do século XX, a ciência galgou posição de hegemonia, destronando discursos de outra natureza, como o religioso e o artístico, porque foi capaz de oferecer às sociedades vitoriosas mais energia, mais mobilidade, mais bens em geral, mais capacidade de sobrevivência, em suma, mais segurança. Seus benefícios eram indiscutíveis e apenas confirmavam suas promessas, que pareciam ilimitadas. A partir de 1962, se quisermos uma data, o livro de Rachel Carson, “Primavera Silenciosa” punha a nu pela primeira vez o lado sombrio dessas conquistas da ciência: agrotóxicos como o DDT aumentavam, de fato, a produtividade agrícola, mas ao preço de danos tremendos à saúde e à biodiversidade. Essa primeira dissonância tornou-se muito maior nos anos 1980, quando o aquecimento global resultante das emissões de !$ CO_2 !$ pela queima de combustíveis fósseis – justamente esses combustíveis aos quais devíamos o essencial de nosso progresso – tornou-se pela primeira vez inequívoco. A ciência começa, então, a mudar seu discurso. Ela passa a anunciar que havíamos passado da idade das promessas à idade das escolhas, de modo a evitar a idade das consequências. [...] Uma brecha começava a se abrir na imagem social da ciência. Enquanto os cientistas diziam o que queríamos ouvir, tudo era defesa e apologia da ciência. A partir do momento em que seu discurso converteu-se em alertas e advertências sobre os riscos crescentes a que começávamos a nos expor, esse entusiasmo arrefeceu.
[...]
Em nosso século, esse novo mal-estar na civilização não cessou de crescer. Ele toma hoje a forma de uma espécie de divisão esquizofrênica da autoimagem de uma sociedade moldada pela ciência. Quando entramos num avião, atravessamos uma ponte ou tomamos um remédio, somos gratos às tentativas da ciência de compreender o mundo e traduzi-lo em tecnologia. Mas quando dessa mesma ciência vem o aviso que é preciso mudar o modo de funcionamento de nossa economia, conter nossa voracidade, diminuir o consumo de carne, restaurar as florestas e redefinir nossa relação com a natureza, sob pena de nos precipitarmos num colapso de insondáveis proporções, a gratidão cede lugar à indiferença, ao descrédito e mesmo à hostilidade.
[...]
Disponível em: <https://adunicamp.org.br/artigo-o-sintomaticodesprezo-
pela-ciencia/>. Acesso em: 2 ago. 2019.
A respeito da argumentação observada no texto sobre a contestação da ciência do clima, analise as afirmativas a seguir.
I. O autor não acredita na possibilidade de se contestar as notícias alarmantes sobre o tema.
II. A ideia de que “não se deve temer esse aquecimento, mas a recaída numa nova glaciação” é tomada pelo texto como uma contestação válida contra o alarmismo do aquecimento global.
III. Segundo o texto, existe uma motivação financeira impulsionando a desinformação a respeito dos avisos feitos pela ciência do clima.
Está correto o que se afirma em
Provas
Questão presente nas seguintes provas
Leia o texto a seguir para responder à questão.
O sintomático desprezo pela ciência
Em março de 2018, António Guterres, secretário-geral da ONU, declarou: “As manchetes são naturalmente dominadas pela escalada das tensões, de conflitos ou de eventos políticos de alto nível, mas a verdade é que as mudanças climáticas permanecem a mais sistêmica ameaça à humanidade. Informações divulgadas recentemente pela Organização Meteorológica Mundial, pelo Banco Mundial e pela Agência Internacional de Energia mostram sua evolução implacável”. Meses antes, um discurso proferido em Riad por Christine Lagarde, diretora do Fundo Monetário Internacional, exibia um teor similar: “Se não fizermos nada a respeito das mudanças climáticas, seremos tostados, assados e grelhados num horizonte de tempo de 50 anos”. Ambas as advertências reconhecem a extrema gravidade de nossa situação, a respeito da qual o Painel Intergovernamental sobre as Mudanças Climáticas (IPCC) é categórico: “O aquecimento do sistema climático é inequívoco. A influência humana sobre o sistema climático é clara. Limitar a mudança climática requer reduções substanciais e contínuas de missões de gases de efeito estufa” (2007).
[...]
Malgrado esse acúmulo de saber e essa virtual unanimidade, a ciência do clima pode estar equivocada? Em princípio, sim. Ciência não é dogma, é diminuição da incerteza. Contestar um consenso científico, mesmo o mais sólido, não pode ser objeto de anátema. Mas quem o põe em dúvida deve apresentar argumentos convergentes e convincentes em sentido contrário. Na ausência destes, contestação torna-se simples denegação irracional, enfraquece o poder persuasivo da evidência, milita em favor da perda da autoridade da ciência na formação de uma visão minimamente racional do mundo e turbina a virulência das redes sociais, dos “fatos alternativos”, da pós-verdade, do fanatismo religioso e das crenças mais estapafúrdias e até há pouco inimagináveis. O negacionismo climático é apenas mais uma dessas crenças [...], e seu repertório esgrime as mesmas surradas inverdades, mil vezes refutadas: os cientistas estão divididos sobre a ciência do clima, os modelos climáticos são falhos, maiores concentrações atmosféricas de !$ CO_2 !$ são efeito e não causa do aquecimento global e são benéficas para a fotossíntese, o próximo mínimo solar anulará o aquecimento global, não se deve temer esse aquecimento, mas a recaída numa nova glaciação etc. Esse palavreado resulta de esforços deliberados de denegação das evidências. Diretamente ou através, por exemplo, da Donors Trust e da Donors Capital Fund, as corporações injetam milhões de dólares em lobbies disseminadores de desinformação sobre as mudanças climáticas.
[...]
Malgrado alguma tangência ideológica entre certa esquerda e a extrema-direita, o negacionismo climático e a negação da ciência em geral são fundamentalmente uma bandeira da extrema-direita e é preciso pôr em evidência uma razão maior dessa estreita afinidade. Ela se encontra, a meu ver, numa mutação histórica fundamental do teor do discurso científico. Das revoluções científicas do século XVII a meados do século XX, a ciência galgou posição de hegemonia, destronando discursos de outra natureza, como o religioso e o artístico, porque foi capaz de oferecer às sociedades vitoriosas mais energia, mais mobilidade, mais bens em geral, mais capacidade de sobrevivência, em suma, mais segurança. Seus benefícios eram indiscutíveis e apenas confirmavam suas promessas, que pareciam ilimitadas. A partir de 1962, se quisermos uma data, o livro de Rachel Carson, “Primavera Silenciosa” punha a nu pela primeira vez o lado sombrio dessas conquistas da ciência: agrotóxicos como o DDT aumentavam, de fato, a produtividade agrícola, mas ao preço de danos tremendos à saúde e à biodiversidade. Essa primeira dissonância tornou-se muito maior nos anos 1980, quando o aquecimento global resultante das emissões de !$ CO_2 !$ pela queima de combustíveis fósseis – justamente esses combustíveis aos quais devíamos o essencial de nosso progresso – tornou-se pela primeira vez inequívoco. A ciência começa, então, a mudar seu discurso. Ela passa a anunciar que havíamos passado da idade das promessas à idade das escolhas, de modo a evitar a idade das consequências. [...] Uma brecha começava a se abrir na imagem social da ciência. Enquanto os cientistas diziam o que queríamos ouvir, tudo era defesa e apologia da ciência. A partir do momento em que seu discurso converteu-se em alertas e advertências sobre os riscos crescentes a que começávamos a nos expor, esse entusiasmo arrefeceu.
[...]
Em nosso século, esse novo mal-estar na civilização não cessou de crescer. Ele toma hoje a forma de uma espécie de divisão esquizofrênica da autoimagem de uma sociedade moldada pela ciência. Quando entramos num avião, atravessamos uma ponte ou tomamos um remédio, somos gratos às tentativas da ciência de compreender o mundo e traduzi-lo em tecnologia. Mas quando dessa mesma ciência vem o aviso que é preciso mudar o modo de funcionamento de nossa economia, conter nossa voracidade, diminuir o consumo de carne, restaurar as florestas e redefinir nossa relação com a natureza, sob pena de nos precipitarmos num colapso de insondáveis proporções, a gratidão cede lugar à indiferença, ao descrédito e mesmo à hostilidade.
[...]
Disponível em: <https://adunicamp.org.br/artigo-o-sintomaticodesprezo-
pela-ciencia/>. Acesso em: 2 ago. 2019.
Releia este trecho.
“Ciência não é dogma, é diminuição da incerteza.”
Considerando o trecho e o contexto no qual se insere, é correto afirmar que a ideia que ele expressa também se encontra em:
Provas
Questão presente nas seguintes provas
Leia o texto a seguir para responder à questão.
O sintomático desprezo pela ciência
Em março de 2018, António Guterres, secretário-geral da ONU, declarou: “As manchetes são naturalmente dominadas pela escalada das tensões, de conflitos ou de eventos políticos de alto nível, mas a verdade é que as mudanças climáticas permanecem a mais sistêmica ameaça à humanidade. Informações divulgadas recentemente pela Organização Meteorológica Mundial, pelo Banco Mundial e pela Agência Internacional de Energia mostram sua evolução implacável”. Meses antes, um discurso proferido em Riad por Christine Lagarde, diretora do Fundo Monetário Internacional, exibia um teor similar: “Se não fizermos nada a respeito das mudanças climáticas, seremos tostados, assados e grelhados num horizonte de tempo de 50 anos”. Ambas as advertências reconhecem a extrema gravidade de nossa situação, a respeito da qual o Painel Intergovernamental sobre as Mudanças Climáticas (IPCC) é categórico: “O aquecimento do sistema climático é inequívoco. A influência humana sobre o sistema climático é clara. Limitar a mudança climática requer reduções substanciais e contínuas de missões de gases de efeito estufa” (2007).
[...]
Malgrado esse acúmulo de saber e essa virtual unanimidade, a ciência do clima pode estar equivocada? Em princípio, sim. Ciência não é dogma, é diminuição da incerteza. Contestar um consenso científico, mesmo o mais sólido, não pode ser objeto de anátema. Mas quem o põe em dúvida deve apresentar argumentos convergentes e convincentes em sentido contrário. Na ausência destes, contestação torna-se simples denegação irracional, enfraquece o poder persuasivo da evidência, milita em favor da perda da autoridade da ciência na formação de uma visão minimamente racional do mundo e turbina a virulência das redes sociais, dos “fatos alternativos”, da pós-verdade, do fanatismo religioso e das crenças mais estapafúrdias e até há pouco inimagináveis. O negacionismo climático é apenas mais uma dessas crenças [...], e seu repertório esgrime as mesmas surradas inverdades, mil vezes refutadas: os cientistas estão divididos sobre a ciência do clima, os modelos climáticos são falhos, maiores concentrações atmosféricas de !$ CO_2 !$ são efeito e não causa do aquecimento global e são benéficas para a fotossíntese, o próximo mínimo solar anulará o aquecimento global, não se deve temer esse aquecimento, mas a recaída numa nova glaciação etc. Esse palavreado resulta de esforços deliberados de denegação das evidências. Diretamente ou através, por exemplo, da Donors Trust e da Donors Capital Fund, as corporações injetam milhões de dólares em lobbies disseminadores de desinformação sobre as mudanças climáticas.
[...]
Malgrado alguma tangência ideológica entre certa esquerda e a extrema-direita, o negacionismo climático e a negação da ciência em geral são fundamentalmente uma bandeira da extrema-direita e é preciso pôr em evidência uma razão maior dessa estreita afinidade. Ela se encontra, a meu ver, numa mutação histórica fundamental do teor do discurso científico. Das revoluções científicas do século XVII a meados do século XX, a ciência galgou posição de hegemonia, destronando discursos de outra natureza, como o religioso e o artístico, porque foi capaz de oferecer às sociedades vitoriosas mais energia, mais mobilidade, mais bens em geral, mais capacidade de sobrevivência, em suma, mais segurança. Seus benefícios eram indiscutíveis e apenas confirmavam suas promessas, que pareciam ilimitadas. A partir de 1962, se quisermos uma data, o livro de Rachel Carson, “Primavera Silenciosa” punha a nu pela primeira vez o lado sombrio dessas conquistas da ciência: agrotóxicos como o DDT aumentavam, de fato, a produtividade agrícola, mas ao preço de danos tremendos à saúde e à biodiversidade. Essa primeira dissonância tornou-se muito maior nos anos 1980, quando o aquecimento global resultante das emissões de !$ CO_2 !$ pela queima de combustíveis fósseis – justamente esses combustíveis aos quais devíamos o essencial de nosso progresso – tornou-se pela primeira vez inequívoco. A ciência começa, então, a mudar seu discurso. Ela passa a anunciar que havíamos passado da idade das promessas à idade das escolhas, de modo a evitar a idade das consequências. [...] Uma brecha começava a se abrir na imagem social da ciência. Enquanto os cientistas diziam o que queríamos ouvir, tudo era defesa e apologia da ciência. A partir do momento em que seu discurso converteu-se em alertas e advertências sobre os riscos crescentes a que começávamos a nos expor, esse entusiasmo arrefeceu.
[...]
Em nosso século, esse novo mal-estar na civilização não cessou de crescer. Ele toma hoje a forma de uma espécie de divisão esquizofrênica da autoimagem de uma sociedade moldada pela ciência. Quando entramos num avião, atravessamos uma ponte ou tomamos um remédio, somos gratos às tentativas da ciência de compreender o mundo e traduzi-lo em tecnologia. Mas quando dessa mesma ciência vem o aviso que é preciso mudar o modo de funcionamento de nossa economia, conter nossa voracidade, diminuir o consumo de carne, restaurar as florestas e redefinir nossa relação com a natureza, sob pena de nos precipitarmos num colapso de insondáveis proporções, a gratidão cede lugar à indiferença, ao descrédito e mesmo à hostilidade.
[...]
Disponível em: <https://adunicamp.org.br/artigo-o-sintomaticodesprezo-
pela-ciencia/>. Acesso em: 2 ago. 2019.
Releia este trecho.
“Em março de 2018, António Guterres, secretário-geral da ONU, declarou: ‘As manchetes são naturalmente dominadas pela escalada das tensões, de conflitos ou de eventos políticos de alto nível, mas a verdade é que as mudanças climáticas permanecem a mais sistêmica ameaça à humanidade.’”
Quanto à estratégia argumentativa utilizada nesse trecho, é correto afirmar que se trata de argumentação por
Provas
Questão presente nas seguintes provas
Leia o texto a seguir para responder à questão.
O sintomático desprezo pela ciência
Em março de 2018, António Guterres, secretário-geral da ONU, declarou: “As manchetes são naturalmente dominadas pela escalada das tensões, de conflitos ou de eventos políticos de alto nível, mas a verdade é que as mudanças climáticas permanecem a mais sistêmica ameaça à humanidade. Informações divulgadas recentemente pela Organização Meteorológica Mundial, pelo Banco Mundial e pela Agência Internacional de Energia mostram sua evolução implacável”. Meses antes, um discurso proferido em Riad por Christine Lagarde, diretora do Fundo Monetário Internacional, exibia um teor similar: “Se não fizermos nada a respeito das mudanças climáticas, seremos tostados, assados e grelhados num horizonte de tempo de 50 anos”. Ambas as advertências reconhecem a extrema gravidade de nossa situação, a respeito da qual o Painel Intergovernamental sobre as Mudanças Climáticas (IPCC) é categórico: “O aquecimento do sistema climático é inequívoco. A influência humana sobre o sistema climático é clara. Limitar a mudança climática requer reduções substanciais e contínuas de missões de gases de efeito estufa” (2007).
[...]
Malgrado esse acúmulo de saber e essa virtual unanimidade, a ciência do clima pode estar equivocada? Em princípio, sim. Ciência não é dogma, é diminuição da incerteza. Contestar um consenso científico, mesmo o mais sólido, não pode ser objeto de anátema. Mas quem o põe em dúvida deve apresentar argumentos convergentes e convincentes em sentido contrário. Na ausência destes, contestação torna-se simples denegação irracional, enfraquece o poder persuasivo da evidência, milita em favor da perda da autoridade da ciência na formação de uma visão minimamente racional do mundo e turbina a virulência das redes sociais, dos “fatos alternativos”, da pós-verdade, do fanatismo religioso e das crenças mais estapafúrdias e até há pouco inimagináveis. O negacionismo climático é apenas mais uma dessas crenças [...], e seu repertório esgrime as mesmas surradas inverdades, mil vezes refutadas: os cientistas estão divididos sobre a ciência do clima, os modelos climáticos são falhos, maiores concentrações atmosféricas de !$ CO_2 !$ são efeito e não causa do aquecimento global e são benéficas para a fotossíntese, o próximo mínimo solar anulará o aquecimento global, não se deve temer esse aquecimento, mas a recaída numa nova glaciação etc. Esse palavreado resulta de esforços deliberados de denegação das evidências. Diretamente ou através, por exemplo, da Donors Trust e da Donors Capital Fund, as corporações injetam milhões de dólares em lobbies disseminadores de desinformação sobre as mudanças climáticas.
[...]
Malgrado alguma tangência ideológica entre certa esquerda e a extrema-direita, o negacionismo climático e a negação da ciência em geral são fundamentalmente uma bandeira da extrema-direita e é preciso pôr em evidência uma razão maior dessa estreita afinidade. Ela se encontra, a meu ver, numa mutação histórica fundamental do teor do discurso científico. Das revoluções científicas do século XVII a meados do século XX, a ciência galgou posição de hegemonia, destronando discursos de outra natureza, como o religioso e o artístico, porque foi capaz de oferecer às sociedades vitoriosas mais energia, mais mobilidade, mais bens em geral, mais capacidade de sobrevivência, em suma, mais segurança. Seus benefícios eram indiscutíveis e apenas confirmavam suas promessas, que pareciam ilimitadas. A partir de 1962, se quisermos uma data, o livro de Rachel Carson, “Primavera Silenciosa” punha a nu pela primeira vez o lado sombrio dessas conquistas da ciência: agrotóxicos como o DDT aumentavam, de fato, a produtividade agrícola, mas ao preço de danos tremendos à saúde e à biodiversidade. Essa primeira dissonância tornou-se muito maior nos anos 1980, quando o aquecimento global resultante das emissões de !$ CO_2 !$ pela queima de combustíveis fósseis – justamente esses combustíveis aos quais devíamos o essencial de nosso progresso – tornou-se pela primeira vez inequívoco. A ciência começa, então, a mudar seu discurso. Ela passa a anunciar que havíamos passado da idade das promessas à idade das escolhas, de modo a evitar a idade das consequências. [...] Uma brecha começava a se abrir na imagem social da ciência. Enquanto os cientistas diziam o que queríamos ouvir, tudo era defesa e apologia da ciência. A partir do momento em que seu discurso converteu-se em alertas e advertências sobre os riscos crescentes a que começávamos a nos expor, esse entusiasmo arrefeceu.
[...]
Em nosso século, esse novo mal-estar na civilização não cessou de crescer. Ele toma hoje a forma de uma espécie de divisão esquizofrênica da autoimagem de uma sociedade moldada pela ciência. Quando entramos num avião, atravessamos uma ponte ou tomamos um remédio, somos gratos às tentativas da ciência de compreender o mundo e traduzi-lo em tecnologia. Mas quando dessa mesma ciência vem o aviso que é preciso mudar o modo de funcionamento de nossa economia, conter nossa voracidade, diminuir o consumo de carne, restaurar as florestas e redefinir nossa relação com a natureza, sob pena de nos precipitarmos num colapso de insondáveis proporções, a gratidão cede lugar à indiferença, ao descrédito e mesmo à hostilidade.
[...]
Disponível em: <https://adunicamp.org.br/artigo-o-sintomaticodesprezo-
pela-ciencia/>. Acesso em: 2 ago. 2019.
Uma das ideias que o texto em questão aborda é o declínio da apreciação da ciência ao longo do tempo.
Assinale a alternativa que resume corretamente esse processo.
Provas
Questão presente nas seguintes provas
Leia o texto a seguir para responder à questão.
O sintomático desprezo pela ciência
Em março de 2018, António Guterres, secretário-geral da ONU, declarou: “As manchetes são naturalmente dominadas pela escalada das tensões, de conflitos ou de eventos políticos de alto nível, mas a verdade é que as mudanças climáticas permanecem a mais sistêmica ameaça à humanidade. Informações divulgadas recentemente pela Organização Meteorológica Mundial, pelo Banco Mundial e pela Agência Internacional de Energia mostram sua evolução implacável”. Meses antes, um discurso proferido em Riad por Christine Lagarde, diretora do Fundo Monetário Internacional, exibia um teor similar: “Se não fizermos nada a respeito das mudanças climáticas, seremos tostados, assados e grelhados num horizonte de tempo de 50 anos”. Ambas as advertências reconhecem a extrema gravidade de nossa situação, a respeito da qual o Painel Intergovernamental sobre as Mudanças Climáticas (IPCC) é categórico: “O aquecimento do sistema climático é inequívoco. A influência humana sobre o sistema climático é clara. Limitar a mudança climática requer reduções substanciais e contínuas de missões de gases de efeito estufa” (2007).
[...]
Malgrado esse acúmulo de saber e essa virtual unanimidade, a ciência do clima pode estar equivocada? Em princípio, sim. Ciência não é dogma, é diminuição da incerteza. Contestar um consenso científico, mesmo o mais sólido, não pode ser objeto de anátema. Mas quem o põe em dúvida deve apresentar argumentos convergentes e convincentes em sentido contrário. Na ausência destes, contestação torna-se simples denegação irracional, enfraquece o poder persuasivo da evidência, milita em favor da perda da autoridade da ciência na formação de uma visão minimamente racional do mundo e turbina a virulência das redes sociais, dos “fatos alternativos”, da pós-verdade, do fanatismo religioso e das crenças mais estapafúrdias e até há pouco inimagináveis. O negacionismo climático é apenas mais uma dessas crenças [...], e seu repertório esgrime as mesmas surradas inverdades, mil vezes refutadas: os cientistas estão divididos sobre a ciência do clima, os modelos climáticos são falhos, maiores concentrações atmosféricas de !$ CO_2 !$ são efeito e não causa do aquecimento global e são benéficas para a fotossíntese, o próximo mínimo solar anulará o aquecimento global, não se deve temer esse aquecimento, mas a recaída numa nova glaciação etc. Esse palavreado resulta de esforços deliberados de denegação das evidências. Diretamente ou através, por exemplo, da Donors Trust e da Donors Capital Fund, as corporações injetam milhões de dólares em lobbies disseminadores de desinformação sobre as mudanças climáticas.
[...]
Malgrado alguma tangência ideológica entre certa esquerda e a extrema-direita, o negacionismo climático e a negação da ciência em geral são fundamentalmente uma bandeira da extrema-direita e é preciso pôr em evidência uma razão maior dessa estreita afinidade. Ela se encontra, a meu ver, numa mutação histórica fundamental do teor do discurso científico. Das revoluções científicas do século XVII a meados do século XX, a ciência galgou posição de hegemonia, destronando discursos de outra natureza, como o religioso e o artístico, porque foi capaz de oferecer às sociedades vitoriosas mais energia, mais mobilidade, mais bens em geral, mais capacidade de sobrevivência, em suma, mais segurança. Seus benefícios eram indiscutíveis e apenas confirmavam suas promessas, que pareciam ilimitadas. A partir de 1962, se quisermos uma data, o livro de Rachel Carson, “Primavera Silenciosa” punha a nu pela primeira vez o lado sombrio dessas conquistas da ciência: agrotóxicos como o DDT aumentavam, de fato, a produtividade agrícola, mas ao preço de danos tremendos à saúde e à biodiversidade. Essa primeira dissonância tornou-se muito maior nos anos 1980, quando o aquecimento global resultante das emissões de !$ CO_2 !$ pela queima de combustíveis fósseis – justamente esses combustíveis aos quais devíamos o essencial de nosso progresso – tornou-se pela primeira vez inequívoco. A ciência começa, então, a mudar seu discurso. Ela passa a anunciar que havíamos passado da idade das promessas à idade das escolhas, de modo a evitar a idade das consequências. [...] Uma brecha começava a se abrir na imagem social da ciência. Enquanto os cientistas diziam o que queríamos ouvir, tudo era defesa e apologia da ciência. A partir do momento em que seu discurso converteu-se em alertas e advertências sobre os riscos crescentes a que começávamos a nos expor, esse entusiasmo arrefeceu.
[...]
Em nosso século, esse novo mal-estar na civilização não cessou de crescer. Ele toma hoje a forma de uma espécie de divisão esquizofrênica da autoimagem de uma sociedade moldada pela ciência. Quando entramos num avião, atravessamos uma ponte ou tomamos um remédio, somos gratos às tentativas da ciência de compreender o mundo e traduzi-lo em tecnologia. Mas quando dessa mesma ciência vem o aviso que é preciso mudar o modo de funcionamento de nossa economia, conter nossa voracidade, diminuir o consumo de carne, restaurar as florestas e redefinir nossa relação com a natureza, sob pena de nos precipitarmos num colapso de insondáveis proporções, a gratidão cede lugar à indiferença, ao descrédito e mesmo à hostilidade.
[...]
Disponível em: <https://adunicamp.org.br/artigo-o-sintomaticodesprezo-
pela-ciencia/>. Acesso em: 2 ago. 2019.
Releia este trecho.
“Malgrado alguma tangência ideológica entre certa esquerda e a extrema-direita, o negacionismo climático e a negação da ciência em geral são fundamentalmente uma bandeira da extrema-direita e é preciso pôr em evidência uma razão maior dessa estreita afinidade.”
A conjunção em destaque pode ser substituída, sem prejuízo de sentido, por:
Provas
Questão presente nas seguintes provas
Com relação à verificação da regulagem dos faróis na inspeção veicular, assinale a alternativa incorreta.
Provas
Questão presente nas seguintes provas
O desequilíbrio de funcionamento da suspensão é determinado por meio da comparação percentual entre os índices de transferência de peso medidos em cada roda de um mesmo eixo.
Considere um veículo ensaiado no banco de prova que apresentou os seguintes valores:
• Roda direita: índice de transferência de peso = 50%.
• Roda esquerda: índice de transferência de peso = 40%.
Tem-se que o desequilíbrio nesse eixo é de
Provas
Questão presente nas seguintes provas
Cadernos
Caderno Container