Foram encontradas 50 questões.
A eletrônica digital se difere da analógica por processar valores binários, isto é, apenas dois níveis de tensão; e, para isso, utiliza circuitos combinacionais compostos de portas lógicas. Considerando tais circuitos clássicos, NÃO se refere a um circuito combinacional:
Provas
A imagem representa um circuito lógico composto por diversas portas lógicas, com quatro entradas: X, Y, Z e W, e uma saída: S. Observe:

Em relação à tabela verdade do circuito, é correto afirmar que, na coluna da saída S, ocorre o valor 1 nas respectivas linhas e, nas demais, o valor 0.
Provas
A imagem representa um circuito composto por um amplificador operacional. Observe:

Considerando o circuito apresentado, assinale a alternativa correta da sua relação das tensões de saída / entrada: Vo / Vi.
Provas
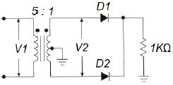
A imagem apresenta um circuito de uma fonte retificadora de onda completa com tomada central no enrolamento secundário, onde a tensão alternada V1 tem como valor eficaz 120 V. Observe:

Considerando o circuito apresentado, assinale a afirmativa INCORRETA.
Provas
As instalações elétricas das unidades consumidoras, na maioria dos casos, além das cargas puramente resistivas, possuem cargas reativas indutivas, como motores, transformadores, reatores de lâmpadas de descarga etc. Estas cargas são responsáveis pelas potências ativa e reativa consumidas pela rede elétrica, relacionadas pelo Fator de Potência (FP). Considerando os tipos de cargas e potências envolvidas, bem como suas relações, analise as afirmativas a seguir.
I. O Fator de Potência (FP) é a razão entre a potência ativa e a potência aparente; indica a eficiência do uso da energia.
II. A potência reativa é sempre consumida na execução de trabalho; porém, a potência ativa, além de não produzir trabalho, circula entre a carga e a fonte de alimentação.
III. Um triângulo retângulo é, frequentemente, utilizado para representar as relações das potências medidas em kW, kvar e kVA, onde kVA representa a hipotenusa e kvar o cateto oposto.
Está correto o que se afirma apenas em
Provas
Um Sistema Elétrico de Potência (SEP), em relação à produção e entrega da energia elétrica, é o conjunto de todas as instalações e equipamentos destinados, respectivamente, a:
Provas
Considerando a elaboração de um projeto, é necessário conhecer sua gestão, ou seja, o gerenciamento do projeto desde a sua concepção até a sua finalização, abrangendo toda a linha do tempo do seu ciclo de vida, logicamente, agrupados em cinco principais grupos de processos. Assinale a sequência lógica de tais grupos.
( ) Planejamento.
( ) Iniciação.
( ) Encerramento.
( ) Monitoramento e controle.
( ) Execução.
A sequência está correta em
Provas
Para que uma edificação seja protegida contra queda de raios, ou seja, descarga atmosférica, é necessária a instalação de um Sistema de Proteção contra Descargas Atmosféricas (SPDA), que compreende um conjunto de partes, conforme a tipologia e o projeto da estrutura a ser protegida. De acordo com as definições das partes que compõe o sistema, analise as afirmativas a seguir.
I. Subsistema de descida: parte do SPDA destinada a interceptar as descargas atmosféricas.
II. Subsistema de aterramento: parte do SPDA destinada a conduzir e a dispersar a corrente de descarga atmosférica na terra.
III. Subsistema captor: parte do SPDA destinada a conduzir a corrente de descarga atmosférica desde o subsistema captor até o subsistema de aterramento.
IV. Ligação equipotencial: ligação entre o SPDA e as instalações metálicas, destinada a reduzir as diferenças de potencial causadas pela corrente de descarga atmosférica.
Está correto o que se afirma apenas em
Provas
Determinado consumidor, pertencente à classe rural, optou por utilizar a tarifa de energia do grupo B, que se destina às unidades consumidoras atendidas em tensão inferior a 2,3 kV. Tal fato é possível, pois ele está incluso na classe rural do subgrupo:
Provas
Para elaborar um projeto elétrico de uma edificação, o projetista deve seguir uma sequência lógica das etapas, iniciando no estudo do projeto arquitetônico até a finalização do projeto elétrico que contém todas as informações necessárias para sua execução. Dentre as etapas destacadas para elaboração do projeto elétrico, assinale a sequência lógica correta.
( ) Preenchimento do quadro de cargas e totalização das cargas.
( ) Dimensionamento do ramal de entrada.
( ) Definição dos pontos de luz, tomadas, caixas, tubulações, quadros etc.
( ) Cálculo da demanda.
( ) Dimensionamento dos condutores, tubulações, proteções etc.
A sequência está correta em
Provas
Caderno Container