Foram encontradas 1.094 questões.
Disciplina: TI - Organização e Arquitetura dos Computadores
Banca: Consulplan
Orgão: PTI
Tipicamente, um barramento consiste em múltiplos caminhos de comunicação, ou linhas. Cada linha é capaz de transmitir sinais representando o binário 1 e o binário 0. Os sistemas de computação contêm diversos barramentos diferentes, que oferecem caminhos entre os componentes em variados níveis da hierarquia do sistema de computação. Um barramento que conecta os principais componentes do computador como, por exemplo, processador e memória, é chamado de barramento:
Provas
Disciplina: TI - Organização e Arquitetura dos Computadores
Banca: Consulplan
Orgão: PTI
A CPU (Central Processing Unit) é o “cérebro” do computador. Sua função é executar programas armazenados na memória principal buscando suas instruções, examinando-as e, então, executando-as uma após a outra. A CPU é composta por várias partes distintas. O componente da CPU responsável por efetuar operações como adição e AND (E) booleano para executar as instruções é:
Provas
- Compilação e Interpretação de CódigoCompilação
- Compilação e Interpretação de CódigoLinguagem de Máquina
- Qualidade de SoftwareAtributos de Qualidade de Software
É difícil fazer comparações de desempenho significativas entre diferentes processadores, mesmo entre os processadores da mesma família. A velocidade bruta é muito menos importante do que como um processador funciona quando executa determinada aplicação. Infelizmente, o desempenho da aplicação depende não apenas da velocidade bruta do processador. Sobre outros fatores que podem ou não impactarem no desempenho da aplicação, assinale a afirmativa correta.
Provas
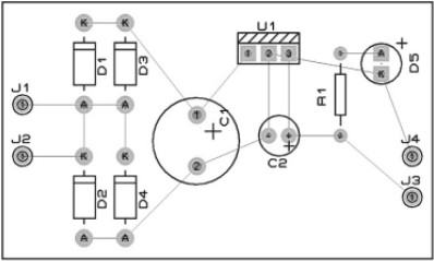
Analise a imagem a seguir:

As ligações entre os componentes nesta fase do projeto denominam-se:
Provas
Disciplina: TI - Organização e Arquitetura dos Computadores
Banca: Consulplan
Orgão: PTI
A memória do computador é formada por todos os dispositivos utilizados para armazenar dados e instruções, seja de forma temporária ou permanente. Uma forma de diferenciar os tipos de memórias é o método de acesso das unidades de dados.
(STALLNGS, 2018. Adaptado.)
Sobre o método de acesso das unidades de dados, é correto afirmar que:
Provas
Disciplina: TI - Organização e Arquitetura dos Computadores
Banca: Consulplan
Orgão: PTI
No início da década de 80, havia uma tendência em construir processadores com conjuntos de instruções cada vez mais complexos; porém, nem todos os fabricantes seguiram essa tendência, tomando o caminho inverso no sentido de produção de processadores de alta performance. Assim, surgiram duas arquiteturas: uma chamada RISC (Reduced Instruction Set Computer) e a outra CISC (Complex Instruction Set Computer).
(CARRERA, et al., 2014. Adaptado.)
Considerando as arquiteturas RISC e CISC, marque V para as afirmativas verdadeiras e F para as falsas.
( ) Os processadores baseados na arquitetura RISC contêm uma microprogramação com um conjunto de código de instruções gravados no processador, permitindo o recebimento de instruções dos programas e sua execução usando as instruções existentes na sua microprogramação.
( ) MULT é conhecido como uma “instrução complexa”. Atua diretamente em bancos de memória do computador e não requer que o programador explicitamente possa chamar quaisquer funções de carregar (Load) ou armazenar (Store); se assemelha a um comando em uma linguagem de alto nível.
( ) São características da arquitetura RISC: a execução de instrução por ciclo de clock, instruções com formato fixo e implementado por pipeline.
A sequência está correta em
Provas
Disciplina: TI - Organização e Arquitetura dos Computadores
Banca: Consulplan
Orgão: PTI
A imagem apresenta as principais camadas de abstração sobre as quais um projetista de hardware pode trabalhar. Observe:

(Abstração do Projeto de Hardware. NETTO e BRAÚLIO, 2005, Pág. 2.)
Considerando a imagem apresentada, assinale a afirmativa INCORRETA.
Provas
Ao desenvolver determinado site, tornou-se necessário que ele se comunicasse com o Banco de Dados Oracle; dessa forma, o PHP possui variadas funções que podem auxiliar nessa ação. Uma delas executa um comando analisado com o cursor; assinale-a.
Provas
Para desenvolver uma aplicação web, a fim de apresentar determinados produtos, de maneira que as ações estejam em destaque para o público externo, deve-se criar um site para que sejam publicadas as informações, utilizando a linguagem PHP (Personal Home Page). É necessário implementar diversas funções nesse site; uma delas é relacionada ao correio eletrônico. Tal função deve concatenar uma mensagem na caixa de correio; assinale-a.
Provas
“A classe (pacote java.awt) é uma que declara os recursos comuns dos componentes GUI nos pacotes java.awt e javax.swing.” Considerando as bibliotecas gráficas Swing, assinale a alternativa que completa correta e sequencialmente a afirmativa anterior.
Provas
Caderno Container