Foram encontradas 40 questões.
Um elemento primário comumente utilizado nos analisadores de oxigênio é a(o):
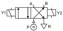
Provas

O diagrama da figura acima representa uma válvula eletropneumática:
Provas

A figura acima apresenta a resposta ao degrau unitário para um determinado processo. A função de transferência que representa o processo é:
Provas
Considere as afirmativas a seguir, a respeito do significado das letras, segundo a norma ISA S5.1, quando estas aparecem como indicadoras da função na identificação de um instrumento (2º grupo de letras).
I – A, I e T representam funções passivas ou de informação.
II – C, Y e Z representam funções ativas ou de saída.
III – M, L e H são letras modificadoras.
IV – S representa um elemento primário ou sensor.
V – K representa uma estação de controle.
As afirmativas corretas são apenas:
Provas
Para calcular a solução de um sistema de equações lineares, um programador escreveu um algoritmo. Os coeficientes numéricos das variáveis x1, x2, ... xn encontram-se armazenados na matriz A e os termos independentes, no vetor B, de acordo com:

Considera-se que a matriz A esteja triangularizada e que seus elementos na diagonal sejam diferentes de zero. No algoritmo, o vetor X armazena os valores calculados para x1, x2, ..., xn e a variável N contém o número inteiro n de equações. A seguir, apresenta-se parte do algoritmo escrito pelo programador.
Recebe A, B, N
X(N) !$ \leftarrow !$ B(N)/A(N,N)
Para K de N - 1 até 1 (variando -1)
![]()
Para L de K+1 até N (variando +1)
V1!$ \leftarrow !$ V1 (A(K,L) * X(L))
Fim do para
![]()
Fim do para
As linhas que preenchem corretamente as lacunas 1 e 2 do algoritmo acima, respectivamente, são:
Provas
Considere a seqüência de códigos em linguagem de programação C a seguir.
long int cont,dado;
dado = 0;
for (cont = 0;cont<100;cont++)
dado+=cont;
O valor da variável dado após sua execução é
Provas
Um sistema operacional multitarefa está executando as tarefas A, B e C, sendo que, em cada uma delas, ocorre uma exceção de tipo diferente. Na tarefa A, ocorre uma falta na proteção por tentativa de acesso a I/O. Na tarefa B, ocorre uma abortagem por código inválido. Já na tarefa C, ocorre uma armadilha de breakpoint. Quais serão, forçosamente, as tarefas encerradas pelo sistema operacional?
Provas
A respeito de camadas do modelo de referência OSI, é correto afirmar que:
Provas
Determinado sistema de telemetria realiza a digitalização de um sinal analógico em banda base com largura de faixa limitada a 10kHz. Essa digitalização utiliza um PCM que realiza a amostragem do sinal analógico com o dobro da taxa determinada pelo Teorema de Nyquist e codifica cada amostra resultante com 8 bits. O fluxo de bits resultante é transmitido através de um meio de transmissão utilizando-se uma modulação PAM binária com pulsos do tipo cosseno levantado com fator de rolloff igual a 0,5. A largura de faixa mínima que esse sinal PAM ocupará, em kHz, é:
Provas
Um sinal periódico correspondente a uma onda triangular de período T = 50 ms e amplitude de pico A = 20 tem a sua função matematicamente definida como:
!$ f(t)=\begin{cases}=A-{\large{4A \over T}}t & \text{para } &0 \le t \le {\large{T \over 2}} \\ ={\large{4A \over T}}t+A & \text{para } & -{\large{T \over 2}} \le t \le 0 \end{cases} !$
Os valores médio e eficaz desse sinal, respectivamente, são:
Provas
Caderno Container