Foram encontradas 460 questões.
- Manutenção MecânicaConceitos Básicos de Manutenção Mecânica
- Manutenção MecânicaFalhas
- Sistemas FluidomecânicosMáquinas de Fluxo
Provas
Operações de usinagem são muito comuns em processos de fabricação mecânica. Sabendo que um eixo com diâmetro de 50 mm será usinado com uma rotação de 1500 rpm, qual será o valor da velocidade de corte?
Dados: \(v_c = \dfrac{\pi \cdot D \cdot n}{1000}\) considerar \(\pi = 3\)
Provas
Provas
Em juntas aparafusadas, é fundamental que o aperto de parafusos e porcas proporcione uma tensão adequada a fim de que não haja folga ou danos aos elementos da junta por falta ou excesso de aperto, por isso a utilização de ferramentas com modos de medição ao aperto é altamente recomendada. Considere a figura a seguir.

Assinale a alternativa que indica corretamente a que ferramenta a escala mostrada pertence e o valor ajustado.
Provas
Observe a figura.

Considerando que o eixo e o furo representados na figura serão acoplados, em relação ao ajuste proporcionado, é correto afirmar que o conjunto terá ajuste
Provas
Observe a representação do paquímetro a seguir e a indicação da medição.

É correto afirmar que a resolução desse instrumento é de
Provas
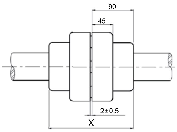
Acoplamentos elásticos são amplamente utilizados para unir eixos de motores a máquinas rotativas movidas, devido à absorção de cargas durante partidas diretas, por exemplo. Observe a figura a seguir.

Sabendo-se que a figura representa o desenho de montagem de um acoplamento elástico, constituído por duas partes perfeitamente iguais, e que as cotas estão indicadas em milímetros, a cota indicada pela letra “X” deve estar situada entre:
Provas
Provas
Provas
Motores elétricos são amplamente utilizados em aplicações industriais. Desprezando-se perdas por escorregamento, pode-se afirmar que um motor elétrico assíncrono com 4 polos, para frequências de 50 Hz e 60 Hz operam, respectivamente, em quais rotações nominais?
Dado: \( n = \dfrac{120 \cdot f}{\text{nº polos}} \)
Provas
Caderno Container