Magna Concursos

Foram encontradas 35 questões.

3193920 Ano: 2023
Disciplina: Engenharia Ambiental e Sanitária
Banca: SELECON
Orgão: SAAE Lucas do Rio Verde-MT
Provas:

Há vários tipos de caixas empregadas em instalações de esgoto sanitário. A seguir, são descritas as funções de três desses tipos:

I- caixa destinada a permitir a junção de tubulações do subsistema de esgoto sanitário;

II- caixa provida de desconector, destinada a receber efluentes da instalação secundária de esgoto;

III- caixa em que se reúnem os efluentes líquidos, cuja disposição exija elevação mecânica.

As características apresentadas correspondem, respectivamente, às caixas do tipo:

 

Provas

Questão presente nas seguintes provas
3193919 Ano: 2023
Disciplina: Engenharia Civil
Banca: SELECON
Orgão: SAAE Lucas do Rio Verde-MT
Provas:

A figura a seguir apresenta uma das águas do telhado de uma edificação com a indicação da posição de uma calha.

Enunciado 3459470-1

Nesse telhado, a altura h da cumeeira é de 1,8 m, e as dimensões a e b valem, respectivamente, 6 m e 10 m. Sabendo que a intensidade pluviométrica na região vale 200 mm/h, a vazão de projeto a ser considerada no projeto da calha é:

 

Provas

Questão presente nas seguintes provas
3193918 Ano: 2023
Disciplina: Engenharia Civil
Banca: SELECON
Orgão: SAAE Lucas do Rio Verde-MT
Provas:

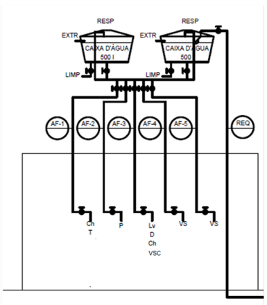
A figura a seguir ilustra o diagrama vertical da instalação hidráulica de uma residência.

Enunciado 3459469-1

Aparelho

Legenda

Peso

Lavatório

Lv

0,5

Chuveiro

Ch

0,5

Ducha higiênica

D

0,1

Vaso sanitário (válvula)

VS

40

Vaso sanitário (caixa)

VSC

0,3

Banheira

B

1,0

Tanque

T

1,0

Pia

P

0,7

Soma dos pesos

Diâmetro

0,1 a 0,4

15 mm

0,5 a 3,3

20 mm

3,4 a 14,7

25 mm

14,8 a 45,0

32 mm

45,0 a 108,0

40 mm

Considerando as tabelas indicadas, o diâmetro das colunas AF1, AF2, AF3, AF4 e AF5 na saída do barrilete valem respectivamente:

 

Provas

Questão presente nas seguintes provas
3193917 Ano: 2023
Disciplina: Edificações
Banca: SELECON
Orgão: SAAE Lucas do Rio Verde-MT
Provas:

Um técnico em edificações identifica a presença de um disjuntor com curva de disparo do tipo B protegendo um dos circuitos elétricos de uma residência. Sabendo que o disjuntor tem corrente nominal de 30 A, sua ação acontecerá para correntes de curto-circuito entre:

 

Provas

Questão presente nas seguintes provas
3193916 Ano: 2023
Disciplina: Engenharia Elétrica
Banca: SELECON
Orgão: SAAE Lucas do Rio Verde-MT
Provas:

A figura a seguir apresenta, esquematicamente, um centro de luz comandado por interruptores ligados em four-way.

Enunciado 3459467-1

Nessa ligação, devem estar presentes no eletroduto X:

 

Provas

Questão presente nas seguintes provas

A Lei do Município de Lucas do Rio Verde – MT nº 2.800, de 30 de maio de 2018, que dispõe sobre a Política Municipal de Saneamento Básico, dentre outros assuntos correlatos, tem por finalidade assegurar:

 

Provas

Questão presente nas seguintes provas

Em consonância com a Lei Orgânica do Município de Lucas do Rio Verde – MT, a organização municipal se alicerça em princípios e objetivos, dentre eles:

 

Provas

Questão presente nas seguintes provas

De acordo com a Lei Orgânica do Município de Lucas do Rio Verde – MT, cumpre ao Município legislar sobre a organização e a prestação – diretamente ou sob regime de concessão, permissão ou terceirização – dos serviços públicos de interesse local, incluído o transporte coletivo, que tem caráter essencial, devendo, nesse caso, dentre outras regras, estabelecer:

 

Provas

Questão presente nas seguintes provas

No sistema operacional Windows 10, ao selecionarmos um determinado item e aplicarmos o atalho CTRL-X, realizaremos a ação de:

 

Provas

Questão presente nas seguintes provas

A Lei Ordinária Municipal nº 2697, de 16 de outubro de 2017, e suas alterações, que dispõe sobre a nova estruturação do Regime Próprio de Previdência Social do Município de Lucas do Rio Verde – MT e dá outras providências, estabelece que os servidores abrangidos pelo regime do PREVILUCAS serão aposentados, com proventos proporcionais ao tempo de contribuição, compulsoriamente

 

Provas

Questão presente nas seguintes provas