Foram encontradas 50 questões.
A norma brasileira NBR 5410 − Instalações Elétricas de Baixa Tensão, estabelece as condições a que devem satisfazer as
instalações elétricas de baixa tensão, a fim de garantir a segurança de pessoas e animais, o funcionamento adequado da
instalação e a conservação dos bens. A norma NBR 5410 especifica, no dimensionamento de condutores elétricos, as condições
que o condutor terra, também denominado de condutor de proteção deve ser instalado. Assim, é correto afirmar que
Provas
Questão presente nas seguintes provas
A figura representa as curvas obtidas de um osciloscópio da tensão e corrente de uma certa impedância Z.

Analisando os dados, é correto afirmar que a impedância

Analisando os dados, é correto afirmar que a impedância
Provas
Questão presente nas seguintes provas
A figura abaixo representa o diagrama simplificado de um sistema de controle automático de processos.

É correto afirmar que

É correto afirmar que
Provas
Questão presente nas seguintes provas
Atenção: Para responder a questão, considere as informações abaixo.
O grupo gerador de uma empresa de saneamento é utilizado para garantir fornecimento da energia elétrica e a continuidade
das atividades mesmo com a falta do fornecimento de energia da concessionária local. Considere um grupo gerador que possui os
seguintes valores nominais: 500 kVA − 380/220 V − 60 Hz − trifásico e fator de potência 0,6 em atraso, indutivo.
Provas
Questão presente nas seguintes provas
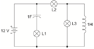
O circuito mostrado abaixo é alimentado por uma fonte de tensão contínua de 12 V e as lâmpadas são de 12 V/6W.

Considerando regime permanente é correto afirmar que

Considerando regime permanente é correto afirmar que
Provas
Questão presente nas seguintes provas
O escorregamento de um motor de indução de quatro polos, alimentado por uma fonte de tensão em 60 Hz é de 2%. A rotação
em rpm deste motor é
Provas
Questão presente nas seguintes provas
Considere que o circuito elétrico representado opere em f = 60 [Hz]. Deseja-se que a impedância vista pelo gerador seja
puramente resistiva. O valor da reatância XC do capacitor C, para que isto ocorra, deve ser igual a:


Provas
Questão presente nas seguintes provas
A bobina do circuito primário de um transformador tem indutância L = 100 mH com resistência desprezível. É correto afirmar que
sua reatância, em Ω, na frequência de 60 Hz é
Provas
Questão presente nas seguintes provas
A norma NBR 5410 especifica que, para proteção de pessoas e evitar incêndio de materiais, é necessária a instalação do
dispositivo DR – Interruptor ou Disjuntor Residual. Nas instalações residenciais, é correto afirmar que
Provas
Questão presente nas seguintes provas
Os dados de catálogo do fabricante de um transformador monofásico informam os seguintes valores:
− Potência Nominal = 50 kVA, Tensão 13.200/220 V; − Perdas em Vazio 1.000 W, Perdas em Carga Nominal = 3.000 W.
Caso o transformador opere com 50% de carga e fator de potência 0,8 indutivo (atrasado) é correto afirmar que as perdas no Ferro e as perdas Joule são respectivamente de
− Potência Nominal = 50 kVA, Tensão 13.200/220 V; − Perdas em Vazio 1.000 W, Perdas em Carga Nominal = 3.000 W.
Caso o transformador opere com 50% de carga e fator de potência 0,8 indutivo (atrasado) é correto afirmar que as perdas no Ferro e as perdas Joule são respectivamente de
Provas
Questão presente nas seguintes provas
Cadernos
Caderno Container