Foram encontradas 120 questões.

Com base nessas respostas dos estudantes e no questionamento feito pelo professor no teste, julgue os itens a seguir.
A resposta III está correta, porque o indutor foi, de fato, ligado em série com o resistor.
Provas

Com base nessas respostas dos estudantes e no questionamento feito pelo professor no teste, julgue os itens a seguir.
A resposta II está correta. Essa é a análise usual adotada em circuitos com alimentação senoidal em regime permanente.
Provas

Com base nessas respostas dos estudantes e no questionamento feito pelo professor no teste, julgue os itens a seguir.
A resposta I está equivocada, pois o atraso atribuído à corrente independe da escolha da fase de referência no circuito.
Provas

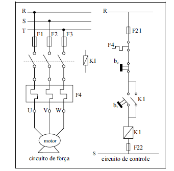
As figuras acima ilustram os circuitos de força e de controle para acionamento de um motor de indução trifásico. Julgue os itens que se seguem, que se referem aos componentes desses circuitos e ao funcionamento do motor.
Se o motor estiver em funcionamento, ele poderá ser desligado manualmente, bastando, para isso, pressionar-se a botoeira b0.
Provas

As figuras acima ilustram os circuitos de força e de controle para acionamento de um motor de indução trifásico. Julgue os itens que se seguem, que se referem aos componentes desses circuitos e ao funcionamento do motor.
Ao ser pressionada e solta, a botoeira b1, inicialmente, energiza o dispositivo F4, no circuito de força, fazendo que o motor parta. Somente alguns segundos depois, após o circuito de força ser energizado, o contato normalmente aberto K1, no circuito de controle, é, então, energizado.
Provas

As figuras acima ilustram os circuitos de força e de controle para acionamento de um motor de indução trifásico. Julgue os itens que se seguem, que se referem aos componentes desses circuitos e ao funcionamento do motor.
Em relação ao aspecto construtivo, o dispositivo K1, no circuito de força, é dotado de uma bobina que, quando alimentada, cria um campo magnético que permite a atração do núcleo ferromagnético móvel. Este, por sua vez, se une a um núcleo ferromagnético fixo, persistindo essa atração durante o tempo em que a bobina estiver alimentada.
Provas

As figuras acima ilustram os circuitos de força e de controle para acionamento de um motor de indução trifásico. Julgue os itens que se seguem, que se referem aos componentes desses circuitos e ao funcionamento do motor.
O elemento K1, no circuito de força, é denominado selo da bobina.
Provas

As figuras acima ilustram os circuitos de força e de controle para acionamento de um motor de indução trifásico. Julgue os itens que se seguem, que se referem aos componentes desses circuitos e ao funcionamento do motor.
O relé bimetálico tem função de proteger o circuito de força do motor contra desbalanço de fases.
Provas
Considere que um circuito primário de distribuição de energia elétrica seja atendido por cabo de energia isolado para 15 kV. A respeito de um cabo dessa natureza, julgue os itens seguintes.
A capa externa do cabo cumpre a função mecânica de agregação de sua blindagem metálica, dotando-o de uma proteção mecânica adequada.
Provas
Considere que um circuito primário de distribuição de energia elétrica seja atendido por cabo de energia isolado para 15 kV. A respeito de um cabo dessa natureza, julgue os itens seguintes.
O gradiente de potencial da borracha PVC é superior a 1.000 kV/mm. Dessa forma, campos elétricos com gradientes de potencial inferiores a esse valor não causam danos a um cabo com isolamento à base de PVC.
Provas
Caderno Container