Foram encontradas 120 questões.

Com base nessas informações, julgue os itens subseqüentes.

Provas

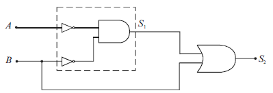
A figura acima ilustra um circuito lógico com duas variáveis de entrada e uma de saída. No que se refere ao funcionamento desse circuito lógico, julgue os próximos itens.
![]()
Provas

A figura acima mostra um circuito elétrico alimentado por fonte de tensão contínua. No circuito, há uma fonte de tensão que é controlada pela corrente da fonte de alimentação i. Considerando que os valores dos resistores sejam dados em ohms, julgue os seguintes itens.
A tensão E no circuito é igual a 5 V.
Provas

A figura acima mostra um circuito elétrico alimentado por fonte de tensão contínua. No circuito, há uma fonte de tensão que é controlada pela corrente da fonte de alimentação i. Considerando que os valores dos resistores sejam dados em ohms, julgue os seguintes itens.
A corrente i que flui pela fonte é igual a 2,5 A.
Provas

Com base nessas informações, julgue os itens subseqüentes.

Provas

Com base nessas informações, julgue os itens subseqüentes.
A potência ativa que a fonte fornece para o circuito é igual a 20 W.
Provas

Com base nessas informações, julgue os itens subseqüentes.
A corrente I nesse circuito está avançada em relação à tensão da fonte.
Provas
Julgue os itens a seguir, que se referem a correntes de malha e tensões nodais em um circuito elétrico linear.
De acordo com as leis de Kirchhoff, é possível que se definam para um circuito elétrico dois nós de referência. Nesse caso, ainda de acordo com as leis de Kirchhoff, a tensão nodal em um nó do circuito é proporcional à tensão média entre os dois nós de referência.
Provas
Julgue os itens a seguir, que se referem a correntes de malha e tensões nodais em um circuito elétrico linear.
Por meio das correntes de malha em um circuito elétrico, é possível calcular as correntes efetivas que realmente fluem nos ramos do circuito. Conforme a malha, a sua corrente é igual à própria corrente que flui por um elemento de circuito que ela atravessa.
Provas

A partir das informações do sistema mostrado acima, julgue os itens que se seguem, considerando a base de potência igual a 100 MVA e a base de tensão igual a 10 kV no gerador.
A maior intensidade de corrente de curto-circuito na barra indicada por 1 ocorre para o tipo de falta fase-terra.
Provas
Caderno Container