Foram encontradas 50 questões.
A mudança no ensino médio promovida pelos Parâmetros Curriculares Nacionais (PCN) atinge aspectos fundamentais como o objetivo do processo de ensino-aprendizagem, que deixa de ser a transmissão de conteúdos para os alunos e passa a ser o desenvolvimento de competências, que permitam a inserção do aluno-cidadão no mundo do trabalho. Dessa forma, as competências e habilidades a serem desenvolvidas pela disciplina Física devem ser:
Provas
Os Parâmetros Curriculares Nacionais (PCN) estruturam o ensino médio em três grandes áreas do conhecimento, que devem se articular entre si de forma interdisciplinar. Para tanto, as competências e habilidades a serem desenvolvidas pelas diversas disciplinas são organizadas:
Provas
A freqüência mínima para emissão de fotoelétrons em um certo metal é 5,0 x 1014 Hz. Qual o comprimento de onda correspondente, no vácuo, em nm (10-9 m)?
Provas
O modelo de Bohr para o átomo de hidrogênio consiste em considerar o núcleo em repouso e o elétron em movimento numa órbita circular de raio R. Indique entre as opções abaixo, a que expressa a dependência da energia cinética do elétron com o raio da órbita.
Provas
O campo magnético de um sinal de televisão é perpendicular ao plano da antena, que consiste de uma espira circular de raio R = 10 cm. Se o campo magnético B é uniforme e, num determinado instante, sua intensidade varia com o tempo a uma taxa de 0,1 T/s, calcule a força eletromotriz induzida na antena

Provas
Um íon, de carga q e massa m, entra com velocidade V em uma câmara na qual o campo magnético uniforme B é perpendicular à trajetória do íon (veja a figura). Sob a ação do campo magnético, o íon descreve um semicírculo de raio R, dado por:

Provas
Identifique o gráfico que melhor representa o potencial elétrico V de uma esfera carregada condutora, de raio R, em função da distância r ao centro.
Provas
No circuito esquematizado na figura abaixo
e1 = 12V, e2 = 6,0V e R = 6,0Ω. Suponha que as baterias tenham resistências internas desprezíveis. Calcule a taxa liquida com a qual se transfere energia química ao circuito, em Watts.

Provas
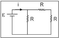
O circuito esquematizado abaixo consiste de uma bateria ideal
de força eletromotriz e= 12 V e três resistores iguais de resistência R = 6 Ω. Calcule a corrente fornecida pela bateria.

Provas
A figura mostra a posição de equilíbrio de uma esfera de carga Q e massa m, pendurada por um fio isolante de massa desprezível, sob a ação do campo gravitacional g e de um campo elétrico uniforme de intensidade E. O ângulo θ θ θ θ que o fio faz com a direção vertical é dado por:

Provas
Caderno Container