Foram encontradas 120 questões.

Considerando a figura precedente, que representa uma sequência genérica para o acionamento de um motor, julgue o item subsequente, a respeito dos equipamentos e tecnologias envolvidas no acionamento e controle de motores.
Provas

Considerando a figura precedente, que apresenta um sistema de conversão eletromecânica de energia, julgue o item a seguir.
Provas

Considerando a figura precedente, que apresenta um sistema de conversão eletromecânica de energia, julgue o item a seguir.
Provas

Considerando a figura precedente, que apresenta um sistema de conversão eletromecânica de energia, julgue o item a seguir.
Provas

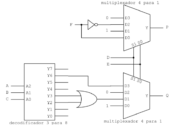
A figura apresentada mostra um circuito digital construído usando-se um decodificador de 3 para 8 com saídas em nível alto, dois multiplexadores de 4 para 1, uma porta inversora e uma porta OU. As entradas do circuito são A, B, C, D, E e F e as saídas são P e Q. O algarismo 0, em A0, Y0, D0 e S0, indica o bite menos significativo das respectivas entradas ou saídas dos componentes.
Considerando essas informações, julgue o seguinte item.
Se D = 0 e E = 1, então P = 1 e ![]()
Provas

A figura apresentada mostra um circuito digital construído usando-se um decodificador de 3 para 8 com saídas em nível alto, dois multiplexadores de 4 para 1, uma porta inversora e uma porta OU. As entradas do circuito são A, B, C, D, E e F e as saídas são P e Q. O algarismo 0, em A0, Y0, D0 e S0, indica o bite menos significativo das respectivas entradas ou saídas dos componentes.
Considerando essas informações, julgue o seguinte item.
Provas

A figura apresentada mostra um circuito digital construído usando-se um decodificador de 3 para 8 com saídas em nível alto, dois multiplexadores de 4 para 1, uma porta inversora e uma porta OU. As entradas do circuito são A, B, C, D, E e F e as saídas são P e Q. O algarismo 0, em A0, Y0, D0 e S0, indica o bite menos significativo das respectivas entradas ou saídas dos componentes.
Considerando essas informações, julgue o seguinte item.
A saída P pode ser escrita na forma de “soma de mintermos”
como ![]()
Provas
Com relação aos sistemas de comunicação analógica e digital, julgue o item a seguir.
Sinais PCM (do inglês, pulse code modulation, ou modulação por código de pulsos) são obtidos por meio de um processo que envolve amostragem e quantização.Provas
Com relação aos sistemas de comunicação analógica e digital, julgue o item a seguir.
No sistema FM (do inglês, frequency modulation, ou modulação em frequência), o sinal modulante pode ser recuperado por meio de um circuito detector de envoltória.
Provas
Acerca de controle linear, julgue o item a seguir.
O controle derivativo deve ser usado sozinho para evitar-se o incremento do erro atuante.Provas
Caderno Container