Foram encontradas 840 questões.
As subestações possuem um conjunto de equipamentos de
manobra e/ou transformação, podendo ser classificadas
quanto à sua função e instalação. Com base nessa classificação,
assinale a afirmativa INCORRETA.
Provas
Questão presente nas seguintes provas
Os valores de R1, R2 e R3 após a transformação da rede a
seguir são, respectivamente:


Provas
Questão presente nas seguintes provas
Analise a rede de computadores a seguir:

Assinale a alternativa que completa correta e sequencialmente os componentes anteriores.

Assinale a alternativa que completa correta e sequencialmente os componentes anteriores.
Provas
Questão presente nas seguintes provas
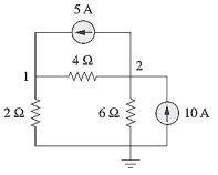
As tensões nos nós 1 e 2 do circuito a seguir são, aproximadamente e respectivamente:


Provas
Questão presente nas seguintes provas
Analise o circuito e as afirmativas a seguir:

I. Se o capacitor de filtro abrir, a tensão CC na carga RL será mais alta do que o capacitor em correto funcionamento.
II. Se um dos diodos abrir, a tensão CC na carga RL será mais baixa, pois se torna um retificador de onda completa.
III. Se o capacitor apresentar fuga, a tensão CC na carga RL será mais baixa.
IV. Se o capacitor abrir, ter-se-á uma ondulação na carga com frequência de 120 Hz.
Está correto o que se afirma apenas em

I. Se o capacitor de filtro abrir, a tensão CC na carga RL será mais alta do que o capacitor em correto funcionamento.
II. Se um dos diodos abrir, a tensão CC na carga RL será mais baixa, pois se torna um retificador de onda completa.
III. Se o capacitor apresentar fuga, a tensão CC na carga RL será mais baixa.
IV. Se o capacitor abrir, ter-se-á uma ondulação na carga com frequência de 120 Hz.
Está correto o que se afirma apenas em
Provas
Questão presente nas seguintes provas
“Quando estão associados com uma , em geral diz-se que estão operando
em modo de , já que todos os serviços
tradicionais de rede (por exemplo, atribuição de endereço
e roteamento) são fornecidos pela rede com a qual estiverem conectados por meio da . Em redes , hospedeiros não dispõem de qualquer desse tipo com a
qual possam se conectar.” Assinale a alternativa que completa
correta e sequencialmente a afirmativa anterior.
Provas
Questão presente nas seguintes provas
Sobre diodos semicondutores, analise as afirmativas a seguir.
I. A tensão de ruptura reversa de um diodo semicondutor aumentará ou diminuirá em função da temperatura.
II. Os diodos de germânio são os mais utilizados para toda gama de dispositivos eletrônicos; têm a vantagem da pronta disponibilidade a um baixo custo e de uma corrente de saturação reversa relativamente baixa.
III. O diodo semicondutor é diferente de uma chave mecânica porque, quando o chaveamento for fechado, permitirá somente que a corrente flua em um sentido. IV. De um modo geral, quanto maior a corrente que passa através de um diodo maior o nível de resistência CC.
Está correto o que se afirma apenas em
I. A tensão de ruptura reversa de um diodo semicondutor aumentará ou diminuirá em função da temperatura.
II. Os diodos de germânio são os mais utilizados para toda gama de dispositivos eletrônicos; têm a vantagem da pronta disponibilidade a um baixo custo e de uma corrente de saturação reversa relativamente baixa.
III. O diodo semicondutor é diferente de uma chave mecânica porque, quando o chaveamento for fechado, permitirá somente que a corrente flua em um sentido. IV. De um modo geral, quanto maior a corrente que passa através de um diodo maior o nível de resistência CC.
Está correto o que se afirma apenas em
Provas
Questão presente nas seguintes provas
Em comunicação óptica ocorrem alguns fenômenos na transmissão de dados:

O principal fenômeno apresentado pela figura denomina-se:

O principal fenômeno apresentado pela figura denomina-se:
Provas
Questão presente nas seguintes provas
“ é um instrumento que exibe a das componentes de um sinal versus , mostrando os diversos componentes de que indicam a em cada frequência. Um é capaz de realizar análise de sinais espúrios e ruído, verificações de fases, exames de e interferência eletromagnética,
medidas de , medidas para radares.” Assinale a alternativa que completa correta e sequencialmente a afirmativa
anterior.
Provas
Questão presente nas seguintes provas
Analise o circuito, a forma de onda da entrada e as afirmativas a seguir:

I. O circuito é um integrador com constante de tempo igual a 10 -3 .
II. A saída é uma onda quadrada, alternada, simétrica com tensão de pico a pico = 4V.
III. Para 0 < t < 2ms tem-se a função vi(t) = 2000t .
IV. Para 2ms < t < 4ms tem-se a função vi(t) = -2000t .
Está correto o que se afirma apenas em

I. O circuito é um integrador com constante de tempo igual a 10 -3 .
II. A saída é uma onda quadrada, alternada, simétrica com tensão de pico a pico = 4V.
III. Para 0 < t < 2ms tem-se a função vi(t) = 2000t .
IV. Para 2ms < t < 4ms tem-se a função vi(t) = -2000t .
Está correto o que se afirma apenas em
Provas
Questão presente nas seguintes provas
Cadernos
Caderno Container