Foram encontradas 840 questões.
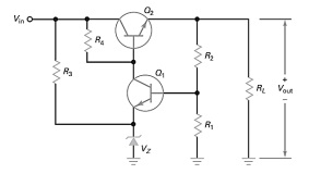
Analise o circuito regulador de fontes lineares e as afirmativas
a seguir:

I. A tensão de saída é igual a Vout =
II. A potência dissipada por Q2 é, aproximadamente: PD = (VR1 - Vout)I RL .
III. A eficiência do circuito Eficiência =
IV. A corrente de emissor no transistor Q2 é IE = IRL + IR2 .
Está correto o que se afirma em

I. A tensão de saída é igual a Vout =
II. A potência dissipada por Q2 é, aproximadamente: PD = (VR1 - Vout)I RL .
III. A eficiência do circuito Eficiência =
IV. A corrente de emissor no transistor Q2 é IE = IRL + IR2 .
Está correto o que se afirma em
Provas
Questão presente nas seguintes provas
Sobre a condutividade de materiais metálicos, marque V
para as afirmativas verdadeiras e F para as falsas.
( ) A condutividade metálica é oriunda da teoria eletrônica clássica, onde se supõe que um condutor sólido tenha uma cadeia cristalina iônica, e envolvendo íons, uma nuvem de elétrons livres. Esses elétrons livres são provenientes dos átomos das matérias, e deslocados por ação de uma força externa.
( ) Não existe relação entre a condutividade térmica e elétrica.
( ) Durante a passagem de corrente elétrica por um elemento condutor metálico, pode-se observar uma difusão de átomos de um metal no outro.
( ) Levando-se um elemento que conduz corrente elétrica a velocidades elevadas, e freando-se instantaneamente o condutor, é possível notar uma maior concentração de elétrons em uma das extremidades, motivada pela energia dos elétrons que compõe a nuvem.
( ) Um condutor colocando em um campo magnético transversal cria uma força eletromotriz também no sentido transversal, que pode ser medido por meio de um instrumento sensível denominado efeito Hall.
A sequência está correta em
( ) A condutividade metálica é oriunda da teoria eletrônica clássica, onde se supõe que um condutor sólido tenha uma cadeia cristalina iônica, e envolvendo íons, uma nuvem de elétrons livres. Esses elétrons livres são provenientes dos átomos das matérias, e deslocados por ação de uma força externa.
( ) Não existe relação entre a condutividade térmica e elétrica.
( ) Durante a passagem de corrente elétrica por um elemento condutor metálico, pode-se observar uma difusão de átomos de um metal no outro.
( ) Levando-se um elemento que conduz corrente elétrica a velocidades elevadas, e freando-se instantaneamente o condutor, é possível notar uma maior concentração de elétrons em uma das extremidades, motivada pela energia dos elétrons que compõe a nuvem.
( ) Um condutor colocando em um campo magnético transversal cria uma força eletromotriz também no sentido transversal, que pode ser medido por meio de um instrumento sensível denominado efeito Hall.
A sequência está correta em
Provas
Questão presente nas seguintes provas
Sobre materiais magnéticos, marque V para as afirmativas
verdadeiras e F para as falsas.
( ) Materiais ferromagnéticos se caracterizam por uma magnetização espontânea, que é totalmente dependente de campos magnéticos externos. A grandeza dessa magnetização espontânea depende da temperatura, referindo-se a esta temperatura crítica, em que um material passa de ferromagnético a paramagnético.
( ) Considerando um material ferromagnético abaixo da temperatura crítica, chamada de temperatura de Curie, pode- -se observar que nele possui vários pequenos domínios com uma única orientação magnética.
( ) Os materiais ferromagnéticos, perante a ausência de campo magnético externo e de um magnetismo residual, o vetor de campo resultante da somatória de todos os vetores de cada domínio possui resultante nula.
( ) Cada imã natural ou artificial apresenta subdivisões de partículas, de forma que cada uma não representa um imã completo.
( ) A característica básica de um dipolo magnético é o vetor do conjugado magnético dipolar.
A sequência está correta em
( ) Materiais ferromagnéticos se caracterizam por uma magnetização espontânea, que é totalmente dependente de campos magnéticos externos. A grandeza dessa magnetização espontânea depende da temperatura, referindo-se a esta temperatura crítica, em que um material passa de ferromagnético a paramagnético.
( ) Considerando um material ferromagnético abaixo da temperatura crítica, chamada de temperatura de Curie, pode- -se observar que nele possui vários pequenos domínios com uma única orientação magnética.
( ) Os materiais ferromagnéticos, perante a ausência de campo magnético externo e de um magnetismo residual, o vetor de campo resultante da somatória de todos os vetores de cada domínio possui resultante nula.
( ) Cada imã natural ou artificial apresenta subdivisões de partículas, de forma que cada uma não representa um imã completo.
( ) A característica básica de um dipolo magnético é o vetor do conjugado magnético dipolar.
A sequência está correta em
Provas
Questão presente nas seguintes provas
Sobre os tipos de tiristores, relacione adequadamente as
colunas a seguir.
1. Retificadores controlados de silício ativados por luz.
2. Tiristores tríodos bidirecionais.
3. Tiristores de comutação por porta integrada.
4. Tiristores de desligamento pela porta.
5. Tiristores controlados por fase.
( ) GTOs.
( ) LASCRs.
( ) TRIACs.
( ) SCRs.
( ) IGCTs.
A sequência está correta em
1. Retificadores controlados de silício ativados por luz.
2. Tiristores tríodos bidirecionais.
3. Tiristores de comutação por porta integrada.
4. Tiristores de desligamento pela porta.
5. Tiristores controlados por fase.
( ) GTOs.
( ) LASCRs.
( ) TRIACs.
( ) SCRs.
( ) IGCTs.
A sequência está correta em
Provas
Questão presente nas seguintes provas
Sobre os tiristores genéricos, marque V para as afirmativas
verdadeiras e F para as falsas.
( ) Um tiristor pertence à família de dispositivos de quatro camadas semicondutoras. É um dispositivo de retenção, ou seja, ele trava em condução plena no sentido direto, quando a tensão no anodo é mais positiva em relação ao catodo e somente quando um pulso de tensão ou corrente é aplicado ao seu terminal de porta.
( ) A corrente direta de catodo de um tiristor deve ser superior à sua corrente de travamento para ficar em estado de condução; caso contrário, o dispositivo retorna para condição de condução quando a tensão catodo-anodo é aumentada.
( ) Se a corrente direta de anodo for reduzida abaixo de sua corrente de manutenção, o dispositivo começa a conduzir e permanece em estado de condução.
( ) Quando o tiristor conduz, ele se comporta como um diodo em condução e há controle sobre o dispositivo, isto é, o dispositivo pode ser ligado por outro pulso de acionamento, seja positivo ou negativo.
( ) O tiristor pode ser representado por um circuito equivalente de dois transistores NPN.
A sequência está correta em
( ) Um tiristor pertence à família de dispositivos de quatro camadas semicondutoras. É um dispositivo de retenção, ou seja, ele trava em condução plena no sentido direto, quando a tensão no anodo é mais positiva em relação ao catodo e somente quando um pulso de tensão ou corrente é aplicado ao seu terminal de porta.
( ) A corrente direta de catodo de um tiristor deve ser superior à sua corrente de travamento para ficar em estado de condução; caso contrário, o dispositivo retorna para condição de condução quando a tensão catodo-anodo é aumentada.
( ) Se a corrente direta de anodo for reduzida abaixo de sua corrente de manutenção, o dispositivo começa a conduzir e permanece em estado de condução.
( ) Quando o tiristor conduz, ele se comporta como um diodo em condução e há controle sobre o dispositivo, isto é, o dispositivo pode ser ligado por outro pulso de acionamento, seja positivo ou negativo.
( ) O tiristor pode ser representado por um circuito equivalente de dois transistores NPN.
A sequência está correta em
Provas
Questão presente nas seguintes provas
Deve-se destacar que as atas de reunião têm grande importância para o registro das decisões. Nas obras públicas, as
atas de reunião, com a fiscalização, tomam caráter ainda
mais importante, mostrando se a obra está sendo executada
conforme o contrato estabelecido. A ata apresenta as decisões e os pontos relevantes discutidos durante a reunião. Nas
atas de reunião com a fiscalização, recomendam-se alguns
pontos; analise-os.
I. Identificação da reunião de obra.
II. Registro de informações e assuntos diversos ocorridos durante a reunião.
III. Trabalhos em curso na obra.
IV. Planejamento e controle.
V. Registros de atrasos e solicitação de implementação de medidas.
Está correto o que se afirma em
I. Identificação da reunião de obra.
II. Registro de informações e assuntos diversos ocorridos durante a reunião.
III. Trabalhos em curso na obra.
IV. Planejamento e controle.
V. Registros de atrasos e solicitação de implementação de medidas.
Está correto o que se afirma em
Provas
Questão presente nas seguintes provas
Na etapa de construção do empreendimento, o acompanhamento do planejamento é a etapa chamada controle. O
controle é realizado por meio de mecanismos dinâmicos que
possam mostrar as variações existentes entre o planejado e
o realizado. É mediante o controle, entre o planejado e o
realizado, que é feita a gestão da qualidade. A qualidade é
um objetivo que deve ser constantemente observado no
decorrer da obra. São consideradas ferramentas para a gestão da qualidade, EXCETO:
Provas
Questão presente nas seguintes provas
O planejamento de obras de edificações deve prever os serviços envolvidos em cada uma das etapas, bem como apresentar a sequência das atividades com base em seus inter-relacionamentos. Assim, como visto, para atender às características das obras de edificações, o canteiro de obras
deverá ter uma estrutura organizacional muito dinâmica
(passa por variações ao longo da obra) e flexível (sofre a
influência de vários intervenientes ao mesmo tempo).
Durante o desenvolvimento do projeto de uma edificação,
deverá ser previsto que o canteiro de obras irá assumir características distintas em função dos operários, das empresas, dos materiais e dos equipamentos presentes nele. Diversas atitudes devem ser tomadas com o objetivo de facilitar o desenvolvimento da obra; analise-as.
I. Implantação de política de qualidade.
II. Desenvolvimento de fornecedores de materiais.
III. Desenvolvimento de empreiteiros, mas não de subempreiteiros.
IV. Utilização de ferramentas computacionais.
Está correto o que se afirma apenas em
I. Implantação de política de qualidade.
II. Desenvolvimento de fornecedores de materiais.
III. Desenvolvimento de empreiteiros, mas não de subempreiteiros.
IV. Utilização de ferramentas computacionais.
Está correto o que se afirma apenas em
Provas
Questão presente nas seguintes provas
“É o principal indicador do setor da construção civil. Calculado mensalmente pelos Sindicatos da Indústria da Construção Civil de todo o Brasil, é divulgado até o dia cinco de
cada mês. Sua finalidade é determinar o custo global da
obra para fins de cumprimento do estabelecido na lei de
incorporação de edificações habitacionais em condomínio,
apenas de orientação para o setor da construção civil:
nunca será o custo real da obra, que só é obtido por meio
de um orçamento completo com todas as especificações de
cada projeto em estudo ou análise. Atualmente, a sua
variação percentual mensal tem servido como mecanismo
de reajuste de preços em contratos de compra de apartamentos em construção e até mesmo como índice do
setor da construção civil.” As informações se referem a:
Provas
Questão presente nas seguintes provas
O orçamento, elemento fundamental para o sucesso de
qualquer empreendimento, é a previsão de custo de uma
obra. Assim, ele deverá quantificar insumos como mão de
obra, materiais, máquinas, ferramentas e equipamentos
necessários para a realização da obra, seus custos e o tempo
que será utilizado na execução de cada serviço. O orçamento
pode ser:
I. Por estimativa: é feito para estudar a viabilidade de empreendimentos. É elaborado com base no projeto preliminar de arquitetura. Sua margem de erro é de cerca de 20%.
II. Preliminar: é feito para o planejamento inicial da obra. Elaborado com base nos projetos preliminares de arquitetura, de estruturas, de instalações elétricas e de instalações hidráulicas; utiliza os memoriais descritivos, que também estão em fase preliminar. Tem margem de erro de 10%.
III. Executivo: é feito para o planejamento inicial da obra. Elaborado com base em todos os projetos e respectivos memoriais descritivos de acabamentos completos, tem margem de erro de 5%.
Está correto o que se afirma em
I. Por estimativa: é feito para estudar a viabilidade de empreendimentos. É elaborado com base no projeto preliminar de arquitetura. Sua margem de erro é de cerca de 20%.
II. Preliminar: é feito para o planejamento inicial da obra. Elaborado com base nos projetos preliminares de arquitetura, de estruturas, de instalações elétricas e de instalações hidráulicas; utiliza os memoriais descritivos, que também estão em fase preliminar. Tem margem de erro de 10%.
III. Executivo: é feito para o planejamento inicial da obra. Elaborado com base em todos os projetos e respectivos memoriais descritivos de acabamentos completos, tem margem de erro de 5%.
Está correto o que se afirma em
Provas
Questão presente nas seguintes provas
Cadernos
Caderno Container