Foram encontradas 50 questões.

Um transformador é um componente elétrico que transfere energia de um circuito para outro, por meio de um campo magnético que enlaça ambos os circuitos. No caso de um transformador ideal, cujo fator de transformação é m, a transferência de energia ocorre sem perda de potência, e a relação entre as variáveis de potência dos circuitos envolvidos, conforme esquematizado na figura acima, é tal que
Provas

O circuito elétrico mostrado na figura acima é constituído de uma fonte de tensão, E(t), dois resistores, R1 e R2, e um capacitor, C. Os multímetros M1 e M2, posicionados conforme indicado, medem, respectivamente, a
Provas
Considere as afirmativas a seguir, sobre o uso de óleos como lubrificante.
I – Os óleos minerais parafínicos são os que apresentam maior variação da viscosidade com a temperatura, logo, têm índices de viscosidade mais baixos que os naftênicos.
II – O ponto de fulgor é um dado importante, principalmente quando são utilizados óleos que trabalham em altas temperaturas.
III – O ponto de fluidez mínima é um dado importante quando se lida com óleos que trabalham em baixas temperaturas.
Está(ão) correta(s) as afirmativas
Provas

O diagrama PERT-CPM mostrado na figura acima é representativo da realização de um projeto. Com base nos tempos de cada tarefa e no caminho crítico de execução, é correto afirmar que a duração do projeto
Provas
Sobre as diferentes formas de manutenção, considere as afirmativas a seguir.
I – A preditiva, após o monitoramento de um fenômeno, adota dois procedimentos para atacar eventuais problemas detectados: estabelece um diagnóstico e efetua uma análise de tendências.
II – A preventiva estabelece que as paradas periódicas serão realizadas em função dos registros fornecidos por equipamentos de monitoração de um fenômeno.
III – A preventiva tem como objetivo localizar e reparar defeitos em equipamentos que operam em regime de trabalho contínuo.
Está(ão) correta(s) APENAS a(s) afirmativa(s)
Provas
O fenômeno da cavitação ocorrente nas instalações de bombeamento que utilizam bombas centrífugas pode provocar corrosão, desgaste, remoção de partículas e destruição de pedaços dos rotores das bombas. A respeito desse fenômeno, analise as afirmativas a seguir.
I – A cavitação provoca a queda do rendimento das instalações de bombeamento.
II – Nas bombas radiais, uma das precauções para se evitar que ocorra a cavitação é a utilização de um rotor com poucas pás.
III – Nas bombas radiais de múltiplos estágios, a cavitação pode ser evitada adotando-se um pequeno valor para a altura de elevação a cargo de cada rotor.
Está(ão) correta(s) a(s) afirmativa(s)
Provas
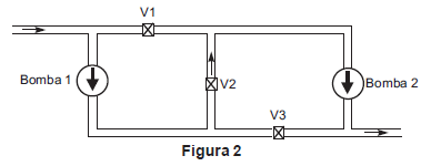
A Figura 1 mostra, esquematicamente, as curvas características referentes à combinação de duas bombas centrífugas (em série e em paralelo).
A Figura 2 mostra uma possível configuração de instalação, onde podem ser realizadas as ligações em série e em paralelo das duas bombas.


O ponto de operação P, indicado na Figura 1, é atendido quando as válvulas V1, V2 e V3 estiverem, respectivamente,
Provas
Analise as afirmativas a seguir, relativas ao processo eletroquímico, no qual os elétrons são cedidos em determinada região e recebidos em outra.
I – No processo anódico ocorre a passagem dos íons para a solução.
II – No processo catódico ocorre a recepção de elétrons, na área catódica, pelos íons ou pelas moléculas existentes na solução.
III – Na etapa de deslocamento de elétrons e íons ocorre a transferência dos elétrons das regiões catódicas para as anódicas pelo circuito metálico.
Está(ão) correta(s) a(s) afirmativa(s)
Provas
Na proteção catódica galvânica de uma tubulação enterrada, os anodos de magnésio e zinco são enterrados no solo envolvidos com um enchimento condutor (mistura de gesso, betonita e sulfato de sódio) com a finalidade de
Provas
O rotor de um ventilador está operando com uma potência de 1,0 HP, quando sua rotação é alterada de 1.000 rpm para 1.200 rpm. Considerando aplicáveis as leis de semelhança geométrica, cinemática e dinâmica, a potência de operação, em HP, para esta nova rotação será de
Provas
Caderno Container