Foram encontradas 520 questões.
- Transformadores e Máquinas ElétricasPrincípios BásicosPerdas, rendimento, torque, potência, ângulo de potência e funcionamento geral
Considere um transformador trifásico com ligação em estrela equilibrado. O engenheiro mediu a tensão de linha com um multímetro e encontrou 85V. Sabendo que a tensão de fase deveria ser de 110V, determine a queda de tensão entre fase e neutro, sem casas decimais.
Provas
Determine o valor do equivalente de Norton (Corrente e Resistência) entre os terminas A e B para o circuito apresentado na imagem a seguir (Considere os valores com uma casa decimal):

Provas
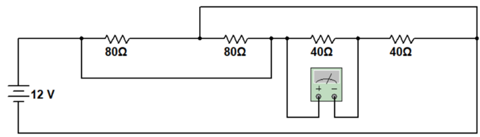
Determine a tensão lida pelo voltímetro apresentado na imagem abaixo.

Provas
Conforme NBR 5419, para o projeto de SPDA, determine a altura da haste para o para-raios Franklin. A estrutura tem 21 m de altura, 12 m de largura e 6 m de profundidade, conforme figura abaixo. Foram utilizadas duas hastes iguais no topo do prédio. Considere o nível de proteção II.
-

-
Nível de Proteção | Ângulo de Proteção (α) em graus, em função da altura da ponta do captor em relação ao solo em metros. (b) | |||
h < 20 | 20 < h < 30 | 30 < h < 45 | 45 < h < 60 | |
IV | 55 | 45 | 35 | 25 |
III | 45 | 35 | 25 | a |
II | 35 | 25 | a | a |
I | 25 | a | a | a |
Provas
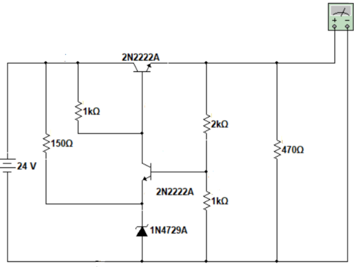
Para a fonte linear com realimentação apresentada na imagem a seguir, determine a tensão na carga de 470 Ω, sabendo que o diodo Zener 1N4749A possui tensão Vz = 3,6V. Considere o Vbe do transistor 2N2222 de 0,7V.

Provas
As estruturas de concreto, desde sua fase de projeto e durante sua vida útil, estão sujeitas a uma série de fatores que poderão comprometer sua durabilidade e até mesmo sua estabilidade. O ataque de é um termo usado para descrever uma série de reações químicas entre íons e compostos hidratados da pasta de cimento endurecida. Estas reações deletérias são capazes de formar compostos expansíveis passíveis de gerar tensões, fragilizando e fissurando a matriz cimentícia, facilitando assim, a entrada de novos agentes agressivos. As adições minerais, por sua vez, têm apresentado inúmeros benefícios às propriedades do concreto, tanto no estado fresco quanto no estado endurecido, mitigando o aparecimento desse tipo de manifestação patológica.
Assinale a alternativa que preenche corretamente a lacuna do trecho acima.
Provas
Em relação aos termos e definições presentes na ABNT NBR 8160 – Instalações prediais de esgoto sanitário, em vigor, como se chama o fator numérico que representa a contribuição considerada em função da utilização habitual de cada tipo de aparelho sanitário?
Provas
“Tratam-se de depósitos cristalinos, de cor branca, que podem ser observadas nas superfícies das estruturas e que resultam da exposição do concreto à água de infiltrações ou de intempéries”. A que tipo de manifestação patológica a descrição se refere?
Provas
Relacione a Coluna 1 à Coluna 2, associando os termos e definições presentes na ABNT NBR 5626 – Sistemas prediais de água fria e água quente – Projeto, execução, operação e manutenção, em vigor.
Coluna 1
-
1. Barrilete.
2. Ramal.
3. Ramal predial.
4. Sub-ramal.
Coluna 2
-
( ) Tubulação da qual derivam as colunas de distribuição.
( ) Tubulação que pode ser derivada da coluna de distribuição.
( ) Tubulação compreendida entre a rede pública de abastecimento de água e a extremidade a montante do alimentador predial ou da rede predial de distribuição.
( ) Tubulação que liga o ramal ao ponto de utilização.
A ordem correta de preenchimento dos parênteses, de cima para baixo, é:
Provas
A Resolução nº 09/2011 determina parâmetros arquitetônicos para a acomodação de pessoas presas, especificando que “a cela individual é a menor célula possível de um estabelecimento penal. Neste cômodo devem ser previstos cama e área de higienização pessoal com pelo menos lavatório e aparelho sanitário, além da circulação”. No caso da cela acessível, as dimensões do mobiliário dos dormitórios acessíveis devem atender às condições de alcance manual e visual previstos na ABNT NBR 9050. Analise as assertivas abaixo e assinale V, se verdadeiras, ou F, se falsas.
( ) O mobiliário ser disposto de forma a não obstruir uma faixa livre mínima de circulação interna de 0,90 m de largura, prevendo área de manobras para o acesso ao sanitário, camas e armários.
( ) Deve haver pelo menos duas áreas com diâmetro de, no mínimo, 1,50 m que possibilitem um giro de 360°.
( ) A altura das camas deve ser de 0,46 m.
A ordem correta de preenchimento dos parênteses, de cima para baixo, é:
Provas
Caderno Container