Foram encontradas 532 questões.
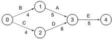
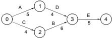
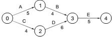
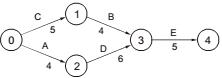
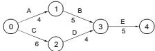
Numa obra de construção civil, eventos e atividades estão apresentados na tabela a seguir.
Eventos
Dias necessários
Atividades Inicial Final para execução
A – Tecer alvenaria da fachada 0 1 5
B – Fazer abertura de Vãos 1 3 4
C – Preparar Caixilharia 0 2 4
D – Colocar Caxilhos 2 3 6
E – Assentar Portas e Janelas 3 4 5
A representação gráfica correta pelos métodos PERT/CPM é:
Eventos
Dias necessários
Atividades Inicial Final para execução
A – Tecer alvenaria da fachada 0 1 5
B – Fazer abertura de Vãos 1 3 4
C – Preparar Caixilharia 0 2 4
D – Colocar Caxilhos 2 3 6
E – Assentar Portas e Janelas 3 4 5
A representação gráfica correta pelos métodos PERT/CPM é:
Provas
Questão presente nas seguintes provas
Considere a figura a seguir.

Num trecho externo de um estabelecimento público, encontra-se uma área que servirá como pista para deslocamento.
Dados:
Técnica de Iluminamento por Ponto, considere a fórmula ao lado Ep = (E × K × Ψ1 × N) / H2 sendo Ep o iluminamento no ponto Pa
Ponto Pa - iluminamento mínimo
Lâmpada empregada é a de vapor de mercúrio de 250 W
H = altura das luminárias é de 10 m
K = o fator da luminária empregada que, extraído do diagrama de curvas resulta em 0,23
Valor para iluminamento máximo = 100 %, ou seja, E = 1
Ψ1 = fluxo luminoso da lâmpada = 12000 lumens
N = 1 (lâmpada da luminária)
Contribuição somente das luminárias L2 e L3
Ψp = 15% = curva adotada no diagrama de curvas, considerando somente a contribuição de cada uma das luminárias L2 e L3
A distância entre L2 e Pa é igual a distância entre Pa e L3
O iluminamento em Pa (que está sobre a linha média dessa pista) é

Num trecho externo de um estabelecimento público, encontra-se uma área que servirá como pista para deslocamento.
Dados:
Técnica de Iluminamento por Ponto, considere a fórmula ao lado Ep = (E × K × Ψ1 × N) / H2 sendo Ep o iluminamento no ponto Pa
Ponto Pa - iluminamento mínimo
Lâmpada empregada é a de vapor de mercúrio de 250 W
H = altura das luminárias é de 10 m
K = o fator da luminária empregada que, extraído do diagrama de curvas resulta em 0,23
Valor para iluminamento máximo = 100 %, ou seja, E = 1
Ψ1 = fluxo luminoso da lâmpada = 12000 lumens
N = 1 (lâmpada da luminária)
Contribuição somente das luminárias L2 e L3
Ψp = 15% = curva adotada no diagrama de curvas, considerando somente a contribuição de cada uma das luminárias L2 e L3
A distância entre L2 e Pa é igual a distância entre Pa e L3
O iluminamento em Pa (que está sobre a linha média dessa pista) é
Provas
Questão presente nas seguintes provas
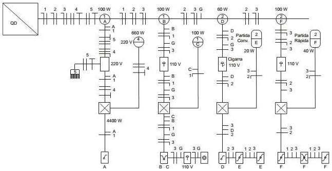
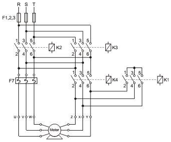
Considere a representação elétrica a seguir.

A representação está corretamente identificada em:

A representação está corretamente identificada em:
Provas
Questão presente nas seguintes provas
Considere a figura a seguir.

Admitindo-se que:
E = iluminamento (lux)
I = intensidade luminosa (candelas)
d = distância do foco luminoso ao ponto (B) a iluminar (m)
h = distância, na vertical, entre a fonte e o ponto A iluminado (m)
θ = ângulo entre os pontos A e B
B = ponto oblíquo a iluminar
A fórmula para o cálculo do iluminamento (E), em lux, pode ser dada por

Admitindo-se que:
E = iluminamento (lux)
I = intensidade luminosa (candelas)
d = distância do foco luminoso ao ponto (B) a iluminar (m)
h = distância, na vertical, entre a fonte e o ponto A iluminado (m)
θ = ângulo entre os pontos A e B
B = ponto oblíquo a iluminar
A fórmula para o cálculo do iluminamento (E), em lux, pode ser dada por
Provas
Questão presente nas seguintes provas
- Instalações Elétricas
- Normas TécnicasNBRsNBR 5410: Instalações Elétricas de Baixa Tensão
- Normas TécnicasNBRsNBR 14039: Instalações Elétricas de Média Tensão
No esquema abaixo,

as letras A e B, respectivamente, estão aderentes às NBRs

as letras A e B, respectivamente, estão aderentes às NBRs
Provas
Questão presente nas seguintes provas
O esquema abaixo
representa um comando
representa um comando
Provas
Questão presente nas seguintes provas
- Proteção de Sistemas ElétricosProteção em Média Tensão
- Sistemas Elétricos de PotênciaDistribuição de Energia Elétrica
Para a escolha do disjuntor, além da capacidade de estabelecimento em curto-circuito (kA crista) e da capacidade de interrupção em curto-circuito simétrico (kA eficaz), devem ser analisadas a tensão nominal
Provas
Questão presente nas seguintes provas
O cronograma em que são mostrados os serviços a serem executados concomitantemente a parcelas de desembolso, durante o período previsto para o projeto, é o
Provas
Questão presente nas seguintes provas
Um motor monofásico de 127 V, 5 HP, fator de potência igual a 0,85 e rendimento de 90% deve ser instalado com um disjuntor de proteção. Para o dimensionamento do disjuntor, precisa-se calcular a corrente nominal do motor, cujo valor aproximado, em A, é
Provas
Questão presente nas seguintes provas
No dimensionamento do condutor de proteção em uma instalação elétrica predial, se a seção S do condutor
Provas
Questão presente nas seguintes provas
Cadernos
Caderno Container