Foram encontradas 517 questões.

Acima é apresentado um esquema simplificado de acionamento de motor, com utilização de chave contatora. A respeito desse esquema, pode-se afirmar, corretamente, que:
Provas
Em um sistema trifásico, as tensões de fase podem ser representadas por seus componentes simétricos. A respeito dessa temática, assinale a afirmação INCORRETA.
Provas
Uma instalação industrial é alimentada por um sistema elétrico, com tensão de entrada de 13,8 kV e potência de curto-circuito no ponto de entrega da concessionária de 150.000kVA. Os valores da tensão e da potência de base adotados são iguais aos nominais do transformador de entrada (2.000 kVA; 13,8Δ kV-150Y kV). Nessas condições, a impedância reduzida do sistema é:
Provas
Considere um sistema tendo como entrada o sinal x(t) e como saída o sinal y(t) e cujo modelo é representado por uma equação diferencial linear dada por:
Sendo x(t) um degrau de amplitude 10, o sinal y(t) de saída obedece à expressão matemática do tipo
Os valores de
em rad/s, respectivamente, são:
Provas

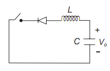
O circuito da figura acima mostra um capacitor que está inicialmente carregado com uma tensão Vo. No tempo t=0 a chave é fechada. Considerando os componentes ideais, a expressão matemática do valor máximo de corrente que atravessa o diodo é:
Provas
Uma fonte de alimentação do tipo conversor AC-DC foi projetada para fornecer a tensão de 12V entre seus terminais de saída sem carga. A fonte possui um fator de regulação de 20% e foi calculada para suportar uma carga máxima de 50A. Durante ensaio com a fonte, uma carga resistiva foi conectada em seus terminais consumindo uma corrente de 5A. Qual a tensão, em V, medida sobre a carga durante o ensaio?
Provas
A figura abaixo mostra o esquema de um gerador trifásico na configuração estrela, com duas de suas fases em curto e uma aberta.

Considere V1 (F) a tensão de seqüência positiva na falta e as impedâncias nas seqüências zero, positiva e negativa, respectivamente, Z0 EQU, Z1 EQU e Z2 EQU . A expressão que determina a corrente de falta na seqüência positiva, quando ocorre uma falta entre duas fases desse gerador, é:
Provas
Um motor CC, ao ser acionado para movimentar uma carga mecânica fornece a energia de 2400 J em 12 segundos, quando é alimentado por uma tensão contínua de 25V e uma corrente de 10 A. O rendimento do motor é de:
Provas

A figura acima apresenta um circuito contendo um transformador ideal, onde EA e EB representam fasores de tensão e IA e IB , fasores de corrente. Com relação ao circuito apresentado, as expressões corretas são:
Provas
Na tarifação horo-sazonal azul, o consumidor de grande porte é tarifado, dentre outros, pela demanda de potência solicitada da concessionária, pelo consumo de energia elétrica e pelo fator de potência. A diminuição do custo da fatura do consumidor causada pela elevação do Fator de Carga (FC) está associada a uma redução da:
Provas
Caderno Container