Foram encontradas 517 questões.
A chave estrela-triângulo é muito utilizada para a partida de motores trifásicos de pequeno porte, dado o seu custo reduzido e sua praticidade. Com respeito ao emprego desse equipamento, considere as seguintes afirmativas:
I - o motor deve ter todos os terminais de seus enrolamentos disponíveis para as ligações;
II - a corrente de partida na configuração delta é 1/3 da sua correspondente na configuração estrela;
III - a tensão em cada enrolamento do motor, na configuração estrela, é igual à da configuração delta.
A(s) afirmativa(s) correta(s) é(são) apenas a(s):
Provas
Uma subestação unitária industrial é composta, entre outros equipamentos, por um transformador de 330 kVA na configuração Δ (primário) – Y (secundário). Esse transformador é alimentado em seu primário por uma tensão de entrega da concessionária igual a 13,8 kV, tendo como tensão no secundário 220V. Escolhendo como bases a tensão de 15 kV referida ao lado do primário do transformador e a potência de 330 kVA, é correto afirmar que:
Provas

A figura acima representa a ligação de duas luminárias (A e B), por meio de três interruptores (1, 2 e 3). A ligação foi realizada de modo a propiciar o acionamento dessas luminárias em qualquer um dos interruptores. Os condutores que devem passar entre a luminária A e a B e os interruptores 1, 2 e 3, respectivamente, são:
Provas
De acordo com a NBR 5.410, que regula os procedimentos em instalações elétricas de baixa tensão, são previstos os seguintes esquemas de aterramento: TN-S, TN-C, TN-C-S, TT e IT. A respeito dessa temática, considere as seguintes afirmativas:
I - para o esquema TN-S, os quadros de distribuição de circuitos terminais são dotados de barramentos de terra, onde não podem ser conectados os condutores de neutro;
II - para o esquema TT, é obrigatória a utilização de DR em todos os circuitos terminais;
III - para o esquema IT, as cargas são aterradas no mesmo ponto da fonte.
Está(ão) correta(s), somente, a(s) afirmativa(s):
Provas

A potência complexa que uma determinada carga solicita da fonte é representada pelo triângulo das potências acima. Sabendo que a potência útil do equipamento é de 1,944 CV (1 CV = 736W), assinale a afirmação INCORRETA.
Provas

A figura acima ilustra uma carga trifásica equilibrada com impedâncias ZC = d + j e, em ohms, ligadas em estrela. As impedâncias do gerador e das linhas de transmissão são representadas em cada linha por Z1 = a + j b, em ohms. Considere que VL represente os valores eficazes, em volts, das tensões de linha entre os terminais A, B e C. A potência ativa total, em W, solicitada pela carga é:
Provas

O sistema trifásico acima é do tipo estrela-estrela a 3 fios, com uma carga desequilibrada. Assim, as correntes na carga guardam a seguinte relação:
Provas

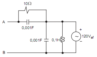
A figura acima mostra um circuito alimentado por uma fonte de tensão senoidal com freqüência
Hz. A tensão Vth [V] e a impedância Zth
do circuito equivalente de Thevenin, entre os pontos A e B, respectivamente, são:
Provas
Considere as informações abaixo para responder às questões de nos 58 e 59.

A figura ilustra um circuito alimentado por uma fonte de tensão senoidal VE e este possui a seguinte resposta em freqüência:
, onde VS representa a tensão medida sobre o resistor de 4 ![]()
Considere 5V o valor da amplitude de pico do sinal de tensão senoidal VE e a freqüência da fonte ajustada para
= 1 rad/s. A amplitude de pico em regime permanente da tensão de saída VS, em volts, será:
Provas
Considere as informações abaixo para responder às questões de nos 58 e 59.

A figura ilustra um circuito alimentado por uma fonte de tensão senoidal VE e este possui a seguinte resposta em freqüência:
, onde VS representa a tensão medida sobre o resistor de 4 ![]()
O valor da capacitância C, em Farad, apresentada pelo capacitor no circuito é:
Provas
Caderno Container