Foram encontradas 120 questões.

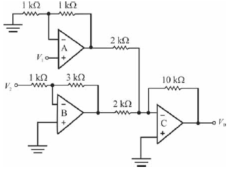
Considerando que todos os componentes do circuito ilustrado na figura acima sejam ideais e que todas as tensões de entrada do circuito possibilitem que os amplificadores operacionais nunca estejam em saturação, julgue o item que se segue.
A impedância de entrada vista pela entrada v2 é igual a 1 kΩ.
Provas

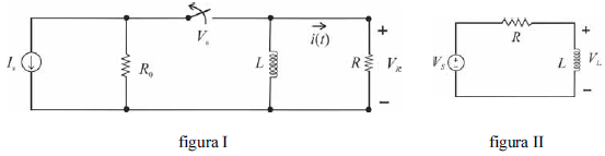
Julgue o próximo item a respeito dos circuitos nas figuras I e II acima, considerando que, no circuito representado na figura I, a chave, fechada por um longo tempo, seja aberta no instante t = 0.
O comportamento do circuito da figura II é análogo ao comportamento de um filtro passa-altas de primeira ordem.
Provas
- Conversores Analógicos Digitais (AD) e Digitais Analógicos (DAC)
- Eletrônica Digital na Engenharia Eletrônica
- Lógica Binária e Hexadecimal
Com relação à conversão analógica-digital e à digital-analógica, julgue o item a seguir.
Considere um conversor analógico-digital unipolar de 8 bits, cuja entrada esteja na faixa entre 0 e 12,75 volts, em que a tensão 0 volt corresponda ao número 00000000, em base 2, e a tensão 12,75 volts corresponda ao número 11111111. Nessa situação, caso a tensão de entrada para conversão digital seja 5 volts, o número binário que será apresentado, na saída, após a conversão, é 11000100.
Provas
- Conversores Analógicos Digitais (AD) e Digitais Analógicos (DAC)
- Eletrônica Digital na Engenharia Eletrônica
Com relação à conversão analógica-digital e à digital-analógica, julgue o item a seguir.
Em geral, um conversor digital-analógico do tipo rede ponderada tem sensibilidade menor à precisão dos resistores da rede, em comparação a um conversor digital-analógico que utiliza rede R-2R.
Provas
Acerca de faltas do tipo curto-circuito em redes elétricas trifásicas, julgue o próximo item.
Em faltas do tipo fase-fase em que não há contato com a terra ― diretamente ou através de impedância de falta ―, a corrente de sequência zero é sempre nula.
Provas
Acerca de faltas do tipo curto-circuito em redes elétricas trifásicas, julgue o próximo item.
As correntes de curto-circuito simétrico em cada fase têm diferentes magnitudes.
Provas
Com relação a conceitos de eletromagnetismo, julgue o item seguinte.
Quanto menor a resistividade de um condutor elétrico, maior a corrente que tende a passar por ele. Assim sendo, todo condutor elétrico perfeito possui sempre um campo eletrostático com gradiente não nulo em seu interior.
Provas
Determinado material dielétrico com constante dielétrica εr > 1,presente no interior das placas paralelas de um capacitor, é submetido a um campo elétrico de intensidade E. Considerando essa situação hipotética, julgue o próximo item.
O efeito do dielétrico, nessa situação, é o de reduzir a densidade de campo elétrico no interior do dielétrico.
Provas

A figura acima representa parte de uma planta baixa da instalação elétrica de uma residência em um edifício que será atendido em tensão fase neutro igual a 127 V. A planta ainda é uma versão preliminar do projeto, porque precisará ser revista por engenheiro eletricista e, possivelmente, precisará de ajustes para permitir a conexão de equipamentos ainda não previstos pelo proprietário da residência. Tendo como base essas informações, julgue o próximo item.
Suponha que o proprietário da residência deseja instalar um aparelho de ar condicionado no lado direito da janela, em altura apropriada e acima da tomada indicada na planta. Nesse caso, seria correto instalar uma tomada alta para alimentar o aparelho a partir do circuito 2, aproveitando a fiação desse circuito para alimentar a tomada baixa já existente na instalação.
Provas

A figura acima representa parte de uma planta baixa da instalação elétrica de uma residência em um edifício que será atendido em tensão fase neutro igual a 127 V. A planta ainda é uma versão preliminar do projeto, porque precisará ser revista por engenheiro eletricista e, possivelmente, precisará de ajustes para permitir a conexão de equipamentos ainda não previstos pelo proprietário da residência. Tendo como base essas informações, julgue o próximo item.
Considerando os eletrodutos na instalação esquematizada acima, é correto concluir que o que sai do quadro de medição (QM) para o quadro de distribuição (QD) localiza-se no chão, ao passo que o eletroduto do QD ao ponto de luz situa-se no teto.
Provas
Caderno Container