Foram encontradas 120 questões.
Uma onda plana de 300 MHz, propagando-se no vácuo, incide em um meio composto por silício impuro, com um ângulo de incidência de 30º. Para o silício, a permissividade relativa é !$ \epsilon !$r = 3 e a permeabilidade relativa é !$ \mu !$r = 1. A impedância intrínseca do vácuo é !$ \eta_0 !$ = 120.!$ \Omega !$ ou, aproximadamente, 377 !$ \Omega !$.
Considerando as informações precedentes, julgue o item a seguir.
O índice de refração do silício impuro é superior a 2.
Provas

Considerando o diagrama precedente, julgue o item que se segue a respeito da teoria de engenharia de controle.
O circuito elétrico a seguir representa, de forma correta, o diagrama em questão.

Provas
Julgue o próximo item, com relação a sistemas de medição e controle elétrico e eletrônico.
Se um resistor tem um valor nominal de 200 !$ \Omega !$ e tolerância de !$ \pm !$5%, então o seu erro absoluto é de 10%.
Provas
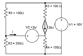
Considere o circuito elétrico abaixo.

Com referência ao circuito apresentado, julgue o seguinte item.
O valor absoluto da corrente que passa pelo resistor R2 é igual a 10 mA.
Provas
Disciplina: Inglês (Língua Inglesa)
Banca: CESPE / CEBRASPE
Orgão: TELEBRAS
Early electronic computers such as Colossus made use of punched tape, a long strip of paper on which data was represented by a series of holes, a technology now obsolete. Electronic data storage, which is used in modern computers, dates from World War II, when a form of delay-line memory was developed to remove the clutter from radar signals, the first practical application of which was the mercury delay line. The first random-access digital storage device was the Williams tube, based on a standard cathode ray tube, but the information stored in it was volatile in that it had to be continuously refreshed, and thus was lost once power was removed. The earliest form of nonvolatile computer storage was the magnetic drum, invented in 1932 and used in the Ferranti Mark 1, the world’s first commercially available general-purpose electronic computer.
Information Technology. Internet: <en.wikipedia.org> (adapted).
Considering the text above, judge the following item.
According to the text, before 1932, information could only be stored provisionally in digital form.
Provas
É importante saber o nome das coisas. Ou, pelo menos, saber comunicar o que você quer. Imagine-se entrando numa loja para comprar um... um... como é mesmo o nome?
“Posso ajudá-lo, cavalheiro?”
“Pode. Eu quero um daqueles, daqueles...”
“Pois não?”
“Um... como é mesmo o nome?”
“Sim?”
“Pomba! Um... um... Que cabeça a minha! A palavra me escapou por completo. É uma coisa simples, conhecidíssima.”
“Sim, senhor.”
“O senhor vai dar risada quando souber.”
“Sim, senhor.”
“Olha, é pontuda, certo?”
“O quê, cavalheiro?”
“Isso que eu quero. Tem uma ponta assim, entende?
Depois vem assim, assim, faz uma volta, aí vem reto de novo, e na outra ponta tem uma espécie de encaixe, entende? Na ponta tem outra volta, só que esta é mais fechada. E tem um, um... Uma espécie de, como é que se diz? De sulco. Um sulco onde encaixa a outra ponta; a pontuda, de sorte que o, a, o negócio, entende, fica fechado. É isso. Uma coisa pontuda que fecha. Entende?”
“Infelizmente, cavalheiro...”
“Ora, você sabe do que eu estou falando.”
“Estou me esforçando, mas...”
“Escuta. Acho que não podia ser mais claro. Pontudo numa ponta, certo?”
“Se o senhor diz, cavalheiro.”
Luís Fernando Veríssimo. Comunicação.
Acerca das ideias, dos sentidos e dos aspectos linguísticos do texto precedente, julgue o item a seguir.
A forma verbal ‘Tem’, na oração ‘Tem uma ponta assim’ (décimo terceiro parágrafo), concorda com o termo ‘uma ponta’.
Provas
Julgue o próximo item, relativos a quadripolos e transformadas de Fourier e Laplace.
Pode-se afirmar que a transformada de Fourier não guarda relação com a transformada de Laplace de um circuito elétrico.
Provas
Julgue o próximo item, relativos a diodos semicondutores e transistores.
A curva abaixo representa a resposta de corrente de um diodo, em função da tensão aplicada ao diodo.

Provas
Julgue o próximo item, relativos a diodos semicondutores e transistores.
Considere o circuito abaixo. Considere também uma queda de 0,7 V dos diodos D1 e D2, quando percorridos por corrente no sentido direto.

O valor de tensão percebido em V0 é igual a + 13,6 V.
Provas
Um circuito de amplificação de sinais analógicos foi montado conforme abaixo.

Considerando que o amplificador da imagem possui largura de banda infinita e que os sinais transmitidos nos canais A, B e C estão sintonizados na mesma frequência, julgue o seguinte item.
O módulo do valor da tensão pico a pico encontrado na saída do circuito (VSaída) é maior que 2Vpp.
Provas
Caderno Container