Foram encontradas 120 questões.
Julgue o próximo item, relativos a quadripolos e transformadas de Fourier e Laplace.
A transformada de Laplace é uma ferramenta analítica autilizada em circuitos elétricos para avaliar a resposta senoidal em regime permanente de um circuito quando alteramos a frequência de um sinal senoidal de entrada em um circuito.
Provas
Julgue o próximo item, relativos a diodos semicondutores e transistores.
Para construir um transistor de efeito de campo de canal n, um fabricante enxerta dois pequenos pedaços de semicondutor do tipo p em um substrato do tipo n, conectando as duas partes de semicondutor do tipo p. Já, um transistor bipolar de junção, do tipo npn é construído unindo uma camada de semicondutor do tipo p a duas camadas de semicondutor do tipo n.
Provas
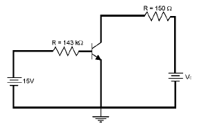
Julgue o próximo item, relativos a diodos semicondutores e transistores.
Considere o circuito eletrônico da figura abaixo, sendo !$ \beta_{CC} !$ = 500 e VBE = 0,7 V.

Pode-se afirmar que a corrente no coletor é igual a 50 mA.
Provas
Julgue o próximo item, relativos a diodos semicondutores e transistores.
Considere o circuito eletrônico da figura abaixo, sendo VBE = 0,7 V.

Pode-se afirmar que a corrente no emissor é menor que 100 mA.
Provas
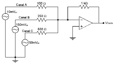
Um circuito de amplificação de sinais analógicos foi montado conforme abaixo.

Considerando que o amplificador da imagem possui largura de banda infinita e que os sinais transmitidos nos canais A, B e C estão sintonizados na mesma frequência, julgue o seguinte item.
Desconectando-se os Canais A e C e aplicando um filtro passa-baixas, com frequência de corte igual a 300 kHz, na saída do circuito considerado, o diagrama de Bode de saída do circuito resultante será o seguinte.

Provas

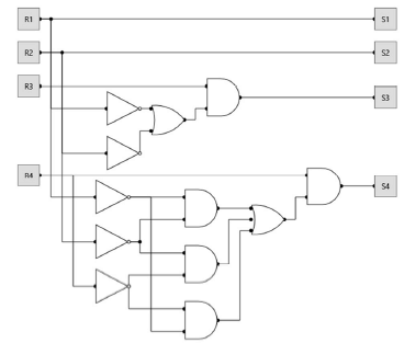
O circuito digital representado faz o controle de acionamento de uma central telefônica que possui quatro ramais. As entradas R1, R2, R3 e R4 significam que o respectivo ramal solicitou uma ligação à central. As saídas S1, S2, S3 e S4 indicam se a ligação foi completada pela central ou não. Considerando esse circuito e as informações apresentadas, julgue o item a seguir.
Os circuitos integrados das famílias TTL (transistor transistor logic) e CMOS (metal oxide semicondutor) se diferenciam, essencialmente, em seus componentes básicos de construção: os circuitos da família TTL são construídos com base em transistores bipolares e os da família CMOS, com base em transistores MOSFET. Essa diferença de material de construção leva a pequenas diferenças de parâmetros operacionais.
Provas

Para o sistema de comunicação sem fio no diagrama precedente, considere que: a modulação utilizada é AM-DSB, o sinal original é m(t)=10.cos(30.2!$ \pi !$.t) + 5. cos(100.2!$ \pi !$.t), a frequência da portadora é !$ \omega_C !$ = 10.106.2!$ \pi !$ e a distância entre as duas antenas é de 1.000 m. Nessas condições, julgue o item a seguir.
Se a propagação for realizada através do espaço livre, com linha de visada entre as antenas, então as perdas na propagação pelo espaço livre serão superiores a 50 dB.
Provas
Julgue o próximo item, relativos ao efeito do ruído em sistemas analógicos e digitais.
Uma das formas de mitigar o ruído em antenas é reduzir os seus lóbulos laterais; em antenas do tipo corneta utilizando refletores parabólicos, é possível reduzir o efeito dos lóbulos laterais instalando uma malha de blindagem no limite do refletor.
Provas
Uma onda plana de 300 MHz, propagando-se no vácuo, incide em um meio composto por silício impuro, com um ângulo de incidência de 30º. Para o silício, a permissividade relativa é !$ \epsilon !$r = 3 e a permeabilidade relativa é !$ \mu !$r = 1. A impedância intrínseca do vácuo é !$ \eta_0 !$ = 120.!$ \Omega !$ ou, aproximadamente, 377 !$ \Omega !$.
Considerando as informações precedentes, julgue o item a seguir.
Considere que uma linha de transmissão de dois condutores paralelos, de comprimento igual a 100!$ \sqrt{3} !$, têm os condutores separados pelo silício impuro em questão. Considere ainda que essa linha foi conectada a uma carga de 434 !$ \Omega !$. Nessas condições, o atraso na transmissão do sinal na linha é 1 !$ \mu !$s e o coeficiente de reflexão na fonte é 1/3.
Provas
Julgue o próximo item, com relação a sistemas de medição e controle elétrico e eletrônico.
A resolução de um instrumento digital reflete-se no incremento dos dígitos mostrados.
Provas
Caderno Container