Foram encontradas 2.578 questões.
Na execução de projetos de instalações elétricas, algumas regras básicas devem ser atendidas, respeitando a norma pertinente sobre a aplicação em questão. A respeito desse assunto, julgue os itens a seguir.
Nos eletrodutos, é admitida a instalação de condutores isolados, de cabos unipolares, ou de cabos multipolares.
Provas

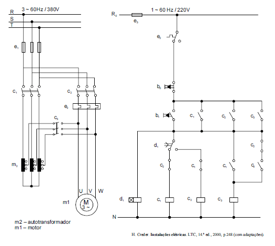
A figura acima mostra os circuitos de força e de controle de um motor de indução trifásico, cuja partida, por meio do circuito de controle, ocorre por acionamento de botão. Considerando que esse circuito esteja inicialmente desligado, julgue os itens que se seguem.
contato C1 no circuito de força fica fechado após a energização do contato C2.
Provas

A figura acima mostra os circuitos de força e de controle de um motor de indução trifásico, cuja partida, por meio do circuito de controle, ocorre por acionamento de botão. Considerando que esse circuito esteja inicialmente desligado, julgue os itens que se seguem.
Caso o acionamento do motor fosse efetuado por chave, em vez de botões, seria desnecessário incluir o contato comutador no circuito de controle.
Provas

A figura acima mostra os circuitos de força e de controle de um motor de indução trifásico, cuja partida, por meio do circuito de controle, ocorre por acionamento de botão. Considerando que esse circuito esteja inicialmente desligado, julgue os itens que se seguem.
A função do autotransformador no circuito de força é reduzir o consumo de potência reativa do motor durante o período no qual este motor fica ligado.
Provas

A figura acima mostra os circuitos de força e de controle de um motor de indução trifásico, cuja partida, por meio do circuito de controle, ocorre por acionamento de botão. Considerando que esse circuito esteja inicialmente desligado, julgue os itens que se seguem.
Ao se pressionar o botão b1, o motor parte. Em razão da existência do relé temporizado d1, com relação aos contatos C1, C2 e C3, inicialmente são energizados somente os contatos C1 e C3.
Provas
Com relação aos transformadores de potencial (TPs) e aos transformadores de corrente (TCs), julgue os itens a seguir.
Se a máxima corrente de curto-circuito que pode passar pelo enrolamento primário de um TC for igual a 200 A e a corrente nominal no primário for igual a 10 A, então, para preservar as características de erro da classe de exatidão desse TC, o seu fator de sobrecorrente será igual a 20.
Provas
Com relação aos transformadores de potencial (TPs) e aos transformadores de corrente (TCs), julgue os itens a seguir.
Caso determinado TP tenha potência térmica igual a 1.000 VA, então a máxima potência aparente que esse TP pode fornecer sem exceder seu limite de elevação de temperatura especificado em função de sua isolação será igual a 250 VA — 25% da potência térmica.
Provas
Com relação aos transformadores de potencial (TPs) e aos transformadores de corrente (TCs), julgue os itens a seguir.
Os instrumentos alimentados pelo secundário de TPs apresentam impedâncias elevadíssimas em comparação às impedâncias de instrumentos alimentados pelo secundário de TCs.
Provas
Os relés eletromecânicos, primeiros tipos de relés utilizados em sistemas elétricos de potência, são assim designados porque apresentam peças móveis, podendo ser classificados de várias formas. A respeito desse assunto, julgue os itens que se seguem.
Os relés de indução eletromagnética têm o mesmo princípio de funcionamento que o de um transformador de corrente.
Provas
Os relés eletromecânicos, primeiros tipos de relés utilizados em sistemas elétricos de potência, são assim designados porque apresentam peças móveis, podendo ser classificados de várias formas. A respeito desse assunto, julgue os itens que se seguem.
Relés de alavanca e de êmbolo são classificados como de atração eletromagnética.
Provas
Caderno Container