Foram encontradas 1.899 questões.

Provas
Questão presente nas seguintes provas
A respeito dos circuitos elétricos de corrente alternada monofásicos,
julgue o item subsequente.
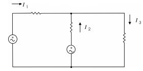
Considere que, no circuito representado na figura a seguir, as fontes de tensão tenham a mesma frequência, mas não estejam em fase. Nesse caso, se os valores eficazes das correntes alternadas I1 e I2 forem, respectivamente, 10 A e 3 A, o valor eficaz da corrente I3 será igual a 7 A.

Considere que, no circuito representado na figura a seguir, as fontes de tensão tenham a mesma frequência, mas não estejam em fase. Nesse caso, se os valores eficazes das correntes alternadas I1 e I2 forem, respectivamente, 10 A e 3 A, o valor eficaz da corrente I3 será igual a 7 A.

Provas
Questão presente nas seguintes provas
A respeito dos circuitos elétricos de corrente alternada monofásicos,
julgue o item subsequente.
Caso a tensão Vo e a corrente Io, no circuito representado na figura a seguir, tenham a mesma frequência e estejam em fase, então a soma das correntes I C e IL será igual a zero.

Caso a tensão Vo e a corrente Io, no circuito representado na figura a seguir, tenham a mesma frequência e estejam em fase, então a soma das correntes I C e IL será igual a zero.

Provas
Questão presente nas seguintes provas

Considerando o circuito elétrico de corrente contínua representado na figura acima, julgue o item que se segue.
Provas
Questão presente nas seguintes provas

Considerando o circuito elétrico de corrente contínua representado na figura acima, julgue o item que se segue.
Provas
Questão presente nas seguintes provas

Considerando o circuito elétrico de corrente contínua representado na figura acima, julgue o item que se segue.
Provas
Questão presente nas seguintes provas

A tensão V1 em relação à referência, no nó entre os resistores de 10 ohms, é igual a 10 V.
Provas
Questão presente nas seguintes provas

A fonte de alimentação do circuito alimenta uma resistência equivalente de 30 ohms.
Provas
Questão presente nas seguintes provas

A fonte de alimentação fornece ao circuito uma potência de 15 W
Provas
Questão presente nas seguintes provas

As correntes I1 e I2 são iguais.
Provas
Questão presente nas seguintes provas
Cadernos
Caderno Container