Foram encontradas 1.899 questões.
Com relação aos conceitos de sistemas e circuitos digitais, julgue o item subsequente.
Em álgebra booleana, as expressões !$ \overline{ ( \times + y) \cdot z} !$ e !$ \times \cdot y + z !$ são equivalentes.
Provas
Questão presente nas seguintes provas
Com relação aos conceitos de sistemas e circuitos digitais, julgue o item subsequente.
Considerando que, no circuito ilustrado na figura abaixo, x0 e y0 representem os bits menos significantes de dois números binários, x e y, então a saída z desse circuito será um valor 1 somente se x > y.

Provas
Questão presente nas seguintes provas
Com relação aos conceitos de sistemas e circuitos digitais, julgue o item subsequente.
O número decimal 167 é representado como 101001112 no sistema binário, 2478 em octal e A716 em hexadecimal.
Provas
Questão presente nas seguintes provas
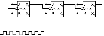
Com relação aos conceitos de sistemas e circuitos digitais, julgue o item subsequente.
O circuito mostrado na figura abaixo com entrada s(t), também mostrada na figura, implementa um contador de 0 a 7, na qual a saída X0 representa o bit menos significante.

Provas
Questão presente nas seguintes provas
Com relação aos conceitos de sistemas e circuitos digitais, julgue o item subsequente.
O flip-flop SC, representado na figura abaixo, é caracterizado pela tabela- verdade ao lado dessa figura.

Provas
Questão presente nas seguintes provas
Com relação aos conceitos de sistemas e circuitos digitais, julgue o item subsequente.
Em um sistema de numeração de complemento a dois com dois octetos, é possível representar números decimais na faixa de 0 a 65.535.
Provas
Questão presente nas seguintes provas
Julgue o seguinte item, a respeito de protocolos e tecnologias de redes de computadores.
Devido aos problemas de segurança inerentes a sistemas sem fio, uma rede WiFi oferece os esquemas de autenticação e encriptação WEP e WPA. Entre esses, a chave do esquema WPA é mais difícil de ser quebrada por terceiros.
Provas
Questão presente nas seguintes provas
Julgue o seguinte item, a respeito de protocolos e tecnologias de redes de computadores.
O protocolo da camada de transporte UDP permite a transmissão de dados de forma mais confiável que o protocolo TCP.
Provas
Questão presente nas seguintes provas
Julgue o seguinte item, a respeito de protocolos e tecnologias de redes de computadores.
Redes WiFi embasadas na norma IEEE 802.11g operam na faixa não licenciada de 5 GHz.
Provas
Questão presente nas seguintes provas
Julgue o seguinte item, a respeito de protocolos e tecnologias de redes de computadores.
O protocolo NAT tem a capacidade de modificar o endereço de um datagrama IP em um roteador, a fim de permitir a comunicação de dados entre uma rede privada e uma rede pública.
Provas
Questão presente nas seguintes provas
Cadernos
Caderno Container