Foram encontradas 428 questões.
Sobre os métodos de investigação do solo, considere:
I. Na Sondagem SPT, deve-se efetuar dois furos de sondagem adicional para cada 400 m2 de área de projeção para área entre 1200 e 2400 m2.
II. Na Sondagem com Amostragem em Circulação Reversa se obtém testemunhos íntegros das rochas atravessadas, diferentemente do método rotativo, situação em que as amostras são trituradas ou pulverizadas pela ferramenta cortante e recolhidas na boca do furo em ciclones.
III. A sondagem rotopercussiva, muito utilizada em mineração, se processa por meio de um bit com botões de metal duro acoplado a um martelo especial que é impactado por ação do ar comprimido e gira acionado pela sonda através das hastes de perfuração, pulverizando as rochas atravessadas, cujas amostras são coletadas a cada metro de avanço.
IV. Na perfuração Rotary são utilizadas hastes duplas, excêntricas e circulação invertida ou reversa, tendo o ar soprado como fluído, o que permite a obtenção de amostras compactadas e contínuas, colotedas por meio de peneiras de dispersão. É aplicada em rochas com alto grau de coesão, como aluviões e lateritas lamelares.Está correto o que se afirma em
Provas
Provas
Provas

Está correto o que se afirma em
Provas

Está correto o que se afirma em
Provas

Está correto o que se afirma em
Provas

Está correto o que se afirma em
Provas

A planta identifica
Provas

A simbologia adequada em cada um dos conduítes para representar uma ligação comandada de três ou mais pontos está correta em

Provas

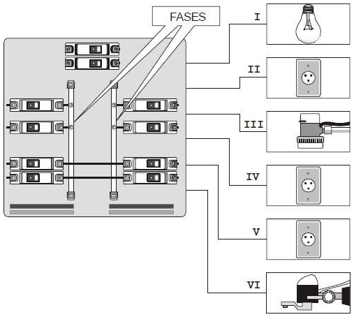
De acordo com cada aparelho, contém a fiação correta, o que consta em

Provas
Caderno Container