Foram encontradas 70 questões.
O Teorema do Valor Inicial da Transformada de Laplace
estabelece que:
Provas
Questão presente nas seguintes provas
Um sistema embarcado precisa funcionar durante vários
dias, sem a troca da bateria. Seu microcontrolador tem
consumo de corrente em modo ativo de 2 mA e, em modo
de economia de energia, de 0,00075 mA, considerando
a tensão de alimentação de 3 V e temperatura ambiente
de 25ºC. Uma bateria recarregável de 3 V e capacidade
de 1.200 mAh irá alimentar esse sistema. Ela será considerada ideal, fornecendo 3 V constantes após sua carga
completa, sempre que demandada.
Desprezando o consumo dos outros componentes diferentes do microcontrolador, considerando a corrente em modo de economia desprezível, e que o microcontrolador trabalha em modo ativo 50% do tempo, quantos dias o sistema pode funcionar, supondo essa bateria inicialmente com carga completa?
Desprezando o consumo dos outros componentes diferentes do microcontrolador, considerando a corrente em modo de economia desprezível, e que o microcontrolador trabalha em modo ativo 50% do tempo, quantos dias o sistema pode funcionar, supondo essa bateria inicialmente com carga completa?
Provas
Questão presente nas seguintes provas
No processo de modernização de uma refinaria, é comum
se começarem os trabalhos fazendo-se um varrimento laser
(laser scan), que consiste no uso de um equipamento ótico
que faz milhões de medições precisas de distâncias 3D, a
partir de um ou mais pontos dentro das instalações.
Essas medidas geram um conjunto de pontos, conhecido como nuvem de pontos, e, a partir dele, obtém-se um
modelo 3D da refinaria que reflete sua configuração atual
(as-built). Isso é feito porque, muitas vezes, a documentação é antiga ou não reflete mudanças que foram feitas ao
longo do tempo.
Se esse equipamento de medição tem erro máximo de 1 cm numa medição de uma distância de 100 m, qual é o valor percentual de erro máximo associado a essa distância?
Se esse equipamento de medição tem erro máximo de 1 cm numa medição de uma distância de 100 m, qual é o valor percentual de erro máximo associado a essa distância?
Provas
Questão presente nas seguintes provas
Utilize as informaçõs a seguir para responder à questão.
Considere o Lugar Geométrico das Raízes da Figura
apresentada abaixo.

O sistema de malha fechada associado a esse LGR será
Provas
Questão presente nas seguintes provas
Considere as funções de transferência apresentadas
abaixo para responder à questão.

Provas
Questão presente nas seguintes provas
A estratégia de realimentação de estado, em um sistema
de controle, é completamente garantida se
Provas
Questão presente nas seguintes provas
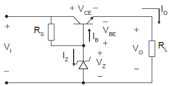
O circuito de um regulador de tensão simples, utilizando transistor e diodo zener, pode ser visto na Figura abaixo.

A tensão de entrada (VI ) tem o valor constante de 12 V, a tensão de saída (Vo ) tem o valor constante de 5 V, e a corrente de saída (Io ) que passa sobre a carga (RL ) tem o valor de 1A.
Considerando desprezível a corrente que passa no resistor Rs , quantos watts são dissipados no transistor?

A tensão de entrada (VI ) tem o valor constante de 12 V, a tensão de saída (Vo ) tem o valor constante de 5 V, e a corrente de saída (Io ) que passa sobre a carga (RL ) tem o valor de 1A.
Considerando desprezível a corrente que passa no resistor Rs , quantos watts são dissipados no transistor?
Provas
Questão presente nas seguintes provas
A UCE (Unidade de Controle Eletrônico) é um controlador, com microprocessador embarcado, que os carros modernos
possuem para controlar o funcionamento do motor. Isso é feito através da coleta de vários tipos de dados e da atuação
sobre o motor.
Um dos modos de atuação é no controle dos bicos injetores de combustível, que trabalham sob comando elétrico, podendo estar em 2 estados: aberto (injeta combustível) e fechado (não injeta combustível).
Assumindo que as saídas dos bicos injetores são abertas uma vez a cada rotação do eixo do motor, que o motor gira a 2.400 rpm, e que essa injeção é feita durante 20% do tempo, qual é o tempo em que a UCE deve comandar a abertura dos bicos injetores a cada rotação do motor?
Um dos modos de atuação é no controle dos bicos injetores de combustível, que trabalham sob comando elétrico, podendo estar em 2 estados: aberto (injeta combustível) e fechado (não injeta combustível).
Assumindo que as saídas dos bicos injetores são abertas uma vez a cada rotação do eixo do motor, que o motor gira a 2.400 rpm, e que essa injeção é feita durante 20% do tempo, qual é o tempo em que a UCE deve comandar a abertura dos bicos injetores a cada rotação do motor?
Provas
Questão presente nas seguintes provas
A Figura 1 abaixo mostra a conexão de 3 Leds em 3 saídas distintas da porta de 8 bits (PORTA B) de um microcontrolador. O registro interno de E/S (Entrada/Saída) do microcontrolador referente a essa porta tem configuração mostrada na
Figura 2, em que cada bit “PORTA Bx” está associado à saída física “Bx”, onde x varia de 0 (bit menos significativo – LSB) a
7 (bit mais significativo – MSB).
Escrevendo-se um “1” no bit “PORTA Bx” implica sair “1” lógico na saída Bx. Analogamente, escrevendo-se um “0” no bit “PORTA Bx” implica sair “0” lógico na saída Bx. A voltagem de saída do “1” lógico é +5 V, e a do “0” lógico é 0 V, e todas as 8 portas da PORTA B estão programadas como saída.
Um valor em binário que acende todos os Leds da Figura 1, se escrito no registro de E/S da PORTA B é
Escrevendo-se um “1” no bit “PORTA Bx” implica sair “1” lógico na saída Bx. Analogamente, escrevendo-se um “0” no bit “PORTA Bx” implica sair “0” lógico na saída Bx. A voltagem de saída do “1” lógico é +5 V, e a do “0” lógico é 0 V, e todas as 8 portas da PORTA B estão programadas como saída.
Um valor em binário que acende todos os Leds da Figura 1, se escrito no registro de E/S da PORTA B é
Provas
Questão presente nas seguintes provas
Considere a resposta em frequência de um acelerômetro, entre a tensão de saída e a aceleração de entrada, para
um conjunto de parâmetros típicos, mostrada nos Diagramas de Bode da Figura. Essas informações referem-se
à questão.

Provas
Questão presente nas seguintes provas
Cadernos
Caderno Container