Foram encontradas 60 questões.
Disciplina: Segurança e Saúde no Trabalho (SST)
Banca: CESGRANRIO
Orgão: Transpetro
Uma das formas de se garantir a rápida visualização dos riscos inerentes às atividades desenvolvidas pelos trabalhadores em um ambiente de trabalho é através dos mapas de riscos. Da análise do mapa de riscos é possível identificar os riscos envolvidos no trabalho executado, bem como definir quais são os equipamentos de proteção individual e/ou de proteção coletiva necessários. Nesses mapas, os riscos são classificados por tipo, que são representados por cores específicas, e o raio do círculo deve ser proporcional ao risco envolvido na atividade.
O risco inerente a uma atividade desenvolvida na seção de uma empresa, onde os trabalhadores são expostos à poeira proveniente de um processo industrial, é classificado como
Provas
Uma planta industrial foi inserida em uma malha de controle utilizando-se um canal de realimentação com ganho proporcional K, conforme ilustrado na Figura abaixo.

Aplicando-se um sinal tipo degrau na entrada r(t), o valor do ganho K para que a saída c(t) do sistema em malha fechada tenha um comportamento criticamente amortecido (polos reais e iguais) é
Provas
Na Figura abaixo, é mostrado um circuito lógico digital.

Qual é o diagrama lógico, descrito em linguagem ladder, que realiza a mesma função lógica?
Provas
Ao amplificador da Figura abaixo é aplicada uma fonte de polarização VDC constante e uma fonte de sinal senoidal VS, cuja forma de onda também é ilustrada no gráfico a seguir.

Considerando-se o amplificador operacional ideal, como seria o gráfico da forma de onda da tensão na saída VO do amplificador?
Provas
Um processo industrial foi modelado pela seguinte função de transferência:
![]()
Se o parâmetro M = 12, um dos polos do modelo estará locado na posição
Provas

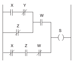
No diagrama lógico, escrito em linguagem ladder, apresentado na Figura acima, fixando-se a entrada Z = 1, a saída S será dada por:
Provas
Provas
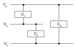
Uma fonte trifásica com tensões de fase equilibradas Va , Vb e Vc alimenta um sistema trifásico, formado por três cargas denominadas C1 , C2 e C3 .

As cargas possuem impedância de mesmo módulo, com os fatores de potência de acordo com a Tabela a seguir:

A carga total do sistema
Provas
- Transformadores e Máquinas ElétricasMáquinas EstáticasTransformador de Potência
- Sistemas Elétricos de PotênciaAnálise de SEPAnálise de Curto-circuitos
Os ensaios em vazio e de curto circuito são realizados nos transformadores com o objetivo de levantar os seus parâmetros, permitindo que seja montado o seu circuito equivalente.
Considere um transformador monofásico de 10 KVA, 1.000 V / 100 V, que foi submetido aos dois ensaios, cujos resultados são apresentados a seguir:
Ensaio em vazio: Voc = 100 V, Ioc = 2 A, Poc = 10 W
Ensaio em curto: Vcc = 20 V, Icc = 100 A, Pcc = 1.000 W
Diante do exposto, a reatância de magnetização do transformador, referida ao lado de alta tensão, em ohms, é, aproximadamente,
Provas
A equipe de manutenção de uma subestação utilizou um multímetro para medir o valor da tensão entre dois barramentos de fases distintas. O valor apresentado no aparelho foi de 220 V.
Supondo-se que a tensão medida seja puramente senoidal, então, o valor do pico, em volts, dessa tensão é:
Provas
Caderno Container