Foram encontradas 60 questões.
A poligonal aberta P1P2P3P4 esquematiza o rumo do
eixo de uma faixa de dutos que será implantada. Conferindo a implantação, foi feita uma visada de ré de P3
para P2.
Diante desse cenário, a leitura dessa visada é
Diante desse cenário, a leitura dessa visada é
Provas
Questão presente nas seguintes provas
Considere o cronograma financeiro a seguir, com os percentuais previstos para cada mês de quatro serviços de
uma obra.
Sabe-se que a representação financeira de cada atividade em relação ao custo total da obra é
Nessas condições, ao final do mês 4, o percentual financeiro concluído será de
Sabe-se que a representação financeira de cada atividade em relação ao custo total da obra é
Nessas condições, ao final do mês 4, o percentual financeiro concluído será de
Provas
Questão presente nas seguintes provas
Em uma obra serão executados 60 pilares de concreto armado de 40 cm x 80 cm, com altura de 3,50 m.
As formas de madeira serão utilizadas três vezes cada uma. Considerando-se apenas as áreas das faces laterais dos pilares, a área de madeira necessária para a montagem dos painéis, sem considerar perdas ou cortes nas chapas, em metros quadrados, é de
As formas de madeira serão utilizadas três vezes cada uma. Considerando-se apenas as áreas das faces laterais dos pilares, a área de madeira necessária para a montagem dos painéis, sem considerar perdas ou cortes nas chapas, em metros quadrados, é de
Provas
Questão presente nas seguintes provas
Nas instalações hidráulicas de uma certa obra, estão sendo utilizados tubos e conexões em PP-R com união por
termofusão, em conformidade com a ABNT NBR 15813-3
— Sistemas de tubulações plásticas para instalações
prediais de água quente e fria — Parte 3: Tubos e conexões de polipropileno copolímero random PP-R e PP-RCT
— Montagem, instalação, armazenamento e manuseio.
O responsável pelo controle de qualidade dos serviços alertou o instalador que, de acordo com essa norma, antes de começar a termofusão, os bocais do termofusor devem ser limpos com um pano limpo umedecido com
O responsável pelo controle de qualidade dos serviços alertou o instalador que, de acordo com essa norma, antes de começar a termofusão, os bocais do termofusor devem ser limpos com um pano limpo umedecido com
Provas
Questão presente nas seguintes provas
Considere o esquema de um poste representado abaixo,
onde F1
e F2
estão em kN e F2
= 2F1
Nessas condições, a reação horizontal (H) no apoio é
Nessas condições, a reação horizontal (H) no apoio é
Provas
Questão presente nas seguintes provas
Considere uma viga de concreto armado biapoiada em
suas extremidades.
Segundo os conceitos da Resistência dos Materiais, se for colocado, na metade do vão entre os apoios existentes, mais um apoio nessa viga, mantidas as demais condições, ela apresentará fissuras de
Segundo os conceitos da Resistência dos Materiais, se for colocado, na metade do vão entre os apoios existentes, mais um apoio nessa viga, mantidas as demais condições, ela apresentará fissuras de
Provas
Questão presente nas seguintes provas
Uma obra de infraestrutura de esgoto está sendo projetada segundo a ABNT NBR 14486:2000 — Sistemas enterrados para condução de esgoto sanitário — Projeto de
redes coletoras com tubos de PVC.
Sabendo-se que o terreno é firme e seco, com capacidade satisfatória, de acordo com essa norma, o berço para assentamento das tubulações pode ser feito
Sabendo-se que o terreno é firme e seco, com capacidade satisfatória, de acordo com essa norma, o berço para assentamento das tubulações pode ser feito
Provas
Questão presente nas seguintes provas
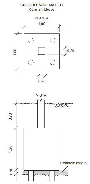
A Figura a seguir esquematiza parte de uma fundação que será executada.

A escavação será feita com 0,50 m a mais para cada lado do bloco de coroamento. O concreto magro será executado em toda a área do fundo escavado. Após a concretagem do concreto magro, do bloco de coroamento, e do pescoço do pilar e após a retirada da forma, será feito o reaterro.
Considerando-se apenas os volumes geométricos (sem o empolamento do solo), o volume de solo que será necessário para ocupar o espaço vazio (sem considerar a compactação), em metros cúbicos, é de
Provas
Questão presente nas seguintes provas
Observando a movimentação dos trabalhadores para tomar banho ao final do expediente, um técnico foi verificar
as instalações sanitárias e constatou que foram instalados 6 chuveiros. Verificando que no canteiro há 75 trabalhadores e consultando a NR 18 — Segurança e Saúde
no trabalho na indústria da construção —, o técnico constatou que, de acordo com essa norma, a quantidade de
chuveiros está
Provas
Questão presente nas seguintes provas
Dentre os cuidados com escavações abordados pela
NR 18 — Segurança e Saúde no trabalho na indústria da
construção —, está a orientação de uma faixa de proteção, livre de cargas, nas bordas da escavação.
De acordo com essa norma, a medida mínima dessa faixa, em metros, é de
De acordo com essa norma, a medida mínima dessa faixa, em metros, é de
Provas
Questão presente nas seguintes provas
Cadernos
Caderno Container