Foram encontradas 484 questões.
Considere a viga da figura, submetida à carga móvel constituída por 3 forças concentradas e uma carga uniformemente distribuída, conforme figura.

Se P = 200 kN o momento fletor, em kNm, no ponto C, determinado pelo método das linhas de influência, tem-se

Se P = 200 kN o momento fletor, em kNm, no ponto C, determinado pelo método das linhas de influência, tem-se
Provas
Questão presente nas seguintes provas
Considere a treliça da figura abaixo.

A força axial atuante na barra AD, em kN, é igual a

A força axial atuante na barra AD, em kN, é igual a
Provas
Questão presente nas seguintes provas
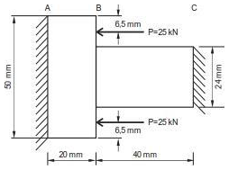
Considere a barra de dois trechos submetida às cargas indicadas na figura a seguir.

A área da seção transversal do trecho AB é 10 cm2 e do trecho BC é 5 cm2. Se o módulo de elasticidade do material da barra for 200 GPa, os valores das reações em A e C, em kN, são, respectivamente, iguais a

A área da seção transversal do trecho AB é 10 cm2 e do trecho BC é 5 cm2. Se o módulo de elasticidade do material da barra for 200 GPa, os valores das reações em A e C, em kN, são, respectivamente, iguais a
Provas
Questão presente nas seguintes provas
Para a construção do muro de arrimo esquematizado na figura a seguir, considere os seguintes dados:
Dados:
- Peso específico natural do solo silte arenoso = 15 kN/m3
- Ângulo de atrito interno do solo silte arenoso = 30º
- Para o solo silte arenoso o plano principal maior é o plano horizontal.
Ko = (1- sen Φ)
Onde:
Ko = coeficiente de empuxo em repouso
Φ = ângulo de atrito interno do solo

O empuxo total na situação de repouso que o solo silte arenoso exerce sobre o muro de arrimo é, em kN, igual a
Dados:
- Peso específico natural do solo silte arenoso = 15 kN/m3
- Ângulo de atrito interno do solo silte arenoso = 30º
- Para o solo silte arenoso o plano principal maior é o plano horizontal.
Ko = (1- sen Φ)
Onde:
Ko = coeficiente de empuxo em repouso
Φ = ângulo de atrito interno do solo

O empuxo total na situação de repouso que o solo silte arenoso exerce sobre o muro de arrimo é, em kN, igual a
Provas
Questão presente nas seguintes provas
Pretende-se construir um prédio de 14 pavimentos com carga média de 2 800 kN por pilar para um terreno cujo perfil geotécnico encontra-se abaixo.

Sabe-se que o terreno tem como vizinhos, de um lado, um depósito de dois andares com estrutura precária em fundação direta e, de outro lado, uma construção do século XIX também em fundação direta. Portanto, a fundação mais adequada para o prédio de 14 andares é:

Sabe-se que o terreno tem como vizinhos, de um lado, um depósito de dois andares com estrutura precária em fundação direta e, de outro lado, uma construção do século XIX também em fundação direta. Portanto, a fundação mais adequada para o prédio de 14 andares é:
Provas
Questão presente nas seguintes provas
Nos trabalhos de terraplenagem de uma gleba, a cota final para a obtenção de uma plataforma horizontal com compensação de terra é 25 m. Entretanto, será necessário o lançamento de 4 500 m3 de solo de boa qualidade proveniente de escavações realizadas em uma gleba vizinha.
Dados: Na tabela a seguir estão apresentadas as cotas em metros obtidas por nivelamento após quadriculação do terreno de 10 em 10 metros.

A cota final da plataforma horizontal, em metros, após o lançamento de 4 500 m3 de solo é igual a
Dados: Na tabela a seguir estão apresentadas as cotas em metros obtidas por nivelamento após quadriculação do terreno de 10 em 10 metros.

A cota final da plataforma horizontal, em metros, após o lançamento de 4 500 m3 de solo é igual a
Provas
Questão presente nas seguintes provas
Considere o cronograma físico-financeiro da obra de reforma abaixo.

Após o término da quarta semana foram concluídos os serviços iniciais, as instalações elétricas, o forro, o revestimento e foram realizados 40% dos serviços de piso. Portanto, em relação a todos os serviços da reforma, a soma dos serviços realizados representam o percentual de

Após o término da quarta semana foram concluídos os serviços iniciais, as instalações elétricas, o forro, o revestimento e foram realizados 40% dos serviços de piso. Portanto, em relação a todos os serviços da reforma, a soma dos serviços realizados representam o percentual de
Provas
Questão presente nas seguintes provas
Para a análise das imperfeições geométricas globais de estruturas reticuladas de concreto armado, na consideração das ações do vento e do desaprumo, quando 30% da ação do vento for maior que a ação do desaprumo, deve-se considerar
Provas
Questão presente nas seguintes provas
Em estruturas metálicas, a distância máxima do centro do parafuso, ou barra redonda rosqueada até a borda de uma parte da estrutura ligada, é de X vezes a espessura da parte ligada considerada. Contudo, essa distância máxima é de Y mm. Os valores de X e Y são, respectivamente:
Provas
Questão presente nas seguintes provas
O cronograma PERT-CPM, utilizado para planejamento de obras, tem a vantagem de fornecer o caminho crítico. O caminho crítico é
Provas
Questão presente nas seguintes provas
Cadernos
Caderno Container