Foram encontradas 506 questões.
O comando MOV X A, QRi no microcontrolador 8051,
executa:
Provas
Questão presente nas seguintes provas
Considere a rotina abaixo, que descreve uma função no microcontrolador 8051.

Qual função está sendo executada?
Provas
Questão presente nas seguintes provas
Uma bobina de sintonia tem indutância de 39,8 H e
resistência interna de 20
. Qual a sua impedância para
uma freqüência de 100kHz aproximadamente?
. Qual a sua impedância para
uma freqüência de 100kHz aproximadamente?Provas
Questão presente nas seguintes provas
Um transformador abaixador com relação 10:1, de 5 kVA,
tem uma especificação para a corrente do secundário
com carga máxima de 40 A. Um teste de perda no cobre
por meio de um curto circuito dá uma leitura de 100W,
num wattímetro. Se a resistência no primário for de 0,6
, qual será a resistência e a perda no cobre no
secundário, respectivamente?
, qual será a resistência e a perda no cobre no
secundário, respectivamente?Provas
Questão presente nas seguintes provas
Em um transformador trifásico ligado em Y- (estrela
triângulo) tendo a tensão V e a corrente I de linha no
primário (Y). Qual a relação que expressa a tensão e a
corrente na fase do secundário?
a= N1/N2.
Provas
Questão presente nas seguintes provas
As maiorias dos amplificadores operacionais são
diferenciais, com um alto ganho malha aberta e pequeno
ganho modo comum. A razão desses ganhos é
denominada:
Provas
Questão presente nas seguintes provas

Provas
Questão presente nas seguintes provas
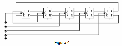
Considere o circuito da figura 4 abaixo:

Trata-se de:
Provas
Questão presente nas seguintes provas
Qual o dispositivo que elimina ou minimiza o efeito dv/dt?
Provas
Questão presente nas seguintes provas
Dos dispositivos de disparo abaixo, qual pode ser
disparado em ângulos diversos entre 0 a 360 ?
Provas
Questão presente nas seguintes provas
Cadernos
Caderno Container