Foram encontradas 550 questões.
Provas
Provas
Provas
Um Controlador Lógico Programável comanda um motor por meio de sua saída S. Para tanto, dois botões de contato momentâneos, normalmente abertos foram utilizados: B1 e B2. Uma chave principal C habilita o funcionamento desse sistema quando ela se encontra fechada. A função de cada botão é:
− ao pressionar B1, o motor deve ligar e permanecer ligado.
− ao pressionar B2, o motor deve desligar e permanecer desligado.
O Diagrama em Escada que implementa a lógica de controle desse acionamento é:
Provas
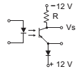
Considere, abaixo, a representação de um optoacoplador típico.

Para que o ponto Vs do optoacoplador apresente nível próximo de zero volts quando uma corrente alta circular no diodo da entrada, a configuração do circuito da saída deverá ser:
Provas
O circuito abaixo apresenta um fototransistor em uma configuração típica.

Para que o circuito opere no modo de chaveamento, deve-se ter
Provas
Considere, abaixo, um circuito que foi utilizado para acender um led, bem como uma tabela de características de diversos tipos de leds disponíveis.

Deseja-se substituir o led branco do circuito por um de outra cor com as características da tabela, sem alterar os valores do resistor e da fonte de alimentação e sem que o novo led possa ser danificado. Supondo-se que os leds suportem até 10% acima de Imax sem se danificar, para a substituição pretendida,
Provas
- Diodo na Engenharia Eletrônica
- Eletrônica Analógica na Engenharia Eletrônica
- Eletrônica de Potência na Engenharia Eletrônica
- Tiristor
Considere, abaixo, o circuito de acionamento de carga baseado em SCR ideal.

Sabendo-se que Vg = 12 V; Ig (corrente de gatilho) = 100 mA; Vgk (máxima tensão de gatilho) = 2 V, o valor de Rg para possibilitar o disparo do SCR é, em Ω,
Provas
A figura abaixo mostra a curva característica de um dispositivo semicondutor de potência (tiristor).

A região da curva identificada por I é denominada região de
Provas
Provas
Caderno Container