Foram encontradas 70 questões.
No experimento abaixo, observa-se que o ímã, ao penetrar na bobina, sofre repulsão.

A causa dessa repulsão é descrita, em eletromagnetismo, como Lei de

A causa dessa repulsão é descrita, em eletromagnetismo, como Lei de
Provas
Questão presente nas seguintes provas
Analise o circuito abaixo.

É correto afirmar que a soma algébrica das correntes elétricas i 1, i 2 e i 3, em módulo, é igual a

É correto afirmar que a soma algébrica das correntes elétricas i 1, i 2 e i 3, em módulo, é igual a
Provas
Questão presente nas seguintes provas
Analise o circuito abaixo.

Sobre os valores das potências envolvidas no circuito é correto afirmar que a potência

Sobre os valores das potências envolvidas no circuito é correto afirmar que a potência
Provas
Questão presente nas seguintes provas
Analise a associação de capacitores abaixo.

A capacitância equivalente entre os pontos A e B do circuito é, em µF, aproximadamente,

A capacitância equivalente entre os pontos A e B do circuito é, em µF, aproximadamente,
Provas
Questão presente nas seguintes provas
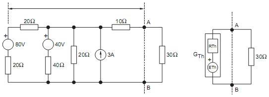
Considere o circuito abaixo.

Com objetivo de se obter o gerador equivalente de Thévenin, referente ao lado esquerdo do circuito e limitado nos pontos A e B, os valores RTH e ETH, que constituem o gerador equivalente de Thévenin são, respectivamente,

Com objetivo de se obter o gerador equivalente de Thévenin, referente ao lado esquerdo do circuito e limitado nos pontos A e B, os valores RTH e ETH, que constituem o gerador equivalente de Thévenin são, respectivamente,
Provas
Questão presente nas seguintes provas
Analise o comportamento do circuito abaixo.
Para a tensão de entrada Ve = 10
sen 377t (V) tem-se, na saída do circuito, a tensão Vs = 7
sen(377t + θ)(V).

Portanto, o valor do capacitor desse circuito é, em µF, aproximadamente,
Para a tensão de entrada Ve = 10
sen 377t (V) tem-se, na saída do circuito, a tensão Vs = 7
sen(377t + θ)(V). 
Portanto, o valor do capacitor desse circuito é, em µF, aproximadamente,
Provas
Questão presente nas seguintes provas
Para responder às questões , considere as informações abaixo:

Sobre a operação do processo, está correto afirmar que no
Provas
Questão presente nas seguintes provas
Atenção: Para responder às questões, considere o esquema unifilar abaixo. Nele, NÃO foram representados os condutores dos eletrodutos X e Y.

Considere que a tensão de fase da concessionária seja 127 V e que a previsão de cargas para o circuito 1 seja: 
- Cada ponto de luz do escritório: 200 VA;
- Ponto de luz da sala de arquivo: 100 VA;
- Ponto de luz do banheiro: 100 VA.
Para efeito de dimensionamento dos condutores desse circuito, a corrente de projeto vale, aproximadamente,
Provas
Questão presente nas seguintes provas
Atenção: Para responder às questões, considere o esquema unifilar abaixo. Nele, NÃO foram representados os condutores dos eletrodutos X e Y.

É correto afirmar:
Provas
Questão presente nas seguintes provas
Caracteriza uma lâmpada a vapor de sódio de alta pressão:
Provas
Questão presente nas seguintes provas
Cadernos
Caderno Container