Foram encontradas 590 questões.
Atenção: Considere o balanço patrimonial abaixo para responder a questão a seguir.

Com base no Balanço Patrimonial pode-se afirmar que o
Provas
Considere a ligação com parafusos entre duas chapas metálicas pintadas, em contato contínuo, não sujeitas à corrosão e submetidas à tração, como ilustrado na figura abaixo.

Se a espessura das chapas for de 10 mm cada, o espaçamento máximo “d” entre parafusos é, em milímetros,
Provas
Se a treliça for submetida às cargas concentradas de 2 kN nos nós B e F, e de 4 kN no nó D, a força de tração na diagonal AB é, em kN,
Provas
O poste possui um tirante de aço conectado entre os pontos A e B. O tirante de aço possui Módulo de Elasticidade de 200 GPa e área da seção transversal de 5 cm2. Se a força exercida pela fiação no ponto B do poste for 6 kN, o alongamento do tirante de aço, em milímetros, é
Provas
- EstruturasEstruturas de Madeira
- Gerenciamento, Planejamento e Controle de Obras
- Orçamento no Planejamento e Controle de Obras na Engenharia Civil
UNIDADE (m2)
Após a medição o engenheiro verificou que seria necessário pintar 80 m2 de esquadrias de madeira. Sem contar os encargos sociais da mão de obra, o custo direto desse serviço resultou no valor, em reais, de
Provas
No cronograma os serviços estão representados genericamente por letras e suas respectivas durações, em dias. O prazo para a conclusão dessa obra é, em dias,
Provas
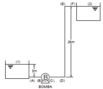
A perda de carga nos trechos A-B, C-D, D-E e E-F são, respectivamente, 1 m, 2 m, 6 m e 1 m. Se o rendimento da bomba for 88%, a potência requerida para a bomba é, em CV,
Provas
- Desenho Técnico na Engenharia Civil
- Edificações
- Estruturas
- Resistência dos Materiais e Análise EstruturalEstruturas de Concreto
- Materiais de Construção Civil
A laje foi armada com barras de aço φ 6,3 mm. Se a massa linear nominal da barra for 0,25 kg/m, então, o consumo de aço é, em kg,
Provas
- Arquitetura na Engenharia Civil
- Normas e LegislaçõesNBRsNBR 9.050: Acessibilidade na Construção Civil
Espaço para transposição de portas Os valores de X e Z são, correta e respectivamente,
Provas
Considere a tabela abaixo sobre o levantamento planialtimétrico de um terreno.
Cotas em metros obtidas por quadriculação do terreno.

Dados:
− Cota de referência = 0 m
− O projeto de terraplenagem prevê uma plataforma horizontal, porém não impõe sua cota final.
− Quadriculação do terreno de 10 m em 10 m.
− Volume total de terra calculado a partir da cota de referência = 7200 m3
Para que haja sobra de 1200 m3 de solo no projeto de terraplenagem, a cota final, em metros, que gerará uma plataforma horizontal é
Provas
Caderno Container