Foram encontradas 1.356 questões.
Atenção: Para responder à questão, considere as figuras abaixo onde V1 = V2 = 220 VRMS e despreze as
tensões VQ1 e VQ2.

Para que a tensão média na carga seja máxima, o ângulo de disparo dos dois SCRs deve ser, em rad, igual a

Para que a tensão média na carga seja máxima, o ângulo de disparo dos dois SCRs deve ser, em rad, igual a
Provas
Questão presente nas seguintes provas
- Amplificadores em Eletrônica
- Eletrônica Analógica na Engenharia Eletrônica
- Eletrônica de Potência na Engenharia Eletrônica
- Filtros
- Filtros Passivos
- Tiristor
O bloco eletrônico que tem como base de funcionamento o dispositivo SCR é o
Provas
Questão presente nas seguintes provas
O tipo de modulação em portadora senoidal por informação digital é
Provas
Questão presente nas seguintes provas
Os sinais de um transmissor binário centrado na 3ª janela óptica, com potência de pico de 10 mW são transmitidos por uma fibra
óptica de comprimento de 95 km e αf = 0,2 dB/Km. Considere ainda as perdas de potência nos conectores entre o transmissor e
a fibra (αt = 0,5 dB) e entre a fibra e o receptor (αr = 0,5 dB).
A potência recebida no receptor em dBm é
A potência recebida no receptor em dBm é
Provas
Questão presente nas seguintes provas
Em relação à Resolução n° 70/2010 do CSJT aplicada às obras e serviços de engenharia considere:
I. O custo global das obras e dos serviços de engenharia será obtido a partir dos custos unitários de insumos ou serviços iguais ou menores que a mediana de seus correspondentes no Sistema Nacional de Pesquisa de Custos e Índices da Construção Civil − SINAPI, mantido e divulgado pela Caixa Econômica Federal na rede mundial de computadores.
II. Para contratação de serviços de terraplanagem, pavimentação, drenagem ou nos casos de elaboração de obras de arte especiais, em áreas que não apresentem interferências urbanas, serão utilizadas como parâmetros de custo, preferencialmente, as tabelas do Sistema de Custos Rodoviários − SICRO do Departamento Nacional de Infraestrutura de Transporte − DNIT.
III. Nos casos em que o SINAPI ou o SICRO não oferecerem custos unitários de insumos ou serviços, poderão ser adotados aqueles disponíveis em tabela de referência simplesmente apresentada ao órgão ou entidade da Administração pública federal, excluindo-se os custos de insumos constantes do SINAPI das composições de custos dessas tabelas sempre que possível.
IV. Os acréscimos de serviços serão objeto de aditivos ao contrato pelos preços unitários da planilha orçamentária atualizada na data base mais recente.
Está correto o que consta em
I. O custo global das obras e dos serviços de engenharia será obtido a partir dos custos unitários de insumos ou serviços iguais ou menores que a mediana de seus correspondentes no Sistema Nacional de Pesquisa de Custos e Índices da Construção Civil − SINAPI, mantido e divulgado pela Caixa Econômica Federal na rede mundial de computadores.
II. Para contratação de serviços de terraplanagem, pavimentação, drenagem ou nos casos de elaboração de obras de arte especiais, em áreas que não apresentem interferências urbanas, serão utilizadas como parâmetros de custo, preferencialmente, as tabelas do Sistema de Custos Rodoviários − SICRO do Departamento Nacional de Infraestrutura de Transporte − DNIT.
III. Nos casos em que o SINAPI ou o SICRO não oferecerem custos unitários de insumos ou serviços, poderão ser adotados aqueles disponíveis em tabela de referência simplesmente apresentada ao órgão ou entidade da Administração pública federal, excluindo-se os custos de insumos constantes do SINAPI das composições de custos dessas tabelas sempre que possível.
IV. Os acréscimos de serviços serão objeto de aditivos ao contrato pelos preços unitários da planilha orçamentária atualizada na data base mais recente.
Está correto o que consta em
Provas
Questão presente nas seguintes provas
Conforme a NR-10, uma instalação elétrica liberada para o trabalho é considerada desenergizada quando submetida aos seguintes
procedimentos:
I. Constatação da ausência de tensão.
II. Instalação de sinalização de impedimento de reenergização.
III. Seccionamento.
IV. Proteção dos elementos energizados existentes na zona controlada.
V. Impedimento de reenergização.
VI. Instalação de aterramento temporário com equipotencialização dos condutores do circuito.
Considerando as situações que não exigem alterações, substituições, ampliações ou eliminações destes procedimentos, determinadas e justificadas por profissional legalmente habilitado e autorizado, a sequência de aplicação destes procedimentos de desenergização prevista na referida Norma Regulamentadora é
I. Constatação da ausência de tensão.
II. Instalação de sinalização de impedimento de reenergização.
III. Seccionamento.
IV. Proteção dos elementos energizados existentes na zona controlada.
V. Impedimento de reenergização.
VI. Instalação de aterramento temporário com equipotencialização dos condutores do circuito.
Considerando as situações que não exigem alterações, substituições, ampliações ou eliminações destes procedimentos, determinadas e justificadas por profissional legalmente habilitado e autorizado, a sequência de aplicação destes procedimentos de desenergização prevista na referida Norma Regulamentadora é
Provas
Questão presente nas seguintes provas
De acordo com as disposições da NR-10, uma empresa que não opera em instalações do sistema elétrico de potência, que tem
estabelecimento único com carga instalada de 100 kW, deve manter e constituir
Provas
Questão presente nas seguintes provas
Considere as características de partida de uma lâmpada a vapor de mercúrio apresentadas no gráfico abaixo.

A tensão nominal aproximada da lâmpada, em V, e o tempo necessário, em minutos, para que ela entre em regime permanente após ligada a chave que a comanda, são, respectivamente,

A tensão nominal aproximada da lâmpada, em V, e o tempo necessário, em minutos, para que ela entre em regime permanente após ligada a chave que a comanda, são, respectivamente,
Provas
Questão presente nas seguintes provas
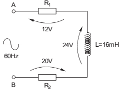
Atenção: Para responder à questão, considere o circuito abaixo onde todas as tensões representadas são valores RMS.


A potência ativa, em W, é, aproximadamente:


A potência ativa, em W, é, aproximadamente:
Provas
Questão presente nas seguintes provas
Atenção: Para responder à questão, considere o circuito abaixo onde todas as tensões representadas são
valores RMS.

A tensão VAB, em (VRMS), é, aproximadamente:

A tensão VAB, em (VRMS), é, aproximadamente:
Provas
Questão presente nas seguintes provas
Cadernos
Caderno Container