Foram encontradas 1.077 questões.
No levantamento altimétrico de um perfil, as operações de nivelamento das estacas pertencentes a esse alinhamento chegaram às seguintes leituras de mira em metros:

Sabendo-se que a primeira estaca do alinhamento (estaca A) possui cota igual a 55 m e que a altura de ajuste do equipamento para os trabalhos de nivelamento da linha é 1,52 m, as cotas das estacas C e D, do mesmo alinhamento, em metros, são

Sabendo-se que a primeira estaca do alinhamento (estaca A) possui cota igual a 55 m e que a altura de ajuste do equipamento para os trabalhos de nivelamento da linha é 1,52 m, as cotas das estacas C e D, do mesmo alinhamento, em metros, são
Provas
Questão presente nas seguintes provas
Considere a ligação elétrica dos quadros a seguir.

Para a instalação elétrica de baixa tensão do quadro parcial de luz e força da figura foram utilizados quatro condutores de cobre, embutidos em eletroduto metálico. A seção transversal dos condutores de fase e neutro é 70 mm2. Para a proteção das instalações, a seção transversal mínima do condutor de proteção, em mm2, é

Para a instalação elétrica de baixa tensão do quadro parcial de luz e força da figura foram utilizados quatro condutores de cobre, embutidos em eletroduto metálico. A seção transversal dos condutores de fase e neutro é 70 mm2. Para a proteção das instalações, a seção transversal mínima do condutor de proteção, em mm2, é
Provas
Questão presente nas seguintes provas
Considere o gráfico a seguir.

Na estimativa da capacidade de carga, a curva pressão versus recalque representa dois casos extremos: solos que apresentam curva de ruptura geral e solos que apresentam ruptura local. No gráfico da figura, a curva A representa solos de ruptura

Na estimativa da capacidade de carga, a curva pressão versus recalque representa dois casos extremos: solos que apresentam curva de ruptura geral e solos que apresentam ruptura local. No gráfico da figura, a curva A representa solos de ruptura
Provas
Questão presente nas seguintes provas
Considere a tesoura de madeira para construção de telhados representada a seguir.

As peças tracionadas da tesoura são, respectivamente,

As peças tracionadas da tesoura são, respectivamente,
Provas
Questão presente nas seguintes provas
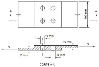
Considere a ligação de uma estrutura metálica que deve resistir aos esforços de tração, composta por duas chapas com espessura de 10 mm e largura de 109 mm, emendadas por transpasse com 4 parafusos de diâmetro f 16 mm, conforme desenho a seguir.

A área líquida para o dimensionamento dessa ligação, em cm2, é

A área líquida para o dimensionamento dessa ligação, em cm2, é
Provas
Questão presente nas seguintes provas
Considere a rede de uma obra civil representada no cronograma PERT/CPM a seguir.

Na rede, os círculos representam os eventos e as letras, as atividades, cuja duração, em dias, está indicada abaixo. O tempo previsto, em dias, pelo caminho crítico dessa rede é

Na rede, os círculos representam os eventos e as letras, as atividades, cuja duração, em dias, está indicada abaixo. O tempo previsto, em dias, pelo caminho crítico dessa rede é
Provas
Questão presente nas seguintes provas
Na elaboração de projetos com o uso de softwares de AutoCAD, os comandos que viabilizam a realização de cópias ordenadas de entidades no sentido retangular ou polar e que possibilitam alterar a posição, isto é, as coordenadas de localização de elementos do projeto são, respectivamente,
Provas
Questão presente nas seguintes provas
As escadas enclausuradas à prova de fumaça das saídas de emergência em edifícios devem ter ingresso por antecâmaras ventiladas, as quais devem ter a abertura de entrada de ar do duto respectivo, situada junto ao piso, ou, no máximo, a 15 cm deste, com área mínima, em metros quadrados, de
Provas
Questão presente nas seguintes provas
Os solos residuais, bastante comuns no Brasil, originam-se na decomposição de basaltos e rochas cristalinas. São características de um perfil de solo residual
Provas
Questão presente nas seguintes provas
Considere as seguintes afirmações sobre as condições de segurança dos elevadores de passageiros utilizados durante a fase de construção de edificações.
I. Nos edifícios em construção com 12 ou mais pavimentos, ou altura equivalente é obrigatória a instalação de, pelo menos, um elevador de passageiros, devendo o seu percurso alcançar toda a extensão vertical da obra.
II. Elevador de passageiros deve ser instalado, a partir da execução da 7a laje dos edifícios em construção com 8 ou mais pavimentos, ou altura equivalente, cujo canteiro possua, pelo menos, 30 trabalhadores.
III. É permitido o transporte de cargas no elevador de passageiros.
IV. O elevador de passageiros deve dispor sistema de frenagem automática, a ser acionado em caso de ruptura do cabo de tração ou de interrupção de corrente elétrica.
Está correto o que se afirma em
I. Nos edifícios em construção com 12 ou mais pavimentos, ou altura equivalente é obrigatória a instalação de, pelo menos, um elevador de passageiros, devendo o seu percurso alcançar toda a extensão vertical da obra.
II. Elevador de passageiros deve ser instalado, a partir da execução da 7a laje dos edifícios em construção com 8 ou mais pavimentos, ou altura equivalente, cujo canteiro possua, pelo menos, 30 trabalhadores.
III. É permitido o transporte de cargas no elevador de passageiros.
IV. O elevador de passageiros deve dispor sistema de frenagem automática, a ser acionado em caso de ruptura do cabo de tração ou de interrupção de corrente elétrica.
Está correto o que se afirma em
Provas
Questão presente nas seguintes provas
Cadernos
Caderno Container